Brake pedal goes to the floor?

2006 DODGE MAGNUM
209,000 MILES • 3.5L • V6 • 4WD • AUTOMATIC
Avatar
TMCINTOSH11
  • MEMBER
  • 176 POSTS
Hi guys, so the other day I noticed my brakes were almost to the floor, so I took it home and discovered a brake line under the hood had busted, it's I believe the main line from the rear of the master cylinder to the union joint on the ABS module. I replaced the line and attempted to bleed the system and I've bled every wheel as much as I could and my brake pedal is still to the floor, I've checked for more leaks and there's none, the master cylinder was working fine when this happened. so, I really don't think it could've went out in that short of time but I won't rule it out, shouldn't I have some pressure at all? I mean there's probably still some air in the system, but shouldn't I have something? Let me know what I should do. thanks
Mar 28, 2023 at 5:24 PM
Advertisement
Avatar
CARADIODOC
  • CERTIFIED EXPERT
  • 34,306 POSTS
The master cylinder is indeed one of the two best suspects. Given the age of the car, it can be expected to fail when the brake pedal was run to the floor or during the bleeding process. Crud and corrosion build up in the lower halves of the two bores in the master cylinder where the pistons don't normally travel. Running the pedal to the floor runs the rubber lip seals over that crud and can rip them. That results in a slowly-sinking brake pedal, and that often doesn't show up until two or three days later.

When pedal-bleeding the brake system, even some service manuals will tell you to have your helper push the brake pedal to the floor. That must absolutely be avoided unless the master cylinder is less than about a year old. To prevent this type of damage, never push the pedal more than halfway to the floor.

The next concern is by bleeding at the wheels, air got pushed into the ABS hydraulic controller and is trapped in there. You usually need a scanner to open some of the valves so the air can escape from those chambers, then continue bleeding at the wheels.

The next time this happens, there is no need to bleed at the wheels. Instead, leave the soft metal nut for that steel line loose at the farthest point from the master cylinder, so brake fluid can run down there. Once it's running out, tighten the nut, and you're done. There will still be a few small air bubbles in that line, but you'll never notice them in the brake pedal. With engine and road vibration, they'll start to float back up toward the master cylinder. When you're sitting at a red light with the brakes applied, fluid will have gone down, but when released, the fluid rushing back will wash the air bubbles along with it into the reservoir. It usually takes less than a day to clear out all the air bubbles. After that, if you want to replace the brake fluid periodically, (something all manufacturers recommend, but few of us ever do), you can open a bleeder screw at a wheel, loosen the reservoir cap to prevent vacuum from building up, then just let the old fluid drip out slowly. You can speed this up by pushing the brake pedal partway down by hand, but watch that the reservoir never runs empty.

Start with the bleeding sequence with the scanner, then please keep me updated on your progress.

Here's links to some articles that may be of interest:

https://www.2carpros.com/articles/brake-pedal-goes-to-the-floor

https://www.2carpros.com/articles/how-to-replace-a-brake-master-cylinder

https://www.2carpros.com/articles/how-to-bleed-or-flush-a-car-brake-system

This last article shows using the scanner when needed.
Mar 29, 2023 at 5:04 PM
Avatar
TMCINTOSH11
  • MEMBER
  • 176 POSTS
Thank you for the information. I have actually decided to replace the master cylinder, I got one from the parts store, but it turns out it's the wrong one, mainly because the original brake line flare nuts won't fit into it. I took one to a parts store and they can't seem to figure out what size is on my car. the first master cylinder I bought has a M12x1.0 fitting at both ports and the new one that's coming has a M14x1.0 fitting, I'm hoping the lines will fit into it but I don't know what size the flare nut is, I'm going to call a dealership with the vin number and see if they can tell me what the thread size is on the flare nuts. I really appreciate your help it's definitely going to be handy once I get everything back together on Tuesday.
Apr 1, 2023 at 7:46 PM
Advertisement
Avatar
CARADIODOC
  • CERTIFIED EXPERT
  • 34,306 POSTS
I never heard of having the wrong size ports. It's more likely someone boxed or labeled the rebuilt master cylinder incorrectly, and it's actually for a different model or year.

There are all kinds of brass adapters at the auto parts stores, but the more important concern is the diameter of the pistons. The diameter of the pistons in the master cylinder, calipers, and wheel cylinders were very carefully selected during the design of the brake system. The last variable is the "coefficient of friction" of the brake lining material. All of those things are factored in to produce a braking system that is perfectly balanced front-to-rear. When you see brake system parts that are advertised as "upgrades" or "improved stopping power", you must remember they can't alter the amount of braking force developed for a given pressure on the brake pedal. To install rear shoes, for example, that grab harder would mean easy rear-wheel-lockup and loss of directional control. Stronger grabbing power on the front brakes would mean you have to push the brake pedal with less force, and that means the rear brakes wouldn't be doing as much as they should be, so there goes the extra stopping power. All brake parts, linings in particular, must maintain the designed-in coefficient of friction, from the cheapest economy linings to those ceramic linings. Some of those more expensive linings can be less prone to "off-gassing", one form of brake fade, and thermal resistance, the resistance to loss of friction at higher temperatures, but those are under extreme conditions. They still don't increase stopping power. They simply do not lose it to various forms of brake fade as quickly as some other materials do.

If the ports are wrong on your replacement master cylinder, there's a good chance the piston diameter is wrong too. That would be the best way to ensure the wrong part doesn't get installed. If the pistons are larger in diameter, you'll have to push with a lot more foot pressure on the brake pedal to get the car to stop. If the diameter is too small, you'll have to push the pedal further than normal.

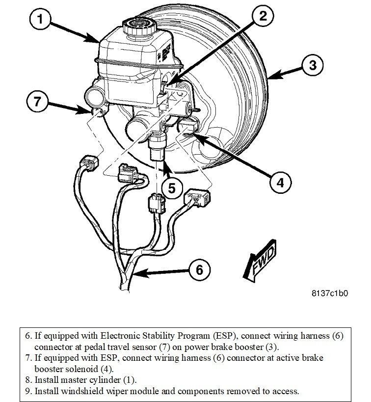
I might as well finish out this wondrous story. When you do not have anti-lock brakes and you do have rear drum brakes, you'll find a combination valve near or right under the master cylinder. The two steel lines from the master cylinder run into that brass block. There's three things of value in that assembly. The first is the "metering", or hold-off valve in the circuit to the front brakes. The front disc brakes begin to apply the instant brake fluid begins to get pushed out of the master cylinder. The rear drum shoes have to move a good distance before they contact the drums and start to build pressure. The metering valve delays allowing fluid to go to the front brakes until enough pressure has built up in the rear system to start the rear shoes applying stopping power. That ensures all four brakes apply at the same time.

The rear hydraulic circuit has a "proportioning" valve in it. It's job is to limit, or stop the additional build-up of fluid pressure once a certain point is reached. Under hard stopping when most of the vehicle's weight shifts to the front tires, the rear brakes would lock up way too easily. Skidding tires have no traction, and therefore, no steering control. This was the main purpose of the rear-wheel-ABS, (RWAL), systems used on older pickup trucks.

The third item in the combination valve is the "pressure differential valve and switch. The valve stays centered between the two hydraulic systems as long as they both see the same pressures when braking. If a leak develops in one system, no pressure can build up, so that valve shifts when the brakes are applied. That trips the switch to turn on the red "Brake" warning light. That is the same light that is usually used for the parking brake and for the low-fluid light, when it is used. That valve is spring-loaded to return to center on Chrysler and GM vehicles but they often get stuck. A quick jab on the brake pedal usually pops them free to recenter on their own. That valve is not spring-loaded on Ford vehicles. Getting it back to centered can be an extremely tiring and frustrating process. When you know that valve might shift position during other services such as bleeding, you can unscrew the switch and screw in a special holding tool to keep that valve centered until the work is done.

The only advice I can offer here is to try a different store or a different brand of master cylinder until you find the right one. I didn't find a listing for the piston diameter, but the car model can have a single or dual piston caliper in front, and Electronic Stability Program is an option. Those variables might include a different master cylinder size.
Apr 3, 2023 at 6:39 PM
Avatar
TMCINTOSH11
  • MEMBER
  • 176 POSTS
I got the new master cylinder on and a new property bent brake line, the pedal is still going to the floor, the system's been sitting open for about a week so I'm hoping bleeding the system will fix this, I checked every connection and all bone dry, no leaks anywhere, it was the wrong master cylinder the reason the fittings were the wrong size, I appreciate all your info!
Apr 6, 2023 at 7:21 PM
Avatar
CARADIODOC
  • CERTIFIED EXPERT
  • 34,306 POSTS
You'll want to bleed at the wheels now for two reasons. The first has to do with the system being open for a long time. Moisture in the air that gets in would cause expensive problems in an AC system where it mixes with refrigerant to form a corrosive acid, but in brake systems, the brake fluid loves to absorb moisture from the air which just lowers its boiling point and promotes corrosion in time. Every manufacturer recommends replacing brake fluid periodically to get the moisture out from what should be a sealed system, but very few of us do that because the system causes such little trouble.

Brake fluid boils at over 400 degrees F. The moisture that always creeps in over time boils at 212 degrees F. Brakes and brake fluid commonly get hot enough for that moisture to turn to steam and expand. The vapor can be compressed, which leads to one of the multiple types of brake fade. This type results in a low and mushy brake pedal.

The other problem I mentioned earlier has to do with the ABS hydraulic controller. If your car has anti-lock brakes, you'll usually need a scanner to command two valves to open during the bleeding process. That allows air to escape and get replaced by brake fluid in two chambers. Most often you need a helper to open the right front bleeder screw when instructed to do so by the scanner, and then the right rear bleeder screw. Once initiated, this sequence takes about a minute. You'll be pushing on the brake pedal. When a valve opens, the air is expelled by the fluid coming down from the master cylinder. Most of the time the air that is expelled makes it all the way to the wheel, but to be sure, once you're done with the scanner, bleed at those two wheels a few more times with normal pedal-bleeding or with gravity-bleeding. If you do use pedal-bleeding, get in the habit of not pushing it more than halfway to the floor. This won't be necessary now with a new master cylinder, but after about a year, that crud buildup I mentioned becomes a concern.

Let me know if you do have anti-lock brakes, and if you get this handled.
Apr 7, 2023 at 5:21 PM
Avatar
TMCINTOSH11
  • MEMBER
  • 176 POSTS
Thanks for the info, it does have antilock brakes, I bench bled the master cylinder a second time, there's a lot more resistance but it still makes its way to the floor, the pedal doesn't stop at a certain point still, I started bleeding at the wheels and when the pedal is pressed down I open the bleeder screw and fluid only slightly runs out, it doesn't spit or hiss or squirt fluid at all at any wheel, I did this about three times at each wheel, there's still resistance like it's trying to build up pressure but it doesn't change, the reason I bench bled the master cylinder a second time is because I disconnected the line at the other end of the line that goes straight from the master cylinder and not a drop of fluid came out when the brakes were pressed, so is it possible to gravity bleed the system like you mentioned? Let me know, thanks!
Apr 9, 2023 at 6:21 PM
Avatar
CARADIODOC
  • CERTIFIED EXPERT
  • 34,306 POSTS
Gravity-bleeding is all I've done for the last 35 years, but we're past that point. From everything that's been done up to now, it's almost certain there is air trapped in the ABS hydraulic controller. There's nothing, short of flipping the car on its roof, you can do to get that air out without a scanner. If we knew which solenoid wires to use, we could open those valves with a 12-volt battery, but they aren't designed to have current flowing through the solenoids constantly. They normally get pulsed for just a few seconds at a time.

The only other way to open the valves is to put the car into an ABS skid, but the air won't leave those two chambers unless it has someplace to go. That means the brake fluid has to be able to travel to a wheel at the same time, and that means opening a bleeder screw while you're putting the car into a skid. Obviously not very practical.

When you do this with a scanner, you select that function, then it will tell you to have a helper open one bleeder screw, usually the right front one, press on the brake pedal, then push the "Next" or "Continue" button. You'll hear a few clicks and feel the brake pedal drop a little. Next, it tells you to close that bleeder screw, then do the same thing for a second wheel, usually the right rear one. It may tell you to finish up with bleeding at all four wheels like normal.

Don't worry about further bench-bleeding of the master cylinder. Any air bubbles in it or in the lines going down to the hydraulic controller will work their way out on their own. If you can see through the reservoir down to the replenishing ports, and have a helper run the brake pedal, if the pedal is pushed very slowly just an inch, you'll see air bubbles come out of those ports if they're in that area. After about an inch of pedal travel, the rubber lip seals have moved past those ports and trapped the brake fluid ahead of them. That's when fluid pressure starts to build up as the pedal is pressed further. When that is done, more fluid runs down the lines, but any air bubbles will float back up, especially from engine and road vibration. When the pedal is released, those air bubbles work their way up higher and higher until the next time they wash into the reservoir along with the returning brake fluid. You'll usually not even notice the air in those lines. When you have a low or soft pedal like you described, it's more likely due a lot more air that's trapped in the hydraulic controller
Apr 9, 2023 at 9:00 PM
Avatar
TMCINTOSH11
  • MEMBER
  • 176 POSTS
Thanks Caradiodoc, at this point I'm bleeding at the calipers again, I've bled and bled and bled and there's nothing but fluid coming out, I even used the one man bleeder to see if there was any more air coming out and there's none, it's progressed to the point to were when pressing on the pedal it feels like something catches it half way then stops, but when I try to move the vehicle I have to press almost to the floor and Hard. I also can't get the brake warning light to go off even though the wire is securely connected to the reservoir, I'll see about getting someone with a scanner to try and open up the abs module while bleeding it, the stream of fluid coming from the calipers isn't a very strong stream, as soon as the stream stops I close the bleeder each time, the results don't change at all, the stream doesn't get better nor does the pedal act any different, I've bled it with the engine running and off, it's almost like there's something wrong with the master cylinder even though it's brand new not rebuild. And I've also made sure it keeps plenty of fluid.
Apr 13, 2023 at 5:05 PM
Avatar
CARADIODOC
  • CERTIFIED EXPERT
  • 34,306 POSTS
You're wasting your time and you're never going to get a good pedal until the hydraulic controller gets bled. Brake fluid is flowing through the bottoms of the chambers. It's the air in the tops that has to have valves opened to get it out.

If the warning light is red, it can turn on for up to three reasons. One is the parking brake is applied. Another is the fluid level in the reservoir is low, as you checked. The third is the "pressure-differential" valve and switch are tripped. That switch isn't always used with anti-lock brakes, but if it is, it trips when it sees a pressure difference in the two halves of the system. That commonly occurs when pedal-bleeding, only one bleeder screw is open at a time, and the brake pedal is pushed more than halfway to the floor. That pressure-differential switch can be extremely frustrating to center / turn off on older Fords. On GM and Chrysler products, they are spring-loaded to recenter on their own, but they often get stuck on the corrosion and debris that builds up in the valve's bore. When that happens, a good quick, hard jab on the brake pedal usually pops them free, then the light turns off.

To figure out which switch is turning the red "Brake" warning light on, just unplug them. If the one on the brake fluid reservoir is responsible, it's possible the float has sunk. It has a magnet that turns its switch on. One place to find a pressure differential switch is in the combination valve, when used. That's a brass block near or right under the master cylinder. The two steel lines run to it from the master cylinder.

One trick to know if a damaged parking brake switch is sticking is to slowly apply the brake with the engine off, and watch that light very closely. When that light is on due to one of the switches under the hood, applying the parking brake usually makes the warning light get just a little bit brighter. That's proof the parking brake switch wasn't keeping the light on.
Apr 13, 2023 at 5:28 PM
Avatar
TMCINTOSH11
  • MEMBER
  • 176 POSTS
Okay, so I had a shop bleed the ABS module and do other checks and they determined the brake booster is bad, they said I could try replacing the check valve on the booster, but it'll be a long shot. the booster didn't go bad until I was trying to bleed the system after replacing the master cylinder, the brakes work but I have to apply much more force which is obviously a sign the booster is bad, I also held the pedal down as I turned the car off and it raised back up which is another sign, so I guess now I'm looking at replacing the booster, but before I get the part what are some things I should try first? I noticed too sometimes when I apply the brake the throttle indicator will start flashing and the rpms will go up, turning the car off and back on resets it, could the valve actually be bad? Thanks for all your help.
Apr 20, 2023 at 1:00 PM
Avatar
CARADIODOC
  • CERTIFIED EXPERT
  • 34,306 POSTS
Now you're in an area I have very little experience in. Brakes has been one of my specialty areas since the mid 1980s, but in that time, I only replaced one power booster, and the car owner had to teach me about his system. It was an unusual / uncommon design used on an Olds Alero, and failed because his wife dumped the car in a ditch. Those have two valves inside and one can dislodge from the impact of a crash. The replacement booster can be damaged the same way simply by laying it down while transporting it. Professionally rebuilt units come with a special cone around the valve with a notice to not remove it until the booster has been installed. That cone holds that valve in place.

Leave it to GM to dream up such a problem-ridden design. You and I would never believe there was a problem as there still were power brakes, but the owner could sense there was something different or abnormal. That does not apply to any other car model I've ever run into. I have to stop short and not say there's nothing wrong with your power booster, but from many years of experience, I can say this will be a first if the replacement solves the problem.

The only other power assist problem I was ever involved with was on an old AMC model. It turned out to have a defective check valve. A vacuum-operated booster will store enough vacuum to allow for three power-assisted stops after the engine stalls. That's supposed to allow you enough braking control to safely stop the car. With the leaking check valve, that reserve went away the instant the engine stalled, but more importantly, it let it bleed off when intake manifold vacuum was low, as in when accelerating or under high load conditions. The owner only had good power assist during coasting. A new check valve solved that.

Every Brakes class also includes a discussion of low power assist with old, tired engines that don't develop normal intake manifold vacuum. In the past that has been used as an excuse, but I don't know how deserved that was. I've seen plenty of old, tired engines when I was younger, and all of those cars had just fine power assist. This is a gray area that may have multiple parts to each story.

My next question has to do with your comment on the brake pedal pushing back. That is not a characteristic of a vacuum-operated power brake booster. That is a characteristic of a few brake systems that get their power assist from the anti-lock brakes. For example, my '93 Dynasty does not have a vacuum-operated power brake system. It has the Bendix-10 ABS that pumps and stores brake fluid in an accumulator at over 2000 psi. That fluid is used to pulse the brakes up to 30 times per second and to supply the power assist. That system will provide over 40 power-assisted stops after the ignition switch is turned off, or unlimited power-assisted stops until the battery runs down. A scaled-down version of that system was used on Caprice Classic police cars. Neither of those pushed back on the brake pedal, but a few other systems do. I would be hesitant to use that as a clue.

Before you replace the power booster, look at the vacuum supply hose and the check valve. I don't see any reference to a charcoal filter inline with that hose, but if there is one, that could cause a restriction. Consider checking the vacuum supply first. A potential clue here is you will have good power assist after idling the engine for half a minute, but less and less assist with each subsequent pedal application very soon after. It should not take long for that stored vacuum to build back up. That vacuum supply can also be tested with a vacuum gauge. On older models, the check valve had a second port to run the cruise control servo. You could attach the vacuum gauge to that. Yours is electronic, so you either have to tap into the hose or temporarily install an older check valve with that second port. You should see a good 18" Hg, (vacuum) during idling. It may drop a little when you press the brake pedal, but it should recover almost instantly. If it drops significantly, and even more if you pump the pedal repeatedly, there's a restriction in that vacuum hose.

I did see a reference to this booster having two diaphragms which is what made the Olds Alero's design so unusual. This isn't something we normally look into, so I don't know how common this is, but it does make me wonder if there is something that happened inside yours. If you pursue this, here's the instruction for replacing the power booster.
Apr 20, 2023 at 4:08 PM
Avatar
TMCINTOSH11
  • MEMBER
  • 176 POSTS
Thanks, Caradiodoc,

I'm not sure if I'm going to try and replace it myself or have a shop do it, I actually want to do it because it'll be the first power brake booster I've done, I've never had a brake booster problem before, I've driven equipment at a job that relied on the same mechanical/hydrologic setup that a modern car does and I remember some of them had a really hard brake pedal and you almost had to stand on the brake pedal with both feet to get it to stop and I always figured it was the brake booster in it. I don't have this issue with my car but to get it to stop completely the pedal will go it's normal distance but midway down I have to start pressing a lot harder, which at one point the brake pedal got harder and a lot more sensitive and I could barely budge it and the brakes were activated without applying the brakes so I had to pull over and turn off the engine and I disconnected the vacuum line from the intake and put back and it stopped doing it.
I also did the same test with my work truck and when I turned off the engine the brake pedal didn't raise back up. So, I'm still debating on whether or not replacing the whole booster is the right move so I'm going to try replacing the check valve first and I'll let you know any more updates.
Apr 21, 2023 at 9:01 PM
Avatar
CARADIODOC
  • CERTIFIED EXPERT
  • 34,306 POSTS
Dandy. I'll be waiting to see what you find.
Apr 22, 2023 at 1:01 PM
Avatar
TMCINTOSH11
  • MEMBER
  • 176 POSTS
Okay, I successfully replaced the brake booster, it wasn't too hard, the brake pedal isn't hard to push anymore but I'm back at square one with the brakes not wanting to bleed, I'm guessing because the master cylinder had to be removed there's more air in the abs module, I have a very weak flow of fluid from the front calipers and none coming from the rear at all, my thing is that there should be some pressure at least a little but there's none, so I have to bleed the abs module again could I try a trick were since it's already secured off the ground with all 4 wheels off I could just put it in drive and get the speed up a little and hit the brake pedal hard enough to activate the module maybe about 2 or 3 times? Thanks again for all your help.
Apr 30, 2023 at 7:18 AM
Avatar
CARADIODOC
  • CERTIFIED EXPERT
  • 34,306 POSTS
You're the second person this week to ask that. Running the wheels off the ground won't work. We do this to listen to noisy wheel bearings with a stethoscope. As soon as one or two wheels start to rotate, the ABS Computer will see the difference in the four wheel speeds. It will set fault codes related to "wheel speed sensor performance", and turn the system off. The only way to have all four wheels running at the same speed is by driving the car on the road. That's when you have to put it into a skid and open one of two bleeder screws. Not easy to do when you're running alongside the car. Plus, most ABS systems cut out below 9 or 15 mph, so you have to be running sideways that fast with the wrench in your hand.

If the hydraulic controller has been bled already with a scanner, that part of the job is done. There's no need to bleed after replacing the power booster. Doing that doesn't introduce any air into the brake fluid.

As a point of interest, if something were to happen to let air in, if it's very little or if you catch it right away, you still don't have to bleed it out at the wheels, which again, would require another scanner bleeding. Instead, fill the reservoir, then drive the car like normal. That air isn't going to float down to the hydraulic controller. When you press the brake pedal, fluid will go down, and air bubbles will float back up, especially when you factor in the vibration from the engine and from the road. When you release the brake pedal, the fluid rushing back into the reservoir will wash those air bubbles up there with it.

I ran into this every spring with my '72 Challenger. Rear drum brakes have a "residual check valve" in the port of the master cylinder to keep ten pounds of pressure on the wheel cylinders at all times. That prevents air from sneaking past the rubber lip seals in the wheel cylinders when barometric pressure goes up overnight, and it holds the lip tightly sealed to the wheel cylinder's bore. When sitting all winter, that ten pounds gradually bleeds off, then, due to no pressure holding the seals, brake fluid seeps out and I have puddles inside of each rear wheel, on the floor. All I do is refill the reservoir, stroke the brake pedal 1/4 way to the floor a couple of times, then go out for a normal drive. If you have a helper work the brake pedal, you'll see a couple of air bubbles pop up when the pedal is pressed, and some more when the pedal is released. Any more bubbles will work their way out the same way while you're driving. Air always goes up. It only goes down when you push it there with the brake pedal.

I just realized I might have missed something. You said the master cylinder had to be removed to replace the booster. If you mean you removed the two steel lines, then set the master cylinder on the workbench, you only need to do what I just described. Other than that first two inches of line that sit parallel to the ground, no fluid is going to run out and no air will get in. Bleeding at the wheels now must be avoided at all cost because that is when you're going to push air down to the hydraulic controller where it will get trapped again.

If you just pulled the master cylinder forward without removing the steel lines, no air got in and there's no need for any bleeding.
Apr 30, 2023 at 8:27 PM
Avatar
TMCINTOSH11
  • MEMBER
  • 176 POSTS
Unfortunately, I had to remove the master cylinder to get the old brake booster out and the new one in, I also had to remove the wiper blade motor and arms and the whole assembly along with the strut bar, none of it was hard at all, just extra work. Bleeding them right now is seemingly a waste of time so I have a buddy at a very reputable shop that will loan me the hand pump canister where you can pump fluid through the master cylinder, I've never used one before so I don't exactly know how to properly use it, I've never had this much of a problem with brakes before either, I almost want to suspect I may have gotten a faulty master cylinder but it was working before I replaced the booster so if it was faulty I wouldn't have brakes then, I was able to stop the car it just took a lot of extra effort, so that's where I currently am at the moment, how do you use a canister bleeder exactly? I just want to make sure I use it correctly, thanks Caradiodoc!
May 4, 2023 at 8:58 AM
Avatar
CARADIODOC
  • CERTIFIED EXPERT
  • 34,306 POSTS
You're making this way harder than it needs to be. I have a vacuum bleeder but I haven't used it in decades. If this is the tool you're referring to, it is used at the bleeder screws to expand air bubbles making them easier to get out. If that air is in the lines between the master cylinder and the hydraulic controller, you're going to pull that air into the controller where it will get trapped again. I can't think of any way to use a vacuum pump at the master cylinder.

As I described previously, you do not need to bleed at the wheels after reconnecting the master cylinder. First, if you simply unbolted it from the booster and pulled it forward without removing the lines, no air got in. Just put it back on the new booster and you're done. If you did disconnect the steel lines, just reconnect them, then stroke the brake pedal a little, and you're done. No air went down to the controller. Any bubbles remained up at the top and will eventually wash into the reservoir.

Another trick that became a lot more valuable with when ABS systems were added is to go to a front wheel with the wheel off, then with a large flat-blade screwdriver, pry the piston back into the caliper's housing. That will push all the brake fluid behind it back up into the reservoir along with any air that got into those lines when you had them disconnected. After you do that, you'll need to pump the brake pedal multiple times to run that piston back out to self-adjust it. This is another time you don't want to push the pedal more than halfway to the floor. You won't damage your new master cylinder, but it's a good habit to get into so if you do that on a car with an old master cylinder, those lip seals won't get damaged.

To add a comment of value about those vacuum bleeders, they come with a clear hose so you can see what's coming out. The air in the lines will come out and appear as a long air bubble, often more than a half inch long, and there can be a few of them. When all you see is a steady stream of very tiny air bubbles, disregard those. That is air sneaking past the threads of the bleeder screw. Those will never stop appearing no matter how long you pull brake fluid down with that pump. They're the size of the little bubbles you see inside a bottle of soda pop.
May 4, 2023 at 5:28 PM