Brake lights not working

2003 FORD EXPEDITION
180,000 MILES • 0.5L • V8 • 4WD • AUTOMATIC
Avatar
MLJ360
  • MEMBER
  • 8 POSTS
My brake lights are not working, however all fuses and bulbs seem fine. turn signals taillights work but no brakes.. oh I believe it has a 5.6 L motor.
Apr 13, 2020 at 7:10 PM
Advertisement
Avatar
KASEKENNY
  • CERTIFIED EXPERT
  • 18,907 POSTS
When you say brakes are not working, I assume you are talking about the brake lights? Not the brakes themselves?

If the lights are the issue the most likely cause of this is the brake pedal position switch. I attached all the info about it. Does the cruise control work?

If it were me, I would start with checking for codes and then check power coming out of the switch when the pedal is depressed. Most likely you are going to need the switch so I attached the process on how to replace it as well

Let me know what you find and we can go from there. Thanks
Apr 13, 2020 at 7:23 PM
Avatar
JACOBANDNICKOLAS
  • CERTIFIED EXPERT
  • 110,175 POSTS
Hi,

Are you referring to the brake lights or the brakes themselves? If it is the lights, and I have a feeling it is based on your post, lets start with a couple tests.

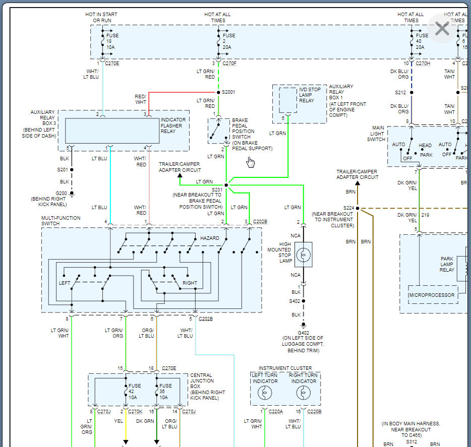
First, I want you to check the fuse I indicated in pics 1 and 2. This fuse powers a few things including the brake light switch. In addition to just checking the fuse itself, make sure there is power both in and out of the fuse.

https://www.2carpros.com/articles/how-a-car-fuse-works

https://www.2carpros.com/articles/how-to-check-a-car-fuse

__________________________________

Now, I suspect the fuse that I mentioned is good simply because the flashers work. However, there is a splice between the fuse where power distributes to the flasher relay and the brake light switch above the brake pedal. So, if the flasher is working, the fuse is good, we either are losing power between the splice and switch or the switch is bad.

Do, take a look at pic 3. I need you to check for power to the brake light switch. There will be two wires on the switch. One is light green and one will be light green with a red tracer. The one with the tracer should have 12v at all time. Check to confirm there is power to that wire.

If there is power in, then depress the brake pedal and see if there is power out from the switch. If there isn't, replace the switch. If there is power, then we will need to start tracing wires through the multi function switch and then to the lights.

Here are a few links you may find helpful when testing:

https://www.2carpros.com/articles/how-to-use-a-test-light-circuit-tester

https://www.2carpros.com/articles/how-to-use-a-voltmeter

https://www.2carpros.com/articles/how-to-check-wiring

If you find the switch is bad, here are the directions for replacement. The last pic attached correlates with the directions.

________________________________________

2003 Ford Truck Expedition 4WD V8-5.4L SOHC VIN L
Procedures
Vehicle Sensors and Switches Sensors and Switches - Lighting and Horns Brake Light Switch Service and Repair Procedures
PROCEDURES
BRAKE PEDAL POSITION (BPP) SWITCH

REMOVAL
1. Disconnect the battery ground cable.



pic 4



2. Remove the BPP switch.
1 Disconnect the electrical connector.
2 Remove the self-locking pin and the BPP switch.

INSTALLATION
1. To install, reverse the removal procedure.

Let me know what you find or if you have other questions.

Take care,
Joe
Apr 13, 2020 at 7:36 PM
Advertisement
Avatar
MLJ360
  • MEMBER
  • 8 POSTS
I will be checking tomorrow I will get back to you thank you so much. stay safe!
Apr 13, 2020 at 8:18 PM
Avatar
MLJ360
  • MEMBER
  • 8 POSTS
Does it matter that it is a an Eddie Bauer addition?by the way thank you.
Apr 13, 2020 at 8:25 PM
Avatar
MLJ360
  • MEMBER
  • 8 POSTS
Sorry, can I send you the VIN number would that be helpful?
Apr 13, 2020 at 8:27 PM
Avatar
JACOBANDNICKOLAS
  • CERTIFIED EXPERT
  • 110,175 POSTS
Hello,

You are very welcome. Honestly, the wiring schematics stay the same for the most part, especially for this issue. Let us know what you find. Also, feel free to let us know if you have additional questions while checking. We're here to help.

Take care,
Joe
Apr 13, 2020 at 8:38 PM
Avatar
MLJ360
  • MEMBER
  • 8 POSTS
So I noticed also the button that controls the pedal position for the brake and gas barely moves up and down maybe a quarter inch (1/4”) each way could this have done something so that brake Lights will not work?
Apr 14, 2020 at 4:45 PM
Avatar
JACOBANDNICKOLAS
  • CERTIFIED EXPERT
  • 110,175 POSTS
If you are referring to the button to move the pedals closer or further away, no they aren't connected. Have you had a chance to see if there is power in and out of the brake light switch?

Joe
Apr 14, 2020 at 6:00 PM
Avatar
MLJ360
  • MEMBER
  • 8 POSTS
Hi, so I replaced the brake switch my lights worked and then they stop working again. however, they seem to work intermediately like a mind of there own the harder I push down on the pedal they come on?
Jun 1, 2020 at 7:29 AM
Avatar
KASEKENNY
  • CERTIFIED EXPERT
  • 18,907 POSTS
The only thing that knows how hard you are pressing the pedal as it relates to the lights is the brake switch. So if the lights worked, then stopped and now flicker when you press harder, I suspect you have a faulty switch out of the box. If you got this from a parts store like advanced auto or auto zone, that is not uncommon. I have gotten many electrical parts from them that do not operate.

I would suggest swapping out the part again and tell them what happens now with this switch and they will replace it for you.
Jun 1, 2020 at 7:24 PM
Avatar
JACOBANDNICKOLAS
  • CERTIFIED EXPERT
  • 110,175 POSTS
Hi,

Either you got a bad switch, it isn't properly attached, or the connector is loose or damaged. Here are the directions for replacing it. Take a look through them and let me know if this is how you did it.

Also, remove the retaining pin and remove the switch from the pedal assembly. Operate it manually and see if the lights work correctly.

______________________________________

2003 Ford Truck Expedition 4WD V8-5.4L SOHC VIN L
Procedures
Vehicle Sensors and Switches Sensors and Switches - Lighting and Horns Brake Light Switch Service and Repair Procedures
PROCEDURES
BRAKE PEDAL POSITION (BPP) SWITCH

REMOVAL
1. Disconnect the battery ground cable.


pic 1



2. Remove the BPP switch.
1 Disconnect the electrical connector.
2 Remove the self-locking pin and the BPP switch.

INSTALLATION
1. To install, reverse the removal procedure.

____________________________________

Let me know.
Joe
Jun 1, 2020 at 8:07 PM