After replacing the rear calipers, rotors, pads and replaced and the front rotors and pads, bled the system the check the brakes warning turns on?

2011 FORD FUSION
210,000 MILES • 3.5L • 6 CYL • 4WD • AUTOMATIC
Avatar
A.TREEPLANTER
  • MEMBER
  • 1 POST
We replaced rear calipers, rotors and pads.
We replaced the front rotors and pads.
The left front caliper was removed from the car and worked on at the bench until it began to move freely, then reinstalled.

We were careful not to let the reservoir get too low.
We bled the system and seemed to have full pedal back.
When we start the car, it says to check the brakes.

Willy is proficient in working on brakes, but unfamiliar with this newer vehicle. What can we check?
Mar 25, 2025 at 3:27 PM
Advertisement
Avatar
STEVE W.
  • CERTIFIED EXPERT
  • 15,113 POSTS
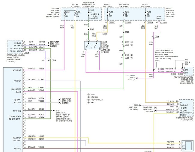
Hard to say for sure, there is probably a code stored that can give you some direction. You need a code reader to be able to pull the code and at least have an idea. It could be a speed sensor or something in the brake system itself. You can see the wiring diagram shows how complex it is. Without the code though you would be chasing everything because you worked on all 4 corners. If you don't have a scan tool you can look at one called FORScan and the dongle they recommend. It is one of the best aftermarket units available.
Mar 26, 2025 at 1:22 AM