Hi,
If you feel the brake pedal pushing back, pulsating, and hear a noise, it sounds like the anti-lock brakes are actuating. Is the ABS light on?
Here is what I want you to try. In the underhood power distribution box, locate fuse J7 fuse. That is for the ABS module. Remove the fuse. This will set the ABS codes and traction control if you have it, but it will also disable the anti-lock circuit. You will still have normal braking, but the ABS won't work if you skid.
So, remove that fuse, find a safe place to test drive the vehicle, and see if the symptoms are gone.
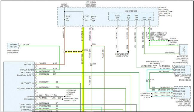
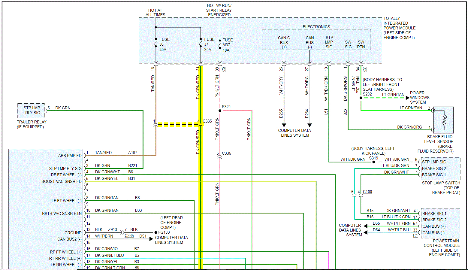
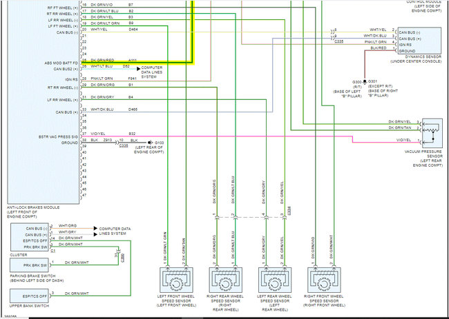
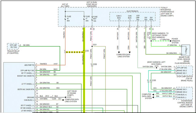
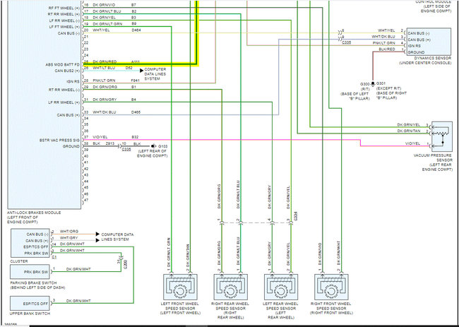
I attached the entire wiring schematic for the ABS system. I highlighted the fuse
Let me know what you find.
Take care,
Joe
See pics below.
Images (Click to enlarge)
Jul 24, 2021 at 8:30 PM