I think a got bad brake master

2008 CHEVROLET SILVERADO
168,000 MILES • 4.3L • V8 • 4WD • AUTOMATIC
Avatar
ELIZABETH DAVIS FREAR
  • MEMBER
  • 1 POST
Replaced the master cylinder. Bled them getting only fluid. Have pressure in pedal until starting engine then pedal goes all the way to floor. I think a got bad master.
Sep 24, 2019 at 3:21 PM
Advertisement
Avatar
SCGRANTURISMO
  • CERTIFIED EXPERT
  • 4,897 POSTS
Hello,

This could be a problem with the brake master cylinder not being bench bleed. These guides can help you fix it.

https://youtu.be/w7gUsj2us0U

and

https://youtu.be/WDxvEQrMkBg

and

https://www.2carpros.com/articles/brake-pedal-goes-to-the-floor

Please run down this guide and report back.
Sep 25, 2019 at 3:00 AM
Avatar
JWHITT
  • MEMBER
  • 1 POST
Code says master cylinder pressure sensor means i need to replace the master can you help me please?
Feb 22, 2021 at 5:40 PM (Merged)
Advertisement
Avatar
STRAILER
  • CERTIFIED EXPERT
  • 53,855 POSTS
Hello,

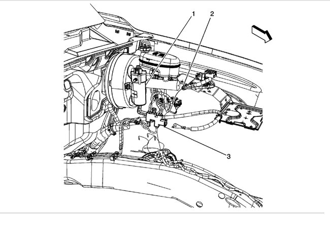
The sensor is on the brake master cylinder here is a diagram to help you see where it is. This guide and video will help you get the job done. Here is a guide to help you step by step with instructions in the diagrams below to show you how on your car.

https://youtu.be/WDxvEQrMkBg

and

https://www.2carpros.com/articles/how-to-replace-a-brake-master-cylinder


Check out the diagrams (Below). Please let us know if you need anything else to get the problem fixed.
Feb 22, 2021 at 5:40 PM (Merged)
Avatar
SEYMOUR STREIGOLD
  • MEMBER
  • 1 POST
Driving truck stepped on brakes pedal went to floor. no leaking fluid, master full. with engine off full pedal. with engine running pedal goes to floor.
ABS light been on for a while before problem.
Feb 22, 2021 at 5:41 PM (Merged)
Avatar
KASEKENNY
  • CERTIFIED EXPERT
  • 18,907 POSTS
Sounds like the master cylinder has an internal leak. The master cylinder relies on two chambers being sealed to create the pressure advantage to apply the brakes.

It seems like you have a pedal when the engine is off because you don't have the vacuum assist from the booster.

Let me know if this makes sense or if I am missing something. Thanks
Feb 22, 2021 at 5:41 PM (Merged)
Avatar
JOHNATHAN ADAMS
  • MEMBER
  • 2 POSTS
My dads truck had a brake line blow. We changed the line, bled all four corners, and another blew. Got it changed, had to change master cylinder as well because it was leaking internally. Got everything changed out, had pressure without the truck on, but as soon as the key was turned they went to the floor. It has ABS brakes. What else could cause it to have no pressure when running? The truck is the 1500 model.
Feb 22, 2021 at 5:41 PM (Merged)
Avatar
STRAILER
  • CERTIFIED EXPERT
  • 53,855 POSTS
It sounds like you have air still trapped int he system. When you replaced the master cylinder did you bench bleed it?

Here is a guide to help you get the job done and back on the road:

https://www.2carpros.com/articles/how-to-replace-a-brake-master-cylinder

and

https://www.2carpros.com/articles/how-to-bleed-or-flush-a-car-brake-system

Please let us know what happens and upload pictures or videos of the problem.

Cheers, Ken
Feb 22, 2021 at 5:41 PM (Merged)
Avatar
JOHNATHAN ADAMS
  • MEMBER
  • 2 POSTS
Thanks for the information Ken.

Yeah we bench bled the cylinder. I am thinking that when we did that, I accidentally shoved the piston to far into the cylinder and blew a seal in it. Or it was just a defective cylinder to begin with. Or a combination of the two. Could that have caused it? The last time we changed it, we did not bench bleed it, but we bled it on the truck and never had this problem. So a new cylinder is probably in order, but we are going to change out the rear calipers first because the driver side is froze. I will post pictures when we get up to the garage to work on it. I have none at the moment. I am also wondering if an air pocket in the frozen caliper could cause the problem? I know enough about working on cars to get me into trouble, but not enough to consider myself a mechanic.

Thanks again,
Johnathan
Feb 22, 2021 at 5:41 PM (Merged)
Avatar
STRAILER
  • CERTIFIED EXPERT
  • 53,855 POSTS
That is what you have us for, we can help you with anything. :) The air in the system should be able to be bled out even with a frozen caliper. Let me know what happens after the new master cylinder.

Best, Ken
Feb 22, 2021 at 5:41 PM (Merged)
Avatar
RONNIEFRANKIN
  • MEMBER
  • 7 POSTS
I installed a new master cylinder on my truck but it leaks between the master cylinder and the booster. Does it require a gasket or what am I doing wrong? Thanks
Feb 22, 2021 at 5:41 PM (Merged)
Avatar
CARADIODOC
  • CERTIFIED EXPERT
  • 34,306 POSTS
Nope. The rear seal is leaking. Since this is a newly-rebuilt master cylinder, the seal got torn by improper or careless installation procedures, there is a scratch on the metal push rod that got overlooked, or a little impacted debris got missed and cut the seal. Any reputable auto parts store will exchange it for another one. This does not happen very often, so I would not be worried about getting a replacement from the same supplier.

Be aware too that rubber seals are lubricated with Brake Assembly Lube to make installation easier. That is essentially real thick brake fluid. If you are seeing residue of that, you do not have to worry about it. The clue that the rear seal is leaking is the fluid level will keep on going lower in the reservoir.
Feb 22, 2021 at 5:41 PM (Merged)
Avatar
SGTMAJOR6869
  • MEMBER
  • 1 POST
The front and rear brakes were repaired on my vehicle. The truck sat for about a week and when I went to drive it I had hardly no brakes. On checking the system I found the the master cylinder had no fluid in the front portion . I cant see any leaks but I have not removed the wheels and I see no fluid on the ground. Any ideas? thanks..
Feb 22, 2021 at 5:41 PM (Merged)
Avatar
WRENCHTECH
  • CERTIFIED EXPERT
  • 20,761 POSTS
If the reservoir is low or empty, then you surely have a leak. The front reservoir may be for the rear brakes, especially if it is the smaller reservoir. You are not looking for puddle type leaks because there isn't that kind of quantity and water washes it off. You just looking for a moist area.
Feb 22, 2021 at 5:41 PM (Merged)
Avatar
HENRYR79
  • MEMBER
  • 46 POSTS
What would cause three master cylinders to go out within approximately three years on this truck? It is driven only about 6 to 8 months out of the year and these times are usually short trips around town. Two for sure have gone bad leaking fluid out of the rear into the brake booster. I have had to change this as a result once within the past three years.
Feb 22, 2021 at 5:41 PM (Merged)
Avatar
CARADIODOC
  • CERTIFIED EXPERT
  • 34,306 POSTS
Are these used or rebuilt master cylinders?
Feb 22, 2021 at 5:41 PM (Merged)
Avatar
HENRYR79
  • MEMBER
  • 46 POSTS
I am not sure. Haven't found the receipt, but they are from O'Reilly Auto.


Feb 22, 2021 at 5:41 PM (Merged)
Avatar
CARADIODOC
  • CERTIFIED EXPERT
  • 34,306 POSTS
Dandy. That means they're professionally-rebuilt, not used ones from a salvage yard.

The most common cause of repeat failure is improper bleeding procedures, namely pushing the brake pedal all the way to the floor, but that results in different symptoms, and it doesn't cause leaking from the rear seal. This also doesn't apply to master cylinders less than about one year old. On older ones, crud and corrosion build up in the bottom halves of the two bores where the pistons don't normally travel. Pushing the brake pedal all the way to the floor runs the lip seals over that crud and can rip them. Often that takes a while to show up, but it results in the pedal slowly sinking to the floor under light foot pressure.

The next common thing is brake fluid contaminated with a petroleum product like engine oil, transmission fluid, or power steering fluid. We used to see that after someone repacked wheel bearings by hand, then wiped them off to pop the rubber bladder seal back into the reservoir cap. The residue on their fingers was more than enough to contaminate the brake fluid. Most professionals even wash their hands with soap and water before handling any parts that will contact brake fluid so they don't get fingerprint grease in there.

The repair for this gets real expensive because the only proper way to fix it is to remove every part with rubber in the hydraulic system that contacts brake fluid, flush and dry the steel lines, then install all new parts. If any part is not replaced, the contamination will leach out of the rubber parts and recontaminate the new brake fluid. That means replacing the master cylinder and reservoir cap, three or four rubber flex hoses, calipers, wheel cylinders, height-sensing proportioning valve, and combination valve.

If your fluid is contaminated, it is going to damage the next master cylinder you install, but you should have noticed other symptoms first. The first complaint almost always is brakes that don't release, or they self-apply, and they get so hot they start smoking. The rubber lip seals in the master cylinder grow past the fluid return ports and block them. The clue is the stuck brake will release when you loosen the lines at the master cylinder.

The rear seal in the master cylinder can also get soft and mushy and start to leak, but if contamination is the cause, expect to see other symptoms.

The last thing to look for pertains to trucks, diesels mostly, with the hydro-boost brake power boosters. If those leak power steering fluid in front, it can get onto the push rod for the master cylinder and find its way into the brake fluid. If you have a standard vacuum booster, you don't have to worry about that.
Feb 22, 2021 at 5:41 PM (Merged)
Avatar
HENRYR79
  • MEMBER
  • 46 POSTS
As far as I know I haven't been doing anything to contaminate the seals or the fluid upon installation of these m/c. I did change both rear wheel cylinders about three years ago. Last year I never could get the brake light on the dash to go off so I let a professional mechanic work on the truck and they claimed the reason why I never could get the light to go off was because I had not gotten all the air out of the line and I think they might have even changed the m/c. The truck is not mine, I am doing the work for a family member. It is hard to keep up with the repairs done to this truck and my own vehicles also.
Feb 22, 2021 at 5:41 PM (Merged)
Avatar
CARADIODOC
  • CERTIFIED EXPERT
  • 34,306 POSTS
If there's air in a line it can make the red warning light turn on, but you would have a low, mushy brake pedal too. The switch responsible for that is the pressure-differential switch located inside the combination valve. That sits on the frame right under the master cylinder. The two lines from the master cylinder run to it. To verify that is the reason for the light being on, just unplug that single wire in the middle of it on top.

Those switches are REAL frustrating to reset on Fords, but on GMs and Chryslers, they're spring-loaded and will reset automatically when you release the brakes. Often the valve sticks and the switch stays on. A good, quick jab on the brake pedal usually pops them free.

The red warning light also is turned on by the parking brake and the low-fluid level switch on the master cylinder, if there is one. You can unplug those too to see which one is keeping the light on.

Next time you replace a master cylinder, here's a trick to keep you from having to bleed at the wheels. This works best when the master cylinder has only two steel lines and they're on the same side. Loosen the nuts for those lines just a little so you don't have to tug on them later. Unbolt the master cylinder and pull it forward off the mounting studs. Use it as a handle to bend the steel lines upward a little. Unbolt the lines to remove the master cylinder. The fluid won't be able to run out of the lines now.

After bench-bleeding the new master cylinder, start the lines by hand, then use the master cylinder as a handle again to bend the lines back down. Snug the line nuts, then have a helper push the brake pedal down very slowly to about halfway to the floor. That should take about ten seconds. When he does that, loosen one of the line nuts a little. You'll see air bubbles come out. Be sure to tighten that nut before the helper releases the pedal, otherwise air will get sucked back in. Do that a second or third time if necessary until no more air bubbles come out, then do the other line the same way.

The secret is in pushing the pedal down slowly, and allowing it to spring back rapidly. When it is pressed, the fluid will go down toward the wheels but the air bubbles will have time to float back up. When the pedal is released quickly, the fluid rushing back into the reservoir will wash any last air bubbles with it.
Feb 22, 2021 at 5:41 PM (Merged)
Avatar
HENRYR79
  • MEMBER
  • 46 POSTS
I found out that the wrong master cylinders were being but on the truck. They were for the wrong size rear brake drums.
Feb 22, 2021 at 5:41 PM (Merged)
Avatar
CARADIODOC
  • CERTIFIED EXPERT
  • 34,306 POSTS
I'm happy you found that, but it doesn't explain the repeat failures. The wrong diameter master cylinder, calipers, or wheel cylinders will cause some symptoms like the brake pedal traveling too far, easy rear-wheel lock-up, or the rear brakes not doing their share of the stopping.
Feb 22, 2021 at 5:41 PM (Merged)
Avatar
HENRYR79
  • MEMBER
  • 46 POSTS
Is the smallest, rearmost brake fluid reservoir for the front or rear brakes?
Feb 22, 2021 at 5:41 PM (Merged)
Avatar
CARADIODOC
  • CERTIFIED EXPERT
  • 34,306 POSTS
The smaller reservoir is for drum brakes, (rear) because very little fluid is needed during the life of the shoes. As front disc brake pads wear, the pistons move out of the calipers to self-adjust. Brake fluid fills in behind the pistons so the level goes down in the reservoir. Professionals never top off the brake fluid during other routine services like oil changes because when new pads are installed, the pistons have to be pushed back into the calipers and doing that will push the brake fluid back up into the reservoir. That fluid needs a place to go.

When you work with any part that touches brake fluid, be absolutely certain you don't get a hint of petroleum product in the brake fluid. Doing that may result in more repair expense than what the truck is worth. That includes engine oil, transmission fluid, power steering fluid, and axle grease. Most of us even wash our hands so we don't get fingerprint grease in there.
Feb 22, 2021 at 5:41 PM (Merged)
Avatar
HENRYR79
  • MEMBER
  • 46 POSTS
Thanks for the reply. I thought that was correct, but I wanted to make sure.
Feb 22, 2021 at 5:41 PM (Merged)