Brake warning light stays on after replacing brake pads and rotors?

2016 FORD C-MAX
70,000 MILES
Avatar
CRYPTICXCAT
  • MEMBER
  • 1 POST
My brake warning light came on, so I got the pads and rotors replaced but the light is still on and won’t turn off. Fluid is also full.
May 22, 2023 at 12:45 PM
Advertisement
Avatar
STRAILER
  • CERTIFIED EXPERT
  • 53,854 POSTS
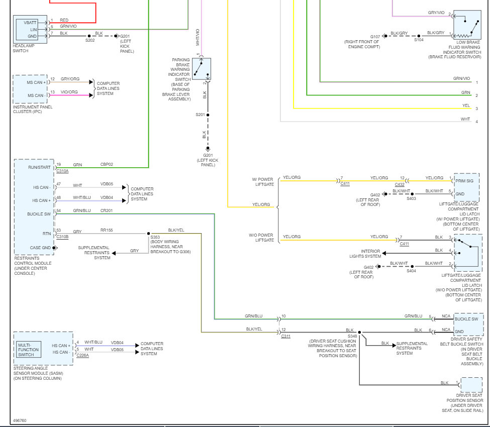
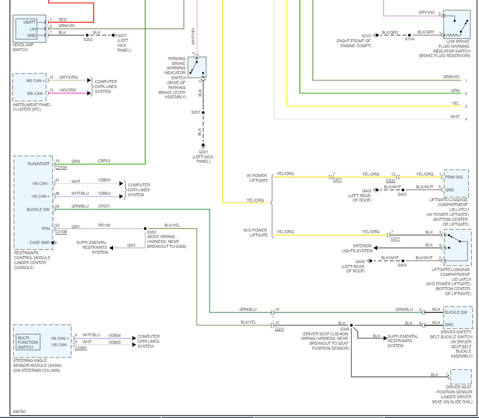
This warning light also comes on when the parking brake level is slightly depressed, or the switch needs to be replaced. Here is the location of the switch so you can check it out. You can try grounding the wire on the parking brake to confirm the issue. Also, here are the wiring diagrams for the brake warning light which goes through the BCM which might be bad. Let's do a CAN scan to see what comes up, I think it will be helpful. You can get a CAN scanner (Controller Area Network) which will work on most cars from Amazon.

Here is a video to show you how:

https://youtu.be/u-4syLc-ifQ

and

https://www.2carpros.com/articles/can-scan-controller-area-network-easy

Please check the fuses on the BCM as well, also you can try to grounding the brake fluid level sensor as well. Check out the images (below). Let us know what happens and please upload pictures or videos of the problem so we can see what's going on.

May 22, 2023 at 6:44 PM