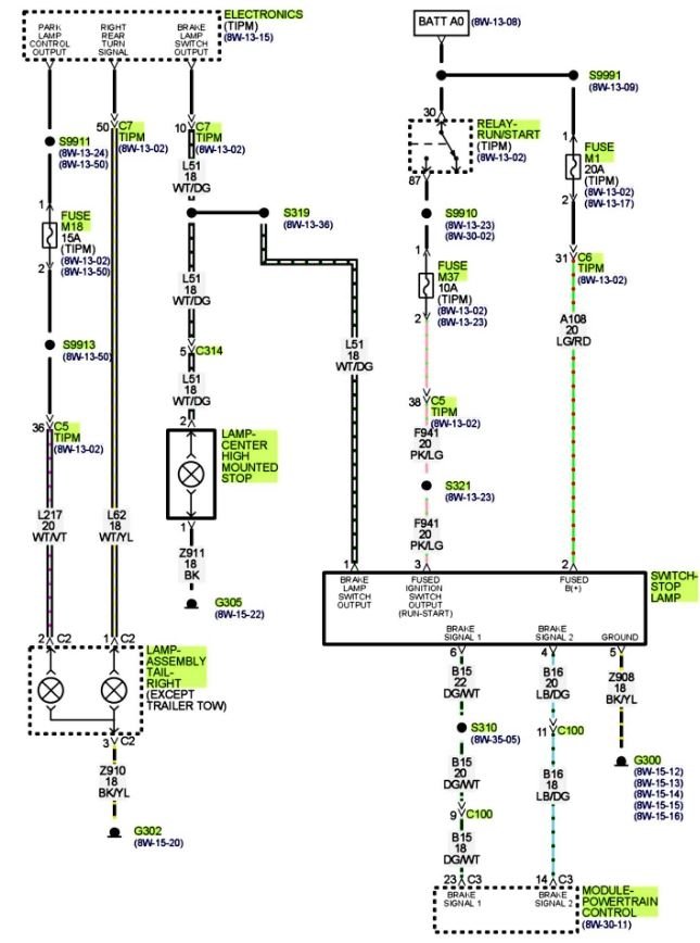
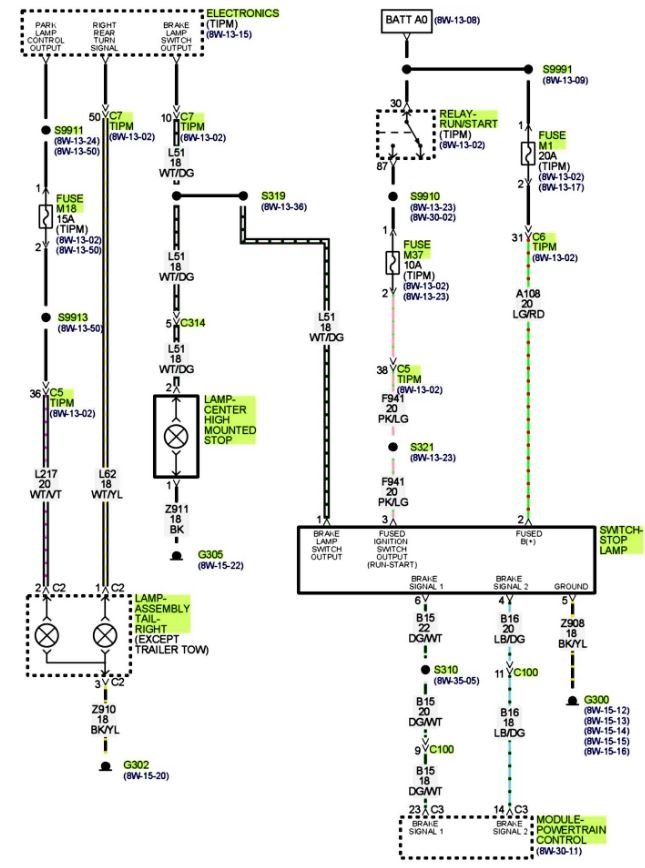
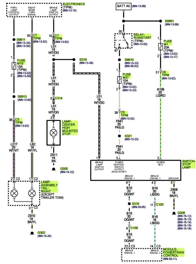
Hi there. I cannot seem to resolve an issue with my turning/brake signal on the passenger side. When I went to change the bulb (of course thinking that it just went out) I noticed that it wasn't burnt out. I went ahead and changed it and it still wasn't working, I double checked that I purchased the correct on and I did. I then checked my fuse box under the hood and used the diagram under the lid as reference and the fuse seemed fine. In my frustration I then checked every fuse under the hood that was light related and no one of them appeared to be burnt out. I have checked the wire connections that go from the fixture to inside the van and nothing was frayed, exposed or anything of that sort. I have also checked the contacts inside the fixture and everything seems to be fine there as well, nothing seems loose or have corrosion. I also tried wiggling the bulb while someone pressed the brake and it wasn't wanting to turn on.
My question is, what can I do next? Would the fuse be under the dash and if so where would it be? I looked in the standard spot and did not see anything. Thank you
My question is, what can I do next? Would the fuse be under the dash and if so where would it be? I looked in the standard spot and did not see anything. Thank you
Apr 30, 2019 at 2:50 PM
