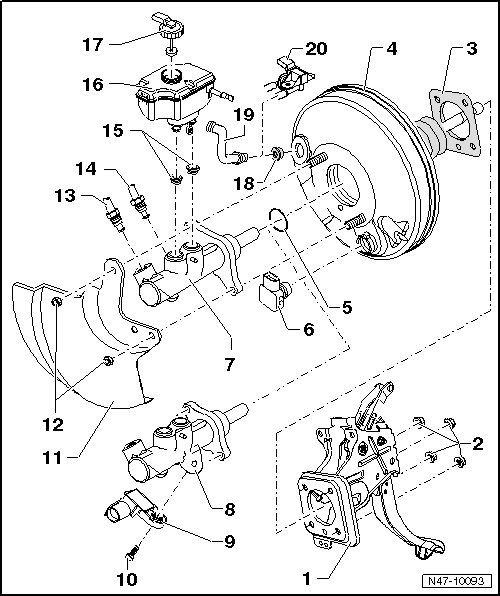
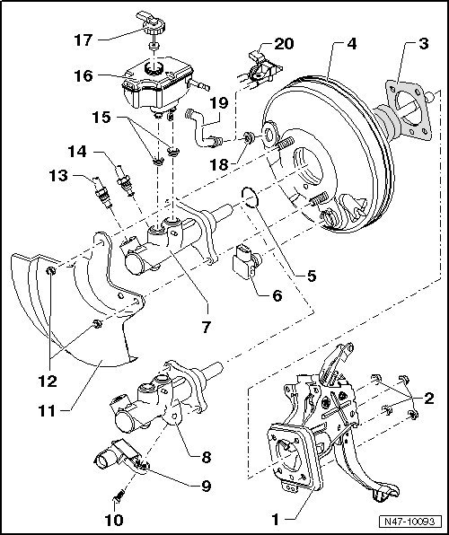
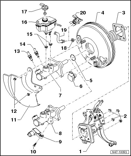
Hi and thanks for using 2CarPros.com. To answer your question, yes. If brake fluid is getting into the vacuum booster, then the master cylinder is leaking. However, that does not necessarily correlate with the brakes getting hot. I have attached an exploded view of the master cylinder and the booster. You will see how they attach. Again, if there is a leak from the rear of the master cylinder, it goes into the booster. If there is actually fluid leaking, the booster is not the problem. The master cylinder is bad and needs replaced.
https://www.2carpros.com/articles/how-to-replace-a-brake-master-cylinder
Next, if you want to replace the master cylinder, here are the directions along with pictures associated to the directions.
Master Cylinder
Special tools, testers and auxiliary items required
¤ Hose clamps (3094)
¤ Torque wrench (V.A.G 1331)
¤ Brake filler/bleeder unit (V.A.G 1869)
¤ Brake filler/bleeder unit suction adapter (V.A.G 1869/4)
¤ Brake filler/bleeder unit (VAS 5234)
Removing
Note or request radio code on vehicles with coded radio if necessary.
Disconnect battery.
Diesel Vehicles
Disconnect connection - 1 - and remove rear spring hose clamp from intake hose.
Remove spring hose clamp - arrow - and remove hose from air filter housing.
Remove bolt from air filter housing - arrow -.
Move air filter housing upward out of brackets and remove.
Continuation for All Vehicles
Remove battery.
Remove the battery carrier.
Place sufficient lint-free cloths in the area of the engine and transmission.
Extract as much brake fluid as possible from brake fluid reservoir using (VAS 5234) or (V.A.G 1869/4).
With Manual Transmission
Disconnect clutch master cylinder supply hose - B - with (3094).
Pull off supply hose - B - for clutch master cylinder.
Continuation for All Vehicles
Disconnect connector - A - from floating warning indicator sensor.
Vehicles with the Brake Light Switch (F) on the Master Brake Cylinder
Disconnect the connector - 1 - from brake light switch.
Continuation for All Vehicles
Remove brake fluid reservoir, press the engagement straps toward outside at reservoir and simultaneously pull brake fluid reservoir out of sealing plugs.
Remove the brake lines - 1 - on master brake cylinder, seal brake lines using Sealing plugs (1H0 698 311 A).
Remove the nuts - 2 - from master brake cylinder.
If present, remove heat shield.
Carefully take brake master cylinder out of brake booster.
Installing
Installation is performed in the reverse sequence.
Observe the following points when installing:
When installing together the brake master cylinder and brake booster, make sure that the push rod is correctly located in the brake master cylinder.
Connect the battery.
Bleed brake system. Refer to => [ Brake System, Bleeding with Brake Filler/Bleeder Unit VAS 5234 or VAG 1869 ] See: Brake BleedingService and RepairBrake System, Bleeding with Brake Filler/Bleeder Unit VAS 5234 or VAG 1869.
Tightening Specifications
______________________________________________________
Now back to the issue at hand. There are other things which can cause brakes to get hot. You could have a parking brake sticking, a faulty rubber brake hose which attaches to the caliper which has collapsed internally, frozen brake pads or even a bad caliper.
What I would suggest is this. Safely lift the rear of the vehicle and try to spin the wheels. If they turn easily, have a helper apply the brake. Once the helper releases the brakes, see if they still turn easily. If they don't, my first suspect is a rubber brake hose issue or the brake pads are frozen in the caliper mount due to rust and corrosion.
If you can, do that test and let me know what you find. I will be able to better help you once you find that answer.
As far as brakes getting hot, yes many vehicles do this for various reasons. We just need to determine the exact cause.
I hope this is helpful. I look forward to hearing from you.
Take care,
Joe
Images (Click to enlarge)
Apr 23, 2021 at 12:39 PM