hit the brakes hard and the abs activated. The brake pedal went to the floor

2004 OLDSMOBILE ALERO
160,000 MILES • 2.2L • 4 CYL • 2WD • AUTOMATIC
Avatar
KELLY2986
  • MEMBER
  • 6 POSTS
Last month I replaced all 4 brake pads and calipers. Disk brakes front and back. Everything worked fine till I had to hit the breaks hard and the abs activated. The brake pedal went to the floor. After inspecting I noticed two brake lines busted due to rust. I replaced all brake lines that had any look of rust and bleed the system but still no pressure on pedal.I replaced master cylinder with new one and did a bench bleed before installing and bleed brakes again and still no pedal. I replaced the abs module with used one because they are costly and bleed the system and still no pedal.I blocked off master cylinder with studs to make sure I didn't put in a bad one and had hard pedal telling me it was good. I blocked off the four outputs of the abs and had hard pedal. But as soon as I connect any one brake line to any one wheel the pedal goes to the floor. I have bleed it many times and no pedal. What am I missing? Just doesn't make sense.
Mar 27, 2020 at 6:54 PM
Advertisement
Avatar
JACOBANDNICKOLAS
  • CERTIFIED EXPERT
  • 110,175 POSTS
Hi,

That is odd, and my hat is off to you for how you confirmed it wasn't the master cylinder.

I assume there are no leaks. Are the front brake hoses in good condition? I have actually watched them expand in the past when pressure was applied. Also, when you bled the brakes, did you start from the wheel furthest from the master cylinder? Also, did your helper pump the pedal and then hold it as it went to the floor as you opened the bleeder and not released it until the bleeder was tight again?

If that was all done, there are no leaks, and you have a steady stream of brake fluid at each wheel, you may want to try pressure bleeding the system. Here are the directions for pressure bleeding. Note that most parts stores will lend / rent the bleeder to you.

_______________________________________________

2004 Oldsmobile Alero L4-2.2L VIN F
Hydraulic Brake System Bleeding (Pressure)
Vehicle Brakes and Traction Control Hydraulic System Brake Bleeding Service and Repair Procedures Hydraulic Brake System Bleeding (Pressure)
HYDRAULIC BRAKE SYSTEM BLEEDING (PRESSURE)
Hydraulic Brake System Bleeding (Pressure)
- Tools Required
- J 29532 Diaphragm Type Brake Pressure Bleeder, or equivalent
- J 35589-A Brake Pressure Bleeder Adapter

Notice: When adding fluid to the brake master cylinder reservoir, use only Delco Supreme 11(R), GM P/N 12377967 (Canadian P/N 992667), or equivalent DOT-3 brake fluid from a clean, sealed brake fluid container. The use of any type of fluid other than the recommended type of brake fluid, may cause contamination which could result in damage to the internal rubber seals and/or rubber linings of hydraulic brake system components.

Notice: Refer to Brake Fluid Effects on Paint and Electrical Components Notice.
See: Brakes and Traction Control > Vehicle Damage Warnings > Brake Fluid Effects on Paint and Electrical Components Notice


1. Place a clean shop cloth beneath the brake master cylinder to prevent brake fluid spills.
2. With the ignition OFF and the brakes cool, apply the brakes 3-5 times, or until the brake pedal becomes firm, in order to deplete the brake booster power reserve.
3. If you have performed a brake master cylinder bench bleeding on this vehicle, or if you disconnected the brake pipes from the master cylinder, you must perform the following steps:
3.1. Ensure that the brake master cylinder reservoir is full to the maximum-fill level. If necessary, add Delco Supreme 11(R) (GM P/N 12377967) or equivalent DOT-3 brake fluid from a clean, sealed brake fluid container. Clean the outside of the reservoir on and around the reservoir cap prior to removing the cap and diaphragm, if cap removal is necessary.
3.2. With the rear brake pipe installed securely to the master cylinder, loosen and separate the front brake pipe from the front port of the brake master cylinder.
3.3. Allow a small amount of brake fluid to gravity bleed from the open port of the master cylinder.
3.4. Reconnect the brake pipe to the master cylinder port and tighten securely.
3.5. Have an assistant slowly depress the brake pedal fully and maintain steady pressure on the pedal.
3.6. Loosen the same brake pipe to purge air from the open port of the master cylinder.
3.7. Tighten the brake pipe, then have the assistant slowly release the brake pedal.
3.8. Wait 15 seconds, then repeat steps 3.3-3.7 until all air is purged from the same port of the master cylinder.
3.9. With the front brake pipe installed securely to the master cylinder, (after all air has been purged from the front port of the master cylinder), loosen and separate the rear brake pipe from the master cylinder, then repeat steps 3.3-3.8.
3.10. After completing the final master cylinder port bleeding procedure, ensure that both of the brake pipe-to-master cylinder fittings are properly tightened.

4. Fill the brake master cylinder reservoir to the maximum-fill level with Delco Supreme 11(R) (GM P/N 12377967) or equivalent DOT-3 brake fluid from a clean, sealed brake fluid container. Clean the outside of the reservoir on and around the reservoir cap prior to removing the cap and diaphragm.
5. Install the J 35589-A to the brake master cylinder reservoir.
6. Check the brake fluid level in the J 29532, or equivalent. Add Delco Supreme 11(R) (GM P/N 12377967) or equivalent DOT-3 brake fluid from a clean, sealed brake fluid container as necessary to bring the level to approximately the half-full point.
7. Connect the J 29532, or equivalent, to the J 35589-A.
8. Charge the J29532, or equivalent, air tank to 175 - 205 kPa (25 - 30 psi).
9. Open the J 29582, or equivalent, fluid tank valve to allow pressurized brake fluid to enter the brake system.
10. Wait approximately 30 seconds. then inspect the entire hydraulic brake system in order to ensure that there are no existing external brake fluid leaks. Any brake fluid leaks identified require repair prior to completing this procedure.
11. Install a proper box-end wrench onto the RIGHT REAR wheel hydraulic circuit bleeder valve, then install a transparent hose over the end of the bleeder valve.
12. Submerge the open end of the transparent hose into a transparent container partially filled with Delco Supreme 11(R) (GM P/N 12377967) or equivalent DOT-3 brake fluid from a clean, sealed brake fluid container
13. Loosen the bleeder valve to purge air from the wheel hydraulic circuit. Allow fluid to flow until air bubbles stop flowing from the bleeder, then tighten the bleeder valve.
14. With the right rear wheel hydraulic circuit bleeder valve tightened securely, (after all air has been purged from the right rear hydraulic circuit), install a proper box-end wrench onto the LEFT FRONT wheel hydraulic circuit bleeder valve, install a transparent hose over the end of the bleeder valve, then repeat steps 12-13.
15. With the left front wheel hydraulic circuit bleeder valve tightened securely, (after all air has been purged from the left front hydraulic circuit), install a proper box-end wrench onto the LEFT REAR wheel hydraulic circuit bleeder valve, install a transparent hose over the end of the bleeder valve, then repeat steps 12-13.
16. With the left rear wheel hydraulic circuit bleeder valve tightened securely, (after all air has been purged from the left rear hydraulic circuit), install a proper box-end wrench onto the RIGHT FRONT wheel hydraulic circuit bleeder valve, install a transparent hose over the end of the bleeder valve, then repeat steps 12-13.
17. After completing the final wheel hydraulic circuit bleeding procedure, ensure that each of the 4 wheel hydraulic circuit bleeder valves are properly tightened.
18. Close the J29532, or equivalent, fluid tank valve, then disconnect the J Z9532, or equivalent, from the J 35589-A.
19. Remove the J35589-A from the brake master cylinder reservoir.
20. Fill the brake master cylinder reservoir to the maximum-fill level with Delco Supreme 11(R) (GM P/N 12377967) or equivalent DOT-3 brake fluid from a clean, sealed brake fluid container.
21. Slowly depress arid release the brake pedal. Observe the feel of the brake pedal.
22. If the brake pedal feels spongy perform the following steps:
22.1. Inspect the brake system for external leaks.
22.2. If equipped with Antilock Brakes, using a scan tool, perform the antilock brake system automated bleeding procedure to remove any air that may have been trapped in the BPMV.

23. Turn the ignition key ON, with the engine OFF Check to see if the brake system warning lamp remains illuminated.
24. If the brake system warning lamp remains illuminated, DO NOT allow the vehicle to be driven until it is diagnosed and repaired. Refer to Symptoms - Hydraulic Brakes.

Let me know if that helps or if you have other questions. Chances are you are missing something simple. Here is a link that shows general causes of the brake pedal to reach the floor. It may have something helpful.

https://www.2carpros.com/articles/brake-pedal-goes-to-the-floor

I will watch for your reply.

Joe
Mar 27, 2020 at 7:18 PM
Avatar
KELLY2986
  • MEMBER
  • 6 POSTS
Thank you for your help. Okay, as far as bleeding the system I used two methods. First I had help with pumping and holding brake as I went to each wheel and open bleeder then closing bleeder before he takes foot off the brake.. I did this till no air come out of each wheel. But he has no pressure at all. It goes to the floor even after pumping and I never gain any pressure on pedal after all 4 are bled. Also noticed when I get fluid conning out it is not a good hard stream as I am use to. Then I tried another method using a bottle and a hose and just open the valve and pump the brakes till no bubbles are seen and making sure master cylinder keeps full.I went through two bottles of fluid on all 4 wheels to make sure no air was seen. Still no progress on pedal pressure. I did think of the hoses and inspected all 4 and all look good. I am reading on line that a scan tool is needed to auto bleed air out of the ABS module. I really don't understand what goes on in there as far as bleeding. I understand the function and how it works but not much info on how it would bleed itself. Also when I replaced the ABS all 4 wheel outputs are labeled but the two from master cylinder is not. I could have passable put these on wrong but understanding how it works it shouldn't matter because the left front and right rear are operated by one part of the master and the right front and left rear by the other. I keep thinking I have air in system or the ABS I bought is bad since it was used.
Mar 28, 2020 at 5:07 AM
Advertisement
Avatar
JACOBANDNICKOLAS
  • CERTIFIED EXPERT
  • 110,175 POSTS
Hi,

On a 2004, I'm not seeing the auto bleed as an option. As far as the mater cylinder, are you sure it is fully seated against the vacuum booster? The idea that the there isn't a heavy flow when bleeding makes me question if it is fully depressing the piston inside the master cylinder.

Now, usually the brake lines that attach to the master cylinder are easy to tell where they go because they are steel and stay in the position in which they were removed. If you switched them, it could make a difference, but I would think you would get a pedal.

Long story short. If you are getting a weak stream of brake fluid when bleeding and there is no air in the system, it sounds like the new master cylinder is bad. With the engine off, are you able to pump up the pedal or does it still go to the floor? When you bled the system, did you start from the right rear and then work left rear, right front, left front procedure? When you checked the rubber hoses, did someone watch them while pressure is applied to the pedal to make sure they don't expand?

It sounds like you got the air out. Here are the directions for removal and replacement of the ABS module. Note that at the end, it simply says reconnect the battery and nothing about an automatic bleed. See if there is anything in these directions you may have missed.

_________________________________________________

2004 Oldsmobile Alero L4-2.2L VIN F
Brake Pressure Modulator Valve (BPMV) Replacement
Vehicle Brakes and Traction Control Hydraulic System Hydraulic Control Assembly - Antilock Brakes Service and Repair Removal and Replacement Brake Pressure Modulator Valve (BPMV) Replacement
BRAKE PRESSURE MODULATOR VALVE (BPMV) REPLACEMENT
Brake Pressure Modulator Valve (BPMV) Replacement

Removal Procedure


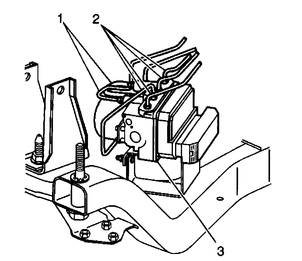
pic 1


Caution: For safety reasons, the brake pressure modulator valve assembly must not be repaired, the complete unit must be replaced. With the exception of the EBCM, no screws on the brake pressure modulator valve assembly may be loosened. If screws are loosened, it will not be possible to get the brake circuits leak-tight and personal injury may result.

1. Remove the battery.
2. Remove the battery tray.

Important: Note the locations of the brake pipes in order to aid in installation.

3. Disconnect the caliper and wheel cylinder brake pipes (2) from the BPMV (3). Cover the ends of the brake pipes to avoid dripping or contamination.
4. Disconnect the master cylinder brake pipes (1) from the BPMV (3). Cover the ends of the brake pipes to avoid dripping or contamination.
5. Raise and support the vehicle on a suitable hoist. Refer to Vehicle Lifting.
6. Remove the front engine splash shield.
7. Remove the left engine splash shield.


pic 2


8. Disconnect the Connector Position Assurance (CPA) (2) from the EBCM connector.
9. Push the lock tab (1) down and then move the sliding connector cover to the open position.


pic 3


10. Disconnect the EBCM harness connector (2) from the EBCM (1).


pic 4


11. Remove the BPMV retaining nut (2).
12. Remove the EBCM/BPMV assembly (3) from the vehicle.


pic 5


13. Remove the EBCM (1) from the BPMV (2).

Installation Procedure


pic 6


Notice: Refer to Fastener Notice in Service Precautions.

1. Install the EBCM(1) to the BPMV(2).
^ Tighten the four screws that connect the EBCM(1) to the BPMV(2) to 5 Nm (44 inch lbs.).


pic 7


2. Install the EBCM/BPMV assembly (3) to the vehicle.
3. Install the BPMV retaining nut (2).
^ Tighten the retaining nut to 10 Nm (7 ft. lbs.).


pic 8


4. Connect the EBCM harness connector (2) to the EBCM(1).


pic 9


5. Push down the lock tab (1) and then move the sliding connector cover back in the home position to lock.
6. Insert the CPA (2) back into place.
7. Install the left engine splash shield.
8. Install the front engine splash shield.
9. Lower the vehicle. Refer to Vehicle Lifting.


pic 10


Caution: Make sure brake pipes are correctly connected to brake pressure modulator valve. If brake pipes are switched by mistake, wheel lockup will occur and personal injury may result. The only two ways this condition can be detected are by using a Scan Tool or by doing an Antilock stop.

10. Connect the master cylinder brake pipes (1) to the BPMV (3).
^ Tighten the brake pipe fittings to 23 Nm (17 ft. lbs.).
11. Connect the caliper and wheel cylinder brake pipes (2) to the BPMV (3).
^ Tighten the brake pipe fittings to 23 Nm (17 ft. lbs.).
12. Install the battery tray.
13. Install the battery.

______________________________

Let me know.

Joe
Mar 28, 2020 at 4:06 PM
Avatar
KELLY2986
  • MEMBER
  • 6 POSTS
Thanks Joe for great ideas. Yes I inspected each hose for swelling when pedal was pushed. I also started bleeding from right rear then left front ECT. Also was bleeding with engine off and when you pump pedal Then the last push it goes right to floor. Strangest thing I ever saw. Took off all wheels thinking I had a leak someplace but found nothing and master cylinder stays at fluid level. I kept thinking I had air trapped in the ABS and kept bleeding but no progress. Okay, you got me thinking about the booster or the master cylinder. I couldn't find any good diagrams of the booster with the master cylinder off. Something could have dropped that I didn't notice when I took off the master cylinder. Also since I read this I took off the master cylinder and did a bench check with the old one and they compare with good stream of fluid from both ports. I guess I could be comparing a bad cylinder with a bad cylinder. Now I have some pressure gauges I could rig up and read the pressure if I knew what the pressure should be. But just looking they both seem good. But if I install the master cylinder and block off both ports and push on pedal with little travel and hard pedal wouldn't that tell me both are good? Then if I connect the master to the ABS but block off all 4 outputs and press on the pedal with little travel and hard pedal wouldn't that tell me the ABS is good too with no air. Then if I connect each wheel one at a time and bleed till I get a hard pedal wouldn't I be making progress? If you agree with my logic I will try this next. But I did all this before and when I connected just the left front the pedal went to the floor. But i am going to try this all again unless you have good idea for me.
Mar 28, 2020 at 8:58 PM
Avatar
JACOBANDNICKOLAS
  • CERTIFIED EXPERT
  • 110,175 POSTS
Hi,

Everything you said makes total sense. I rechecked and see nothing for auto bleeding the module, so I have to suspect it doesn't exist on this model. I checked both Alldata and Mitchel 1.

I attached a few pics below. The first shows the push rod between the brake pedal in the car and through to the booster. Make sure nothing is bend or not seated properly. However, I doubt this is the issue because you mentioned by plugging the MC you get a good pedal. The second pic simply is from a different point of view.

I know there are systems which require the module to be actuated via a scanner. I will look further into that. It doesn't indicate it for this vehicle, but what you describe sounds like there must be an issue within the module. If you open the lines out from the module, is there any air? Also, some of these had bleeders on the module unit itself. I don't think this one did, but I'm asking just in case.

Let me know.
Joe
Mar 28, 2020 at 9:58 PM
Avatar
KELLY2986
  • MEMBER
  • 6 POSTS
Thanks Joe.

I will check that push rod today . And also when I had the master connected to the ABS with all 4 outputs blocked I had a hard pedal with little travel then I hooked up the left front because it is the shortest and the pedal went to the floor so I figured I had a lot of air in that line so I started to bleed it and it did have air but when I got all the bubbles out it still went to the floor. Now I was bleeding by myself with the bottle method where you have fluid in a bottle and a clear hose attached to the bleeder valve and you open the valve and pump the brakes till you see no more bubbles in the hose. I have never used that method before but my assistant (wife) was just about sick ask I was working on this car. But now that I think about it after I did that I noticed some wetness around the ABS that I didn't see before. It is in a tight spot so I am going to take that back out today and compare it to my old one. Then start over again..
Mar 29, 2020 at 5:03 AM
Avatar
KELLY2986
  • MEMBER
  • 6 POSTS
Hey Joe.

I checked the push rod and its not bent and fits tight to the master cylinder. So I blocked off master cylinder after bench bleeding again and reinstalled it to the booster. Then I check pedal travel and it was minimal with hard pedal so I am pretty sure I am good to this point. I removed the Abs again and compared it to my old one. There is no place to bleed it but I noticed the used one I ordered has a different part number than the original. When I ordered it they say it fits my Alero but the one they sent part number is for a Chevrolet Grand Am. They look exactly alike but since I have had it in and out several times some of the threads look stripped. So i emailed the company and they are sending another free of charge. Nice of them to do that. So I will let you know what happens when I install it and see if maybe I had a leak there I didn't notice but don't think that was the case.
Mar 29, 2020 at 5:31 PM
Avatar
JACOBANDNICKOLAS
  • CERTIFIED EXPERT
  • 110,175 POSTS
Hi,

Let me know when you get it. I have to be honest, with things the way they are with technology, the one they sent may have been the issue. Anytime I switch things like this with a different part, I make sure it's the same part number. I hope that is all it is.

Let me know.

Joe
Mar 29, 2020 at 6:12 PM
Avatar
KELLY2986
  • MEMBER
  • 6 POSTS
Hey Joe,

Here is the rest of the story: I received another ABS today and installed it. Right away even with air in the system I had some pedal . I started to bleed and it went like clock work. Each wheel gave me more hard pedal and when I was done it was back to normal with little travel. Not being satisfied I set up a test on the bench with my old master cylinder, which is actually good but dirty, and both ABS units. I started with the original and hooked it up to the master cylinder and cap off three of the outputs and left one open with a fitting and a clear plastic hose so I can see the output flow. It was very slow with little volume. I checked the other three outputs and only one had good flow. Guessing inside was blocked with crud or rust or a valve stuck or something. The other one pretty much did the same but two outputs had good flow. That explains why I didn't see good flow when I was bleeding. Anyway bottom line I had a bad Abs and installed a bad ABS. Drove me nuts for awhile and sure helps to talk with someone to get other ideas. Thanks.
Apr 1, 2020 at 6:56 PM
Avatar
JACOBANDNICKOLAS
  • CERTIFIED EXPERT
  • 110,175 POSTS
If I was of any help at all, you're welcome. However, you figured this one out. Wow, anything to make thing more difficult. I'm glad to hear you got it fixed. So it was the BPMV the entire time. Ugh!

Regardless, I'm glad it's going again. I appreciate you replying back because I'm certain your response will help others in the future.

Please feel free to come back anytime you need help in the future.

Joe
Apr 1, 2020 at 7:02 PM