Brake Pedal Position Sensor ABS and Parking Brake Lights?

2005 CHEVROLET TAHOE
200,000 MILES • 5.3L • V8 • 2WD • AUTOMATIC
Avatar
TSCOTT5
  • MEMBER
  • 11 POSTS
I was having an issue where my cruise control stopped functioning, as well as my back brake lights. Fuses and bulbs were all intact, so I narrowed it down to the brake pedal position sensor mounted to the brake pedal, and replacing it fixed my back brake lights, but not the cruise control. However, after replacing the sensor, the ABS and Parking brake lights are always illuminated. Any ideas? Is there some sort of reprogramming that needs to be done? And as an added bonus, if I could get my cruise control back that would be great.
Jun 30, 2025 at 6:28 AM
Advertisement
Avatar
STRAILER
  • CERTIFIED EXPERT
  • 53,855 POSTS
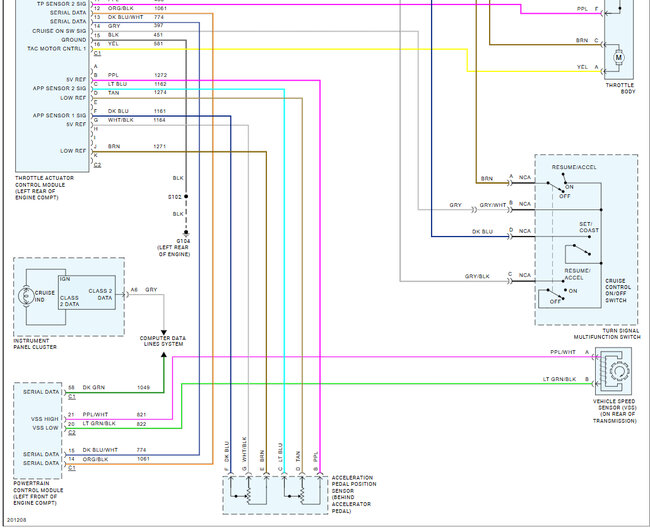
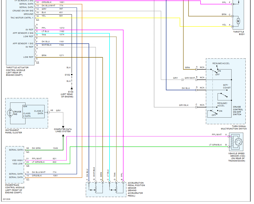
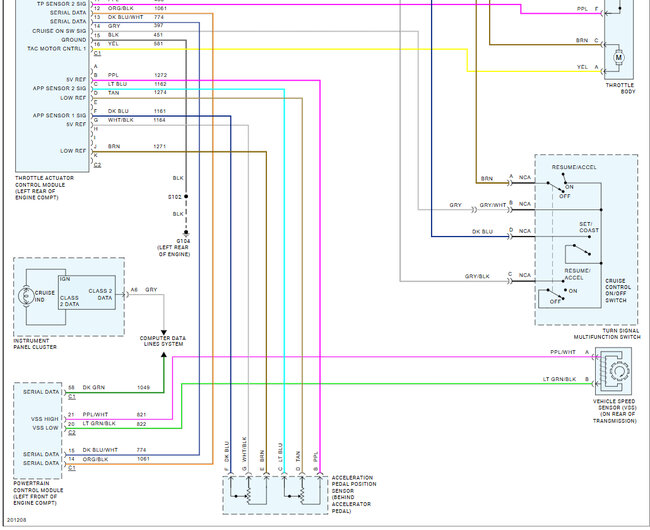
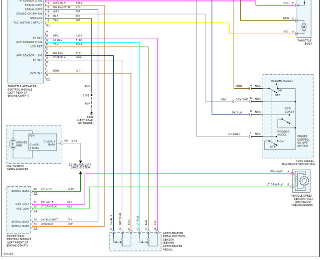
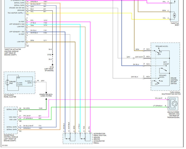
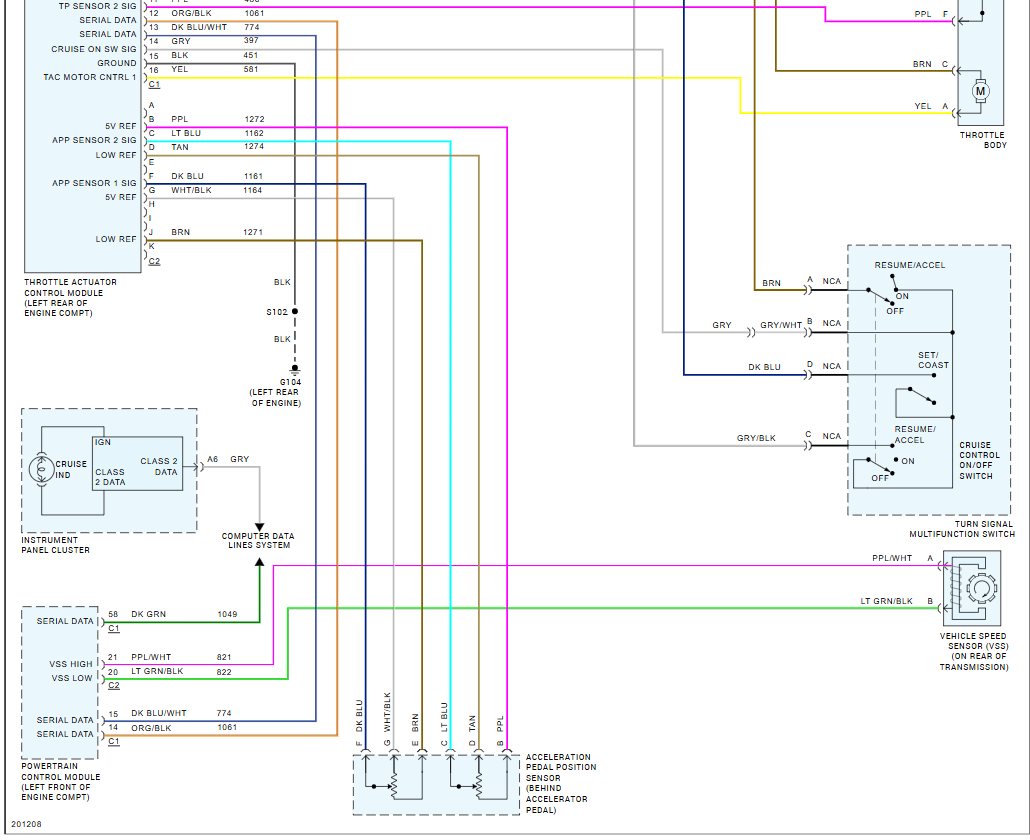
I would start by checking the VEH stop fuse on the left side of the dash, the ETC/ECM and STOP LPS fuse int he fuse panel under the hood, and lastly the CRUISE fuse which is in the left side interior fuse panel as well, this guide can help and I included the cruise control wiring diagrams so you can see how the system works.

https://www.2carpros.com/articles/how-to-check-a-car-fuse

Also, did you use and name brake replacement part? Check out the images (below). Please let us know what happens.
Jun 30, 2025 at 11:13 AM
Avatar
TSCOTT5
  • MEMBER
  • 11 POSTS
Okay, I went through all the fuses you named above, and they were all intact. But just in case I checked the Brake 10A fuse in the left interior fuse box and it was blown. Replacing that fixed the always on ABS and emergency brake lights. Still no cruise control though.

For the brake pedal sensor I used a NAPA brand part, not an OEM. Maybe my cruise control issue is separate from the brake pedal issue? To confirm, currently brake lights work fine, no dash warning lights, just no cruise.
Jun 30, 2025 at 6:15 PM
Advertisement
Avatar
STRAILER
  • CERTIFIED EXPERT
  • 53,855 POSTS
So to confirm the brake lights are not on while driving? If not, can I ask if the cruise light is coming on?
Jul 1, 2025 at 5:44 PM
Avatar
TSCOTT5
  • MEMBER
  • 11 POSTS
The brake lights are on while driving and function normally. The Cruise light does not come on when I press the button to engage. If it's of any help, when the cruise first went out it was a little intermittent and would kick off when we get a bit of a bump in the road.
Jul 1, 2025 at 5:59 PM
Avatar
STRAILER
  • CERTIFIED EXPERT
  • 53,855 POSTS
hmm,, nice clue :) Do you have a "check engine" light on? If so, the problem can be the throttle actuator. If not, I would lean towards the switch, this is a connection problem which can be tough to track down. I can provide the wiring diagrams and a guide if you want to test the wiring and connections?
Jul 1, 2025 at 6:36 PM
Avatar
TSCOTT5
  • MEMBER
  • 11 POSTS
No check engine light! I haven't noticed any throttle issues, maybe a little odd once and a while at idle when it first starts up, but I might just be imagining that. I was hoping it wouldn't be wiring haha. Yes, diagrams would be great. thank you!
Jul 1, 2025 at 6:52 PM
Avatar
STRAILER
  • CERTIFIED EXPERT
  • 53,855 POSTS
Yep, it sounds like a loose ground or the switch but here is the check wiring guide and the cruise control wiring diagrams so you can see how the system works and which wires to test.

https://www.2carpros.com/articles/how-to-check-wiring

Check out the images (below). Please let us know what happens.
Jul 2, 2025 at 10:12 AM