Okay, that's a more advanced DIY level tool. However, it may still lack all of the tests and PID displays. Very common, it's why I have a stack of scan tools. Not uncommon to find that one covers a particular vehicle better than the other. Or that one has a test or program function the other doesn't. Even the factory tool have gaps like that.
Looking online I see they claim it cannot do the parking brake reset. Which is what I was going to suggest you try to see if the EPB module was communicating properly.
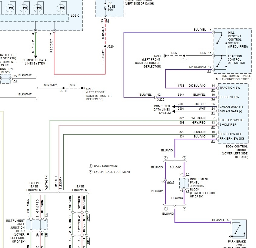
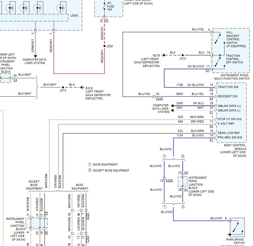
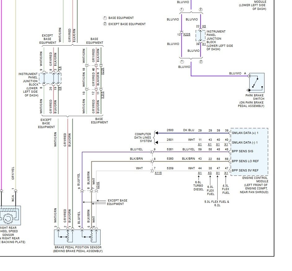
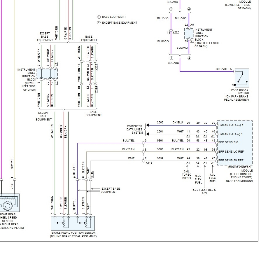
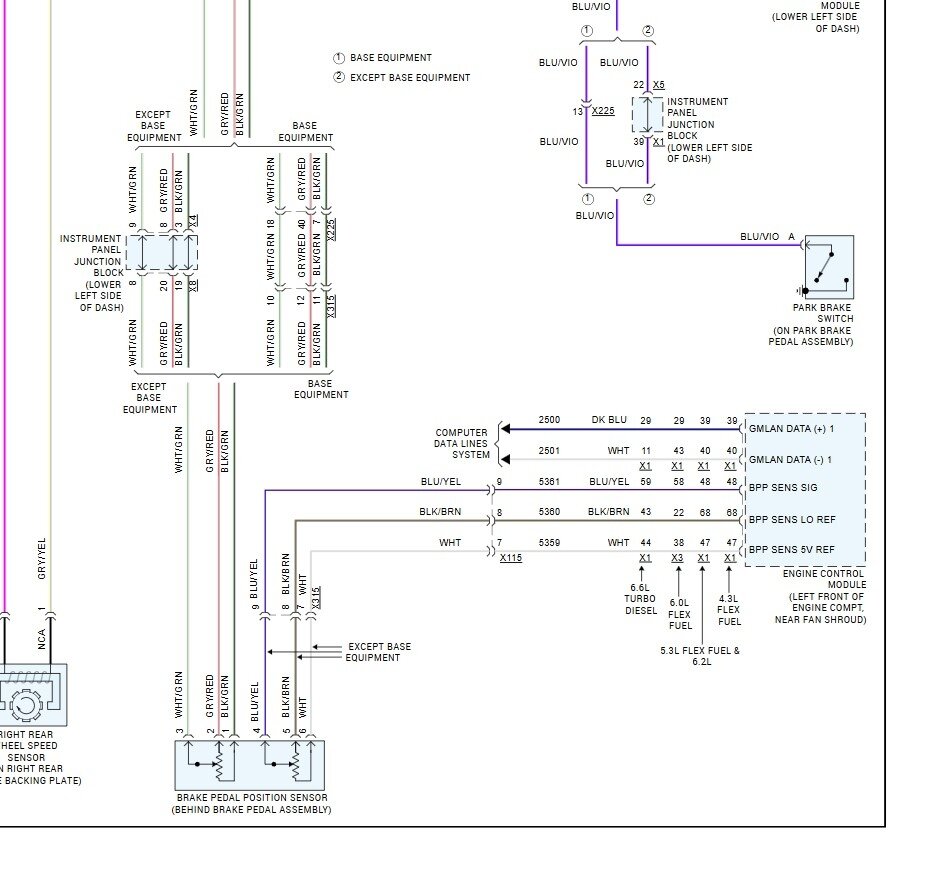
So, we can go with a bit more old school. Attached are the wiring for the sensor. It is essentially 2 potentiometers in one housing. If you pull the connector off and use a meter for testing, you should measure 5 volts on the White wire at pin 6 and at the gray wire with red stripe at pin 2. There should be a ground at pins 1 Black w green and 5 black with brown.
Pins 3 and 4 are the signal voltages out to the BCM and the ECM. Probably the easiest way to test those would be to measure the voltages by back probing each pin with the sensor installed. To do that you need something like a sewing needle that you push into the connector to hit the metal pins from the outside, it allows you to measure the item with it in circuit and powered.
This video is a good one for that process and that kit shown is very handy as well:
https://www.youtube.com/watch?v=TS9Dr1Rx6Lk
Now you measure the 5 volts at the pins with it disconnected. Measure again with it connected, do you still have the same voltage? If not, there is a problem between the connector and the BCM or ECM, to tell which just look at the wire color the White wire comes from the ECM, the gray with red comes from the BCM. Similar testing with the grounds. Then check the signal outputs. Those should show a voltage between 5 volts and ground if they can go full travel, but most don't move that far (that is what the reset does, it erases the BCM and ECM values for upper and lower voltages so they can learn the voltages from the actual sensor installed.) So, you measure the voltages from the two signal pins. Then go to the ECM and see if it has the same readings at its end. Same with the BCM. If you have the 5-volt reference at the sensor with it plugged in, and the grounds are good at the sensor. You should be able to determine if it's the sensor, the wiring or the BCM or ECM using the numbers you get.
Images (Click to enlarge)
Mar 26, 2025 at 7:03 PM