Brake/park light will not work on driver side only

2005 DODGE MAGNUM
80,000 MILES • 5.7L • V8 • 2WD • AUTOMATIC
Avatar
CLEYELLA
  • MEMBER
  • 1 POST
At first I had only the park light working, but no brake light, replaced the bulb. now no park/brake light on the driver side rear. The passenger side works fine. What could it be, wouldn’t a fuse operate both lights? I’m confused. also I’m not real good with electrical or diagrams. So explain it as if you were talking to student for the first time.
Jul 20, 2019 at 9:00 PM
Advertisement
Avatar
STRAILER
  • CERTIFIED EXPERT
  • 53,854 POSTS
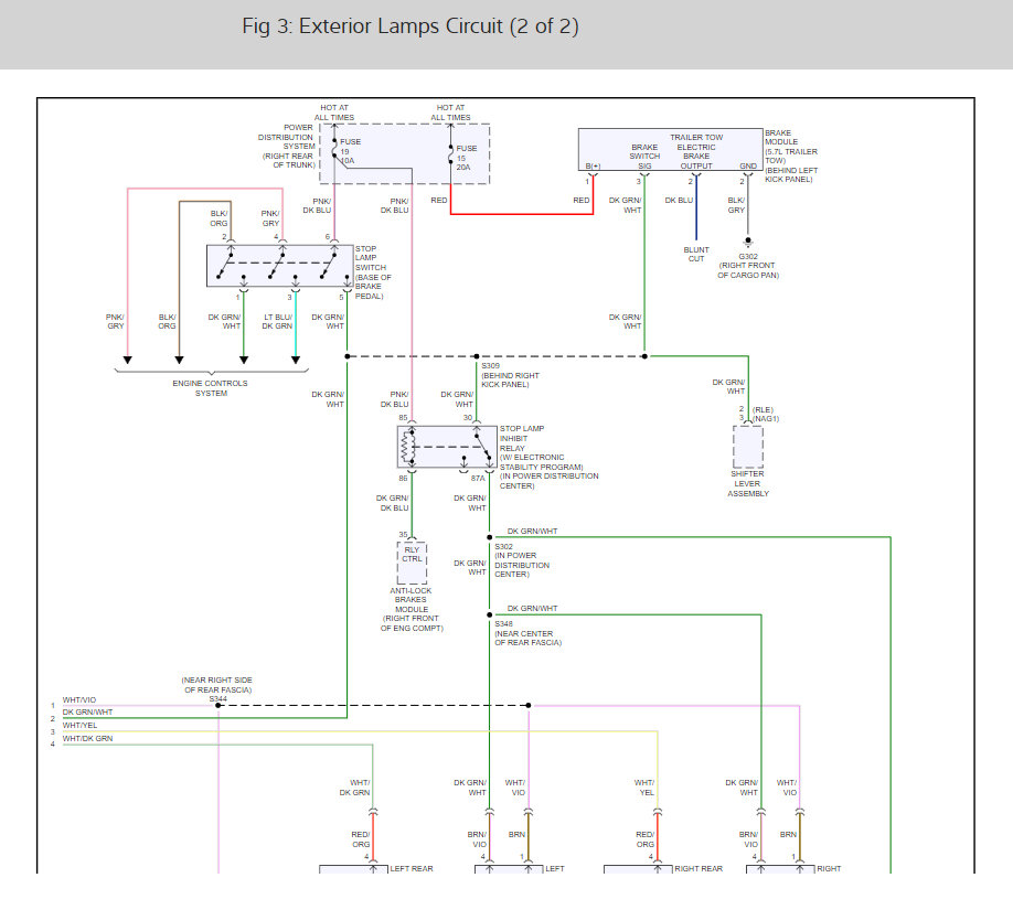
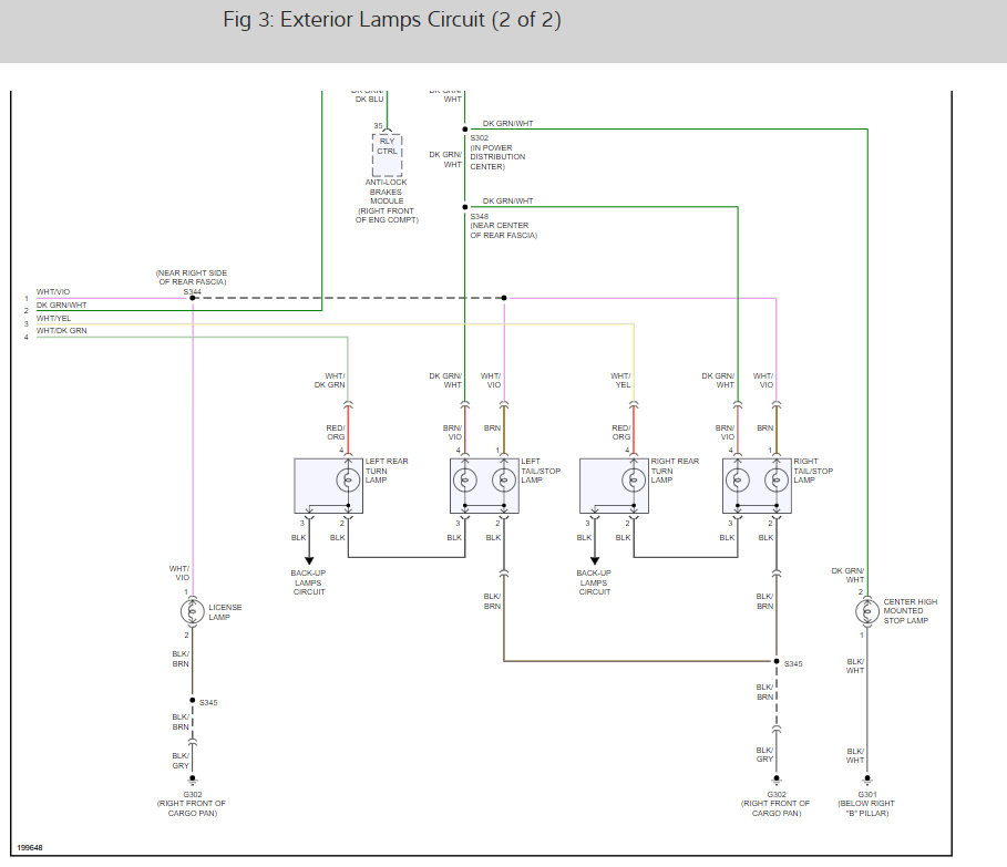
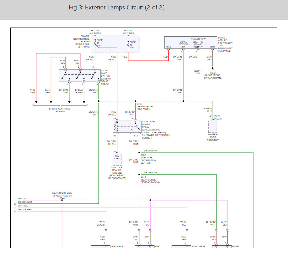
It sounds like you have a front module that is out but to be sure here is a guide to help you test for power and the brake/running light wiring diagrams so you can see how it works and which fuses to test. I have also included the fuse locations as well.

https://www.2carpros.com/articles/how-to-check-a-car-fuse

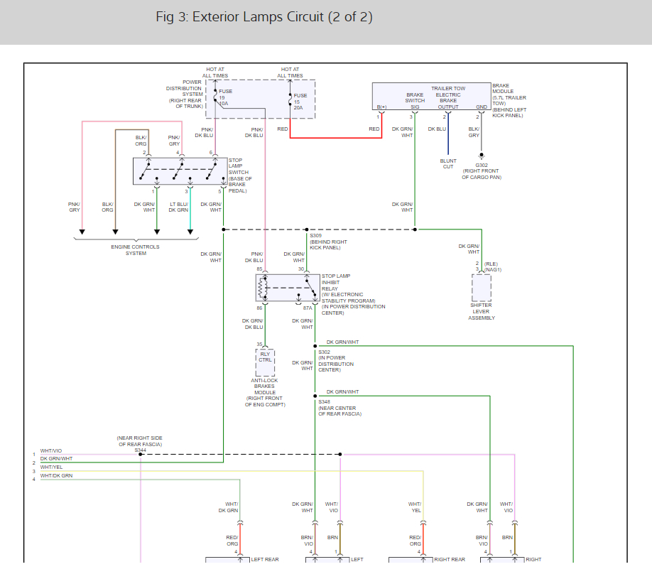
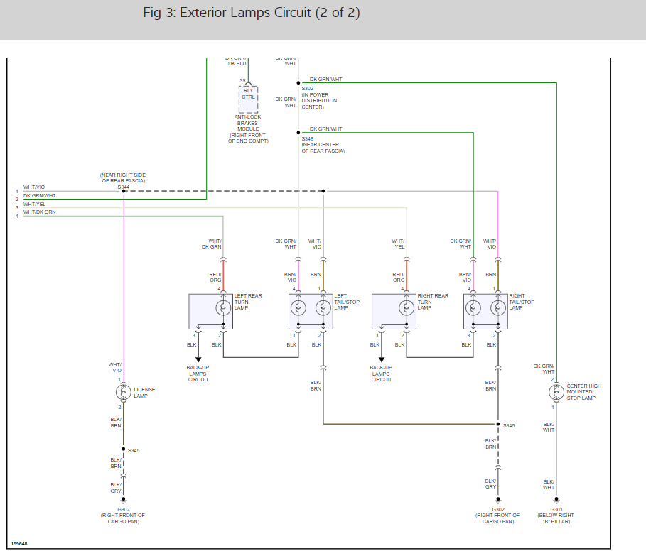
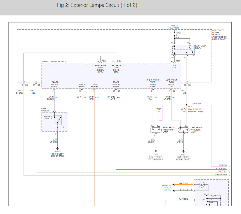
Check out the diagrams (below). Please let us know what you find. We are interested to see what it is.
Jul 22, 2019 at 11:58 AM