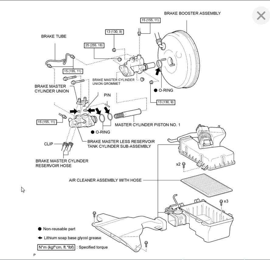
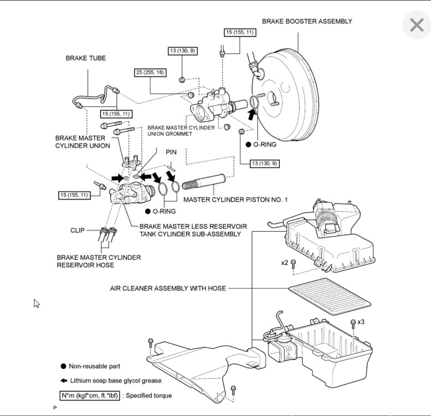
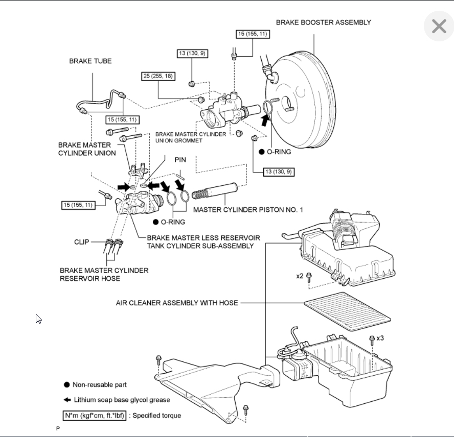
Replaced master cylinder about 3 years ago because brake pedal was going down too far before engaging. Got somewhat better after replacement but never got back to where it was when we first bought van. Recently noticed pedal going even further to floor before engaging. If I pump them, she holds nicely and pedal comes up 2-3 inches and does not fade. Recently cleaned out all fluid from reservoir and thoroughly bled all brake lines. No leaks. Also recently replaced rear disk brakes, three years old but were not wearing evenly, so also replaced calibers.. re-bled system. Pedal at same low level considering replacing master cylinder again since your description of problem seemed to align with pumping and faulty seals in unit. Also considered replacing Brake Booster, since I replaced master cylinder three years ago and did not seem to totally correct problem, although booster seems to be engaged when I step on brake when performing booster test. Any thoughts on the matter? Thanks, Henry Burmeister
Dec 28, 2020 at 8:37 AM





