Good evening,
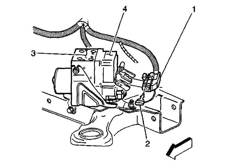
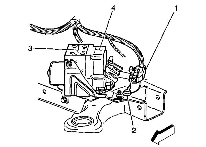
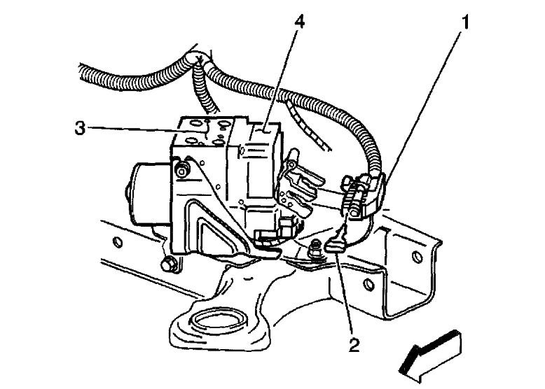
You would need to secure the line from either the dealer or a parts store and replace.
The hard part will be the bleeding procedure. The ABS requires a scan tool to perform the automated bleeding procedure to get the air out of the unit.
Roy
Automated Bleed Procedure
Notice: The Auto Bleed Procedure may be terminated at any time during the process by pressing the EXIT button. No further Scan Tool prompts pertaining to the Auto Bleed procedure will be given. After exiting the bleed procedure, relieve bleed pressure and disconnect bleed equipment per manufacturer's instructions. Failure to properly relieve pressure may result in spilled brake fluid causing damage to components and painted surfaces.
1. Raise the vehicle on a suitable support. Refer to Vehicle Lifting.
2. Remove all four tire and wheel assemblies.
3. Inspect the brake system for leaks and visual damage. Refer to Brake Fluid Loss or Symptoms - Hydraulic Brakes. Repair or replace as needed.
4. Inspect the battery state of charge.
5. Install a scan tool.
6. Turn ON the ignition, with the engine OFF.
7. With the scan tool, establish communications with the EBCM. Select Special Functions. Select Automated Bleed from the Special Functions menu.
8. Bleed the base brake system.
9. Follow the scan tool directions until the desired brake pedal height is achieved.
10. If the bleed procedure is aborted, a malfunction exists. Perform the following steps before resuming the bleed procedure:
^ If a DTC is detected, refer to Diagnostic Trouble Code (DTC) List and diagnose the appropriate DTC.
^ If the brake pedal feels spongy, perform the conventional brake bleed procedure again.
11. When the desired pedal height is achieved, press the brake pedal in order to inspect for firmness.
12. Remove the scan tool.
13. Install the tire and wheel assemblies.
14. Inspect the brake fluid level.
15. Road test the vehicle while inspecting that the pedal remains high and firm.
Feb 20, 2019 at 2:41 PM