Brake lights will not turn off?

2013 KIA SPORTAGE
71,000 MILES • 2.0L • 4WD • AUTOMATIC
Avatar
MELISSAMILES1993
  • MEMBER
  • 2 POSTS
Hi,

Soon as I connect the battery comes on the brake lights stay on even with the key out. We tried brake switch and seemed to be same problem. I've seen online where it could be a rubber bit on the brake switch but seeing that the brake switch replaced it can't be that or could it? The fluid isn't low either as we checked so I'm not sure what it could be.
Nov 6, 2022 at 7:38 AM
Advertisement
Avatar
STRAILER
  • CERTIFIED EXPERT
  • 53,855 POSTS
So, this is the brake lights and not the brake warning light, correct? If so the brake light switch with be our first stop on fixing the problem, here is how to replace it in the images below. Here is a video of the job being done with specific instructions in the images below.

https://youtu.be/RBCDVfzNQGk

Check out the images (below). Please let us know if you need anything else to get the problem fixed.
Nov 7, 2022 at 9:35 AM
Avatar
MELISSAMILES1993
  • MEMBER
  • 2 POSTS
Hi,

Thanks for your reply, it's not the brake switch as had it replace, and the lights still stay on and also can see it flicker the lights slightly when brake is pressed so can see the brake switch works. so, not sure what it could be.
Nov 7, 2022 at 9:44 AM
Advertisement
Avatar
STRAILER
  • CERTIFIED EXPERT
  • 53,855 POSTS
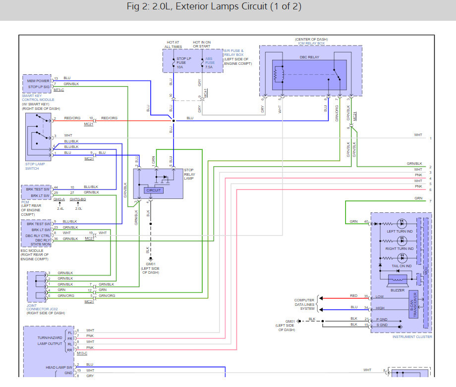
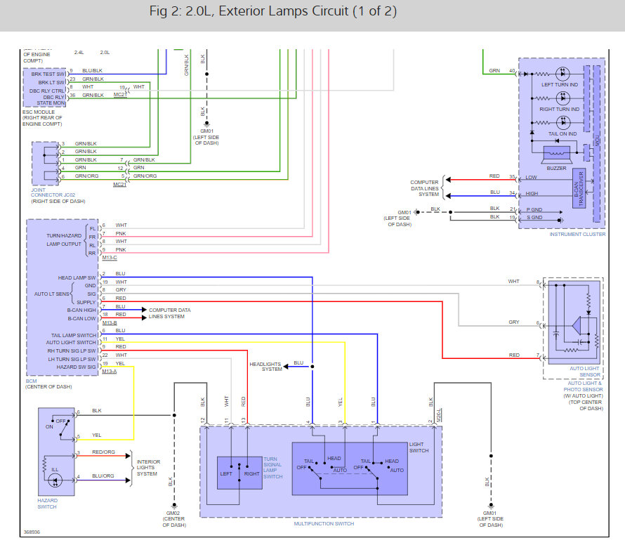
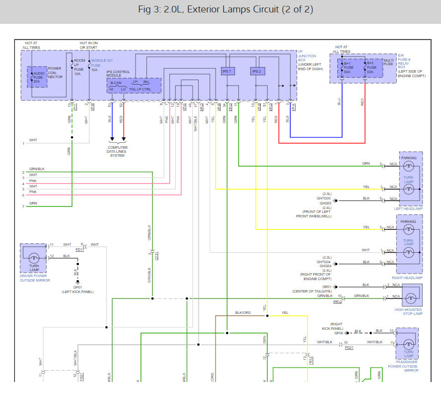
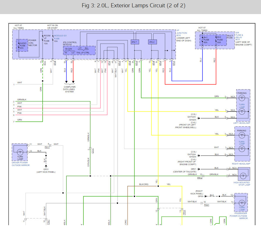
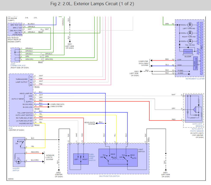
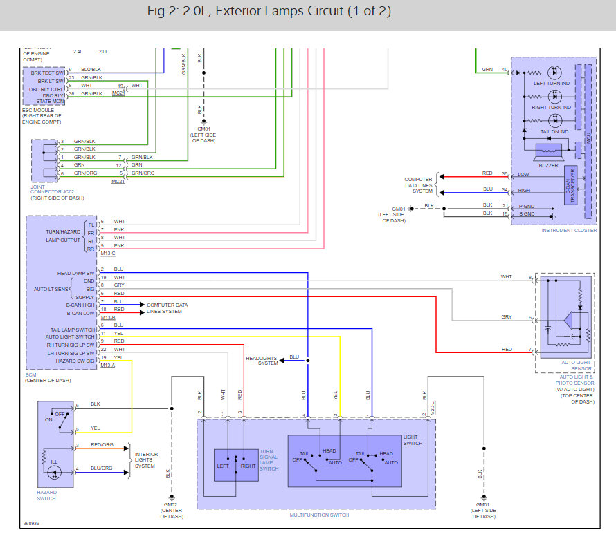
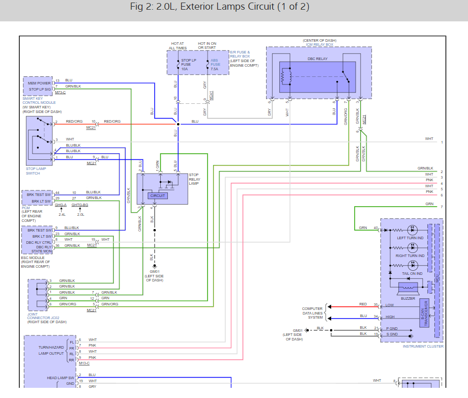
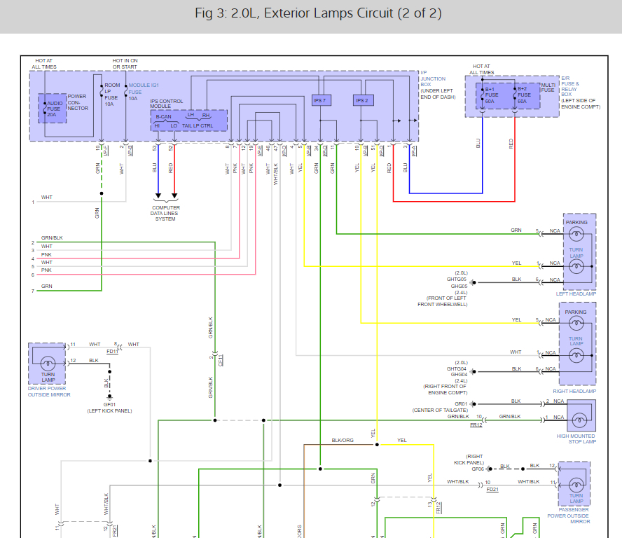
Sorry about that, here are the brake light wiring diagrams so you can see how the system works and it looks like the system is controlled by a DBC relay inside the ICM relay box which is what I would replace first. The relay is interrogated into the ICM relay box so the unit will need to be replaced. Here is the location of the relay so you can swap it out. Check out the images (below). Please let us know what happens.

Nov 8, 2022 at 9:48 AM