Brake lights will not turn off

2007 SUBARU IMPREZA
209,500 MILES • 2.5L • 4 CYL • 4WD • MANUAL
Avatar
GLEN HODSON
  • MEMBER
  • 1 POST
I am unable to get my brake light to go out. I replaced the brake light switch and they still sat on. I tested it prior to reinstalling, so i know it is not an adjustment issue.

How do I check for the issue? Voltage check? Do you have a wiring diagram?
Nov 22, 2019 at 12:33 PM
Advertisement
Avatar
JACOBANDNICKOLAS
  • CERTIFIED EXPERT
  • 110,175 POSTS
Hi,

If the light will not turn off, even with the brake light switch disconnected, chances are you have a short to power. Basically, power is being supplied to the brake lights via an unknown power source.

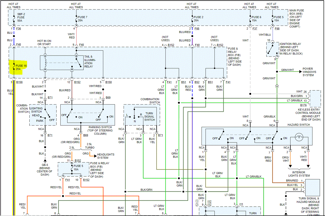
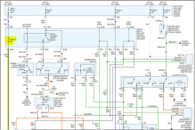
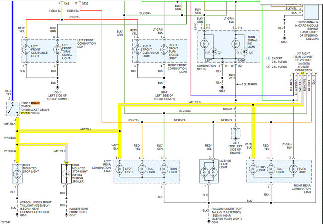
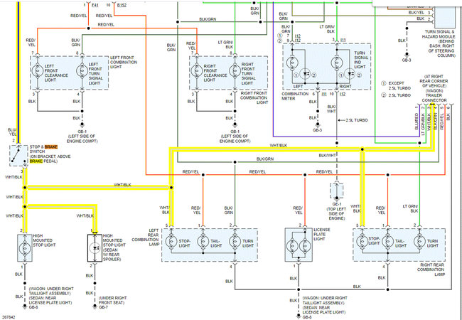
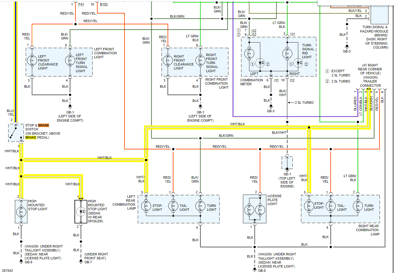
I attached the entire schematic below for the exterior lighting system. To help, I highlighted all the wiring related to the brake lights.

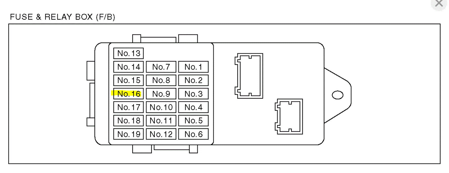
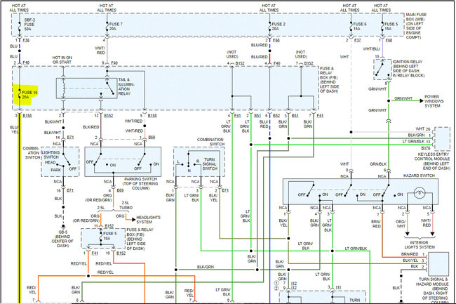
Here is what I suggest. If the lights are on, first remove the fuse for the brake lights. It is in the vehicle, left side under dash. See pic 3 below for location.

If the lights refuse to turn off with fuse 16 removed, then remove one fuse at a time near that fuse while a helper watches to see if the lights turn off. If they do, then we need to focus on the circuit of the affected fuse.

Here is a link you may find helpful when testing wiring:

https://www.2carpros.com/articles/how-to-check-wiring

I hope this helps. Let me know if you have other questions.

Take care,

Joe

See pics below.
Jul 16, 2021 at 9:32 PM