Now all brake lights just stopped

2014 HYUNDAI SONATA
110,000 MILES • 0.5L • 4 CYL • AUTOMATIC
Avatar
ANNA MARIE INGRAM BIRD
  • MEMBER
  • 1 POST
Firstly, I always change my bulbs myself but one bulb on left while facing back of car broke inside housing. Bulb came out bulb housing still stuck inside. Kept driving for months like that. Now all lights just stopped. Got broken piece out replaced two brake bulbs in trunk. Now all three including inside car back window light is out. Is this just a fuse and I have looked at diagrams but still unsure if it's one or three fuse issue. Thanks
Oct 3, 2019 at 6:19 AM
Advertisement
Avatar
JACOBANDNICKOLAS
  • CERTIFIED EXPERT
  • 110,175 POSTS
Welcome to 2CarPros.

Since the bulb was broken, something may have shorted and blown a fuse. There are two I need you to check. One is in the passenger room fuse box and the other is under the hood in that fuse box. See the two attached pictures. this guide can help

https://www.2carpros.com/articles/brake-lights-not-working

If the fuses are good, next we need to check the brake light switch. Here are directions for removal and replacement. Note that I'm not saying to replace it, but rather the directions are for identifying it and confirming it's properly adjusted and connected.

BRAKE SWITCH - REPAIR PROCEDURES

Removal

1. Turn ignition switch OFF and disconnect the negative (-) battery cable.
2. Remove the lower crash pad.

3. Disconnect the stop lamp switch connector (B).

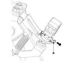
4. Pull the locking plate (A) as indicated by the arrow.

5. Turn stop lamp switch 45° counterclockwise and remove it.

Installation

1. Fix the brake pedal arm and insert fully the stop lamp switch as hiding contact part.

2. After inserting, turn the stop switch (A) 45° clockwise, and then assemble locking plate (B) by pushing.

3. Confirm the gap between stop lamp switch and bracket.

Stop lamp clearance :1.0 - 2.0 mm (0.04 - 0.08 in.)

4. Connect the stop lamp switch connector.

NOTE:
If the gap between stop lamp switch and bracket is not 1.0 - 2.0mm(0.04 - 0.08in), perform the above process again.

5. Install the lower crash pad.

If everything seems okay with the switch, confirm there is power to it. If there is, actuate the switch and see if there is power out.

Here are a few links you may find helpful:


https://www.2carpros.com/articles/how-to-check-a-car-fuse


https://www.2carpros.com/articles/how-to-check-wiring

Check out the diagrams (Below). Let us know what happens and please upload pictures or videos of the problem.
Oct 3, 2019 at 6:19 PM