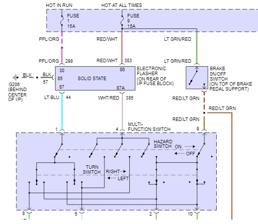
I just looked the diagram over.
Then I screenshot it and added notes.
Looks like the brake pedal switch is the only thing that could turn them off or on.
To verify this, Do they go off if you unplug the switch?
If so, it's the switch or the mechanics of the pedal linkages keeping the switch activated.
This type of switch is a pain and sometimes tricky to install.
As the pedal is pushed in there is kind of a cam action happening that "makes" the switch (turns the switch on).
If there is/ was a plastic/ rubber bushing for the switches hole, insure it is not missing, cut or badly worn.
I found a video for a Ford that might aid you in rechecking your installation.
https://www.youtube.com/watch?v=WXOtWVSaL-E
Diagram I got from "Prodemand" is below.
Let us know what you find!
The Medic
Jul 5, 2018 at 7:22 PM