Brake lights not working with new bulbs

2014 KIA OPTIMA
66,500 MILES • AUTOMATIC
Avatar
KHAMILTON8500
  • MEMBER
  • 1 POST
My brake lights are not working. The turn signals, both right and left work with brand new bulbs, but when pressing on the brake pedal, the lights do not come on.
Dec 27, 2017 at 8:38 AM
Advertisement
Avatar
STRAILER
  • CERTIFIED EXPERT
  • 53,854 POSTS
Hello,

There are a couple fuses and a brake light switch we need to check. There is also a brake light control module which controls the brake light system as well. Here are guides to help us get started to get the problem fixed:

https://www.2carpros.com/articles/brake-lights-not-working

and

https://www.2carpros.com/articles/how-to-use-a-test-light-circuit-tester

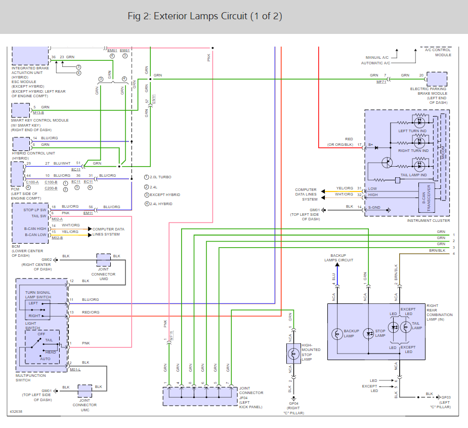
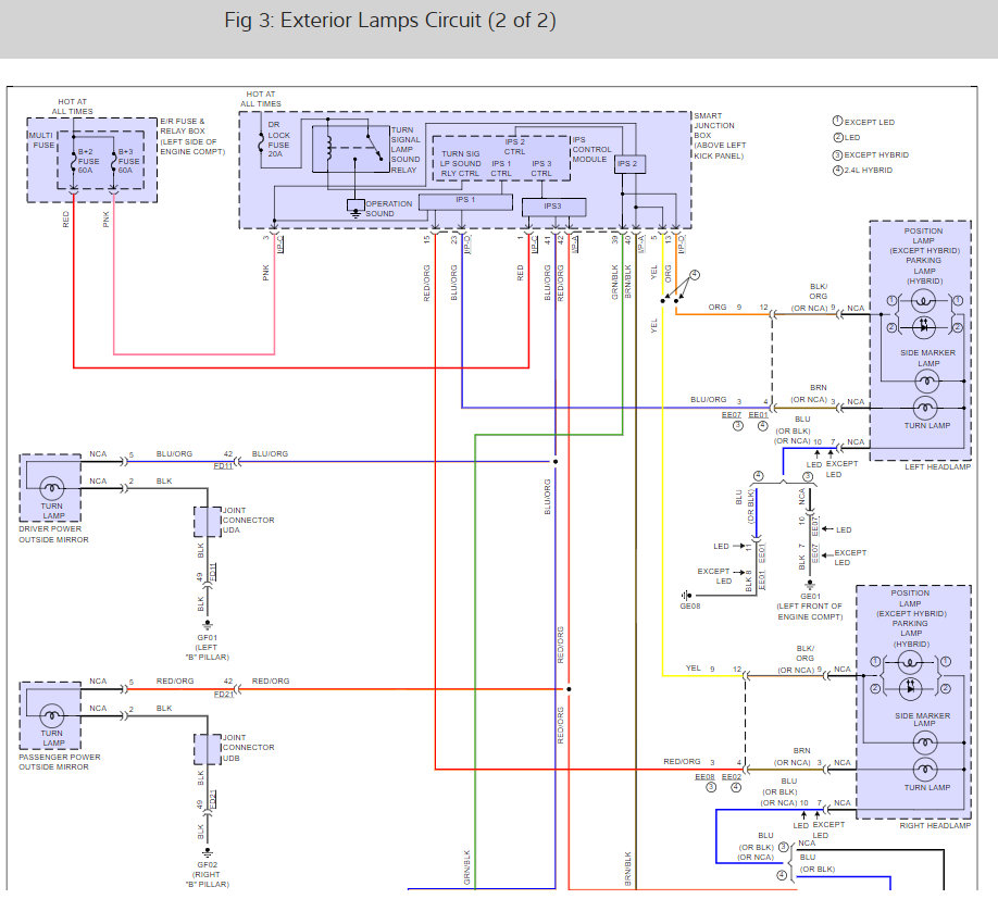
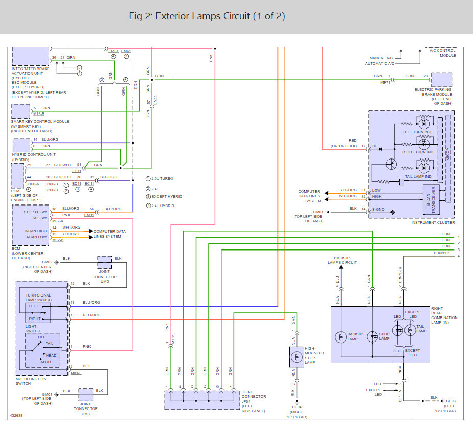
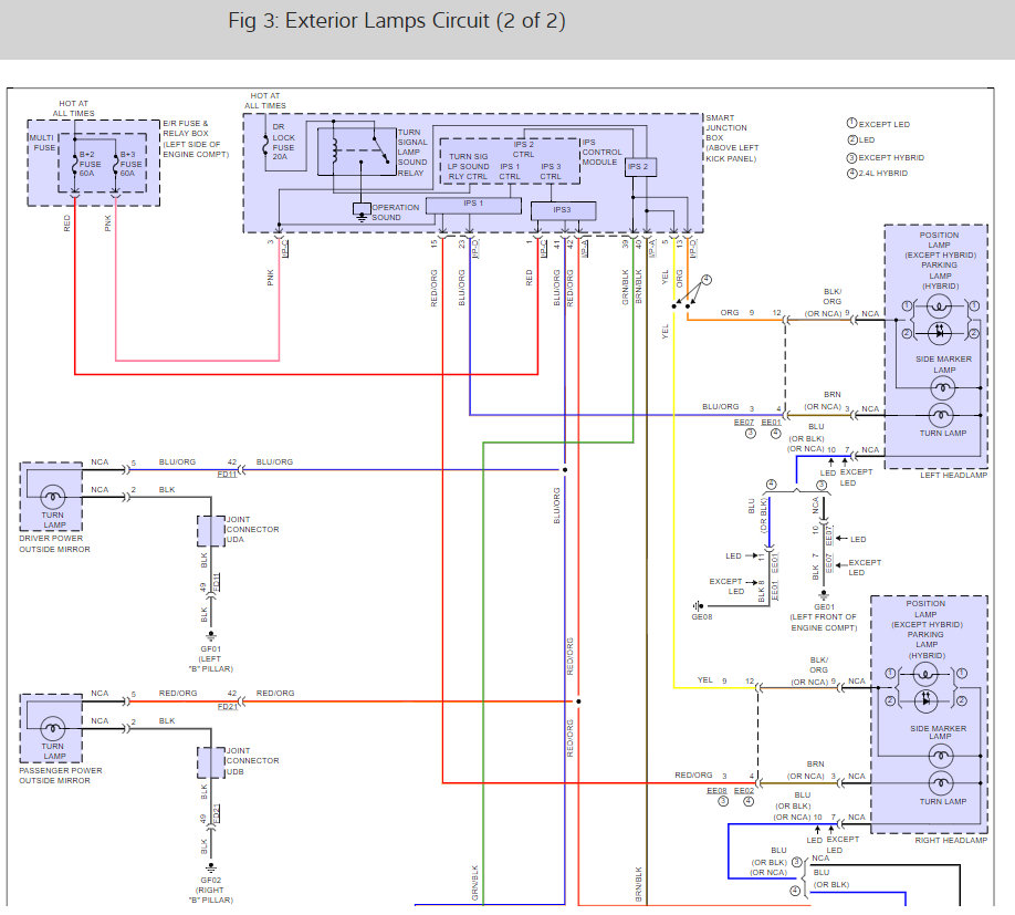
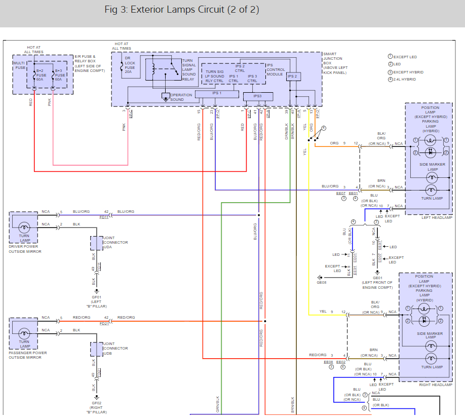
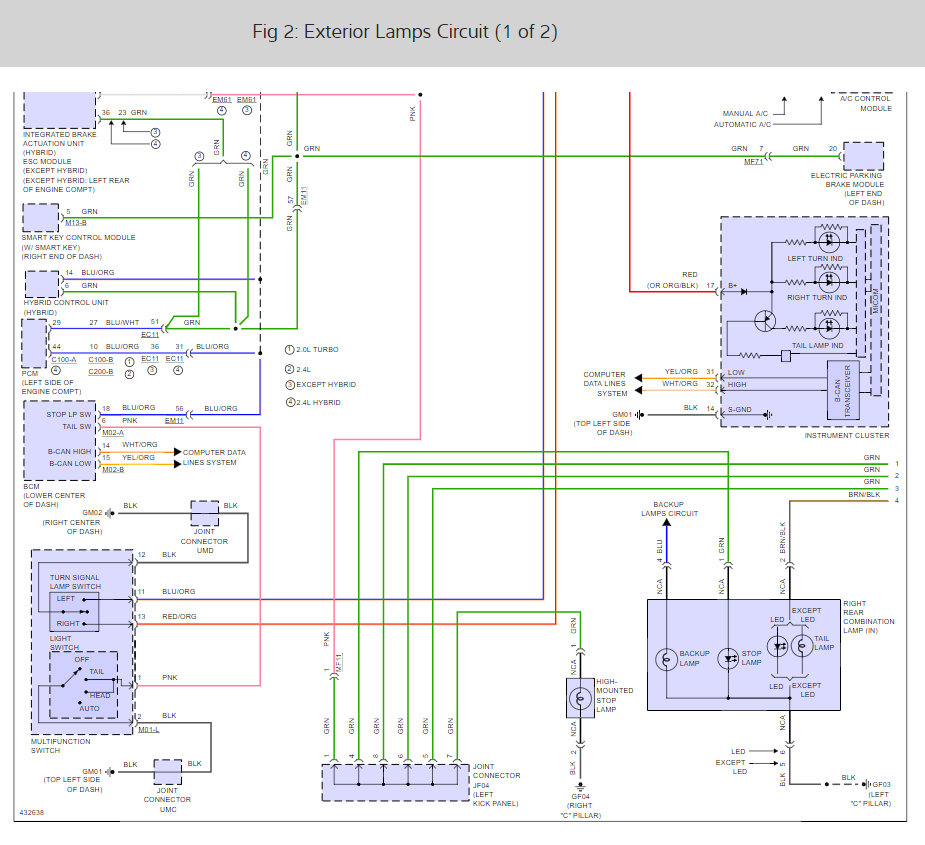
Below are the brake light wiring diagrams and the pedal configuration. Let us know what happens and please upload pictures or videos of the problem.

Dec 28, 2017 at 2:27 PM
Avatar
CSMOHT
  • MEMBER
  • 1 POST
The brake light fuse was blown due to a melted light socket. we I replaced with one from the parts store fixed it.
Jan 28, 2020 at 11:25 AM
Advertisement