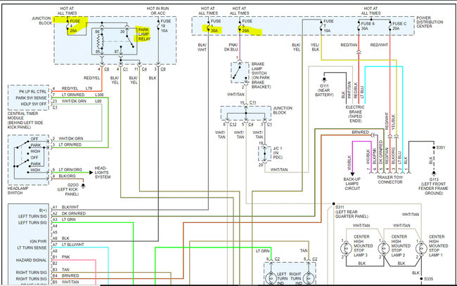
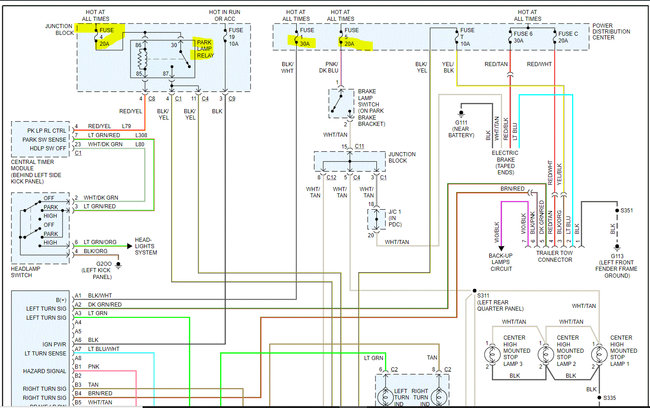
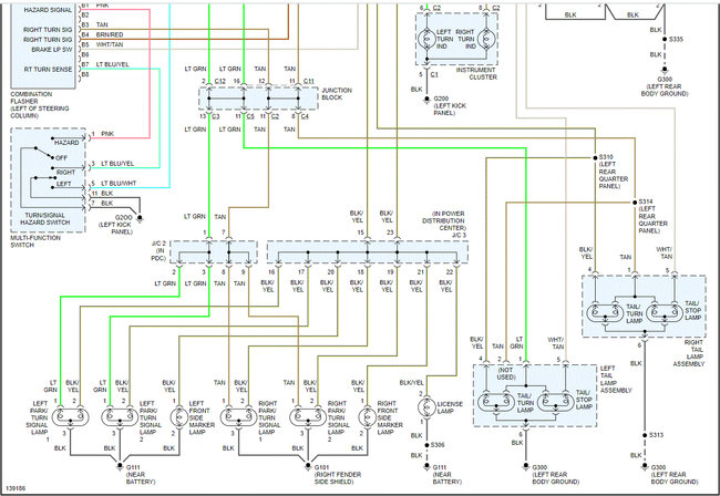
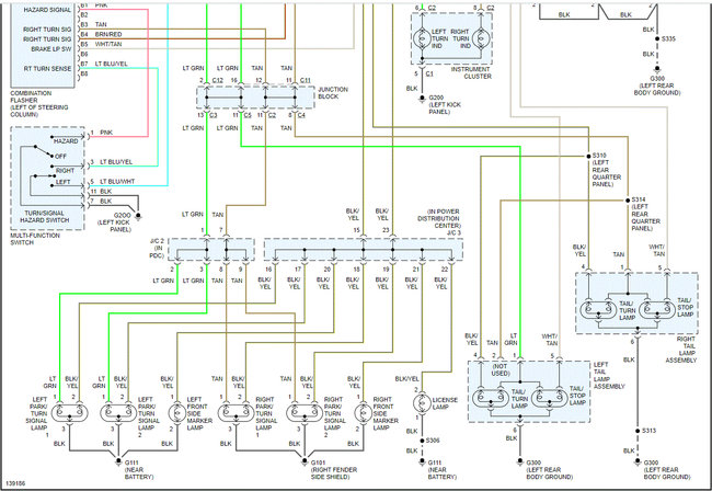
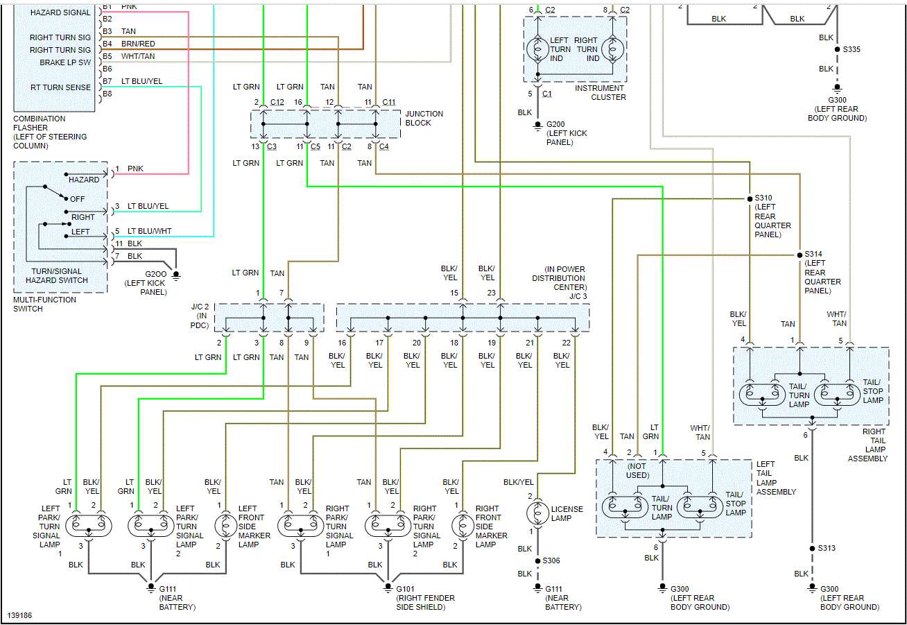
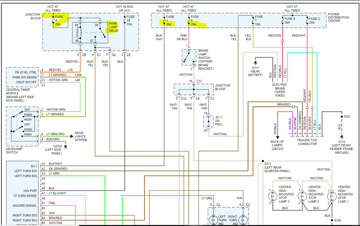
Vehicle listed above, 5.9 R/T. At first, my passenger side brake light and front low beam headlight wouldn't work. Everything else worked fine; turn signals, hazards, running lights, fog lights, but no 3rd brake light. But the passenger headlight does work in high beam? So i replaced all the lights all the way around. tail lights, marker lights and headlights. Now i don't have any brake lights at all on my tail end, but the 3rd eye light on my tailgate as i replaced those also. Also my turn signals don't work on the rear either but they do on front? None of things were happening until i changed all my lights? Please someone help? Any suggestions as i don't want to get rear ended! Thanks guys!
Apr 9, 2021 at 2:21 PM




