Hi,
If it is only the brake lamps (excluding the CHMSL) that aren't working, then either there is a wiring problem, or the turn signal/Hazard switch is bad.
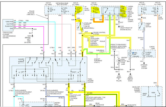
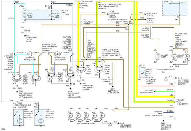
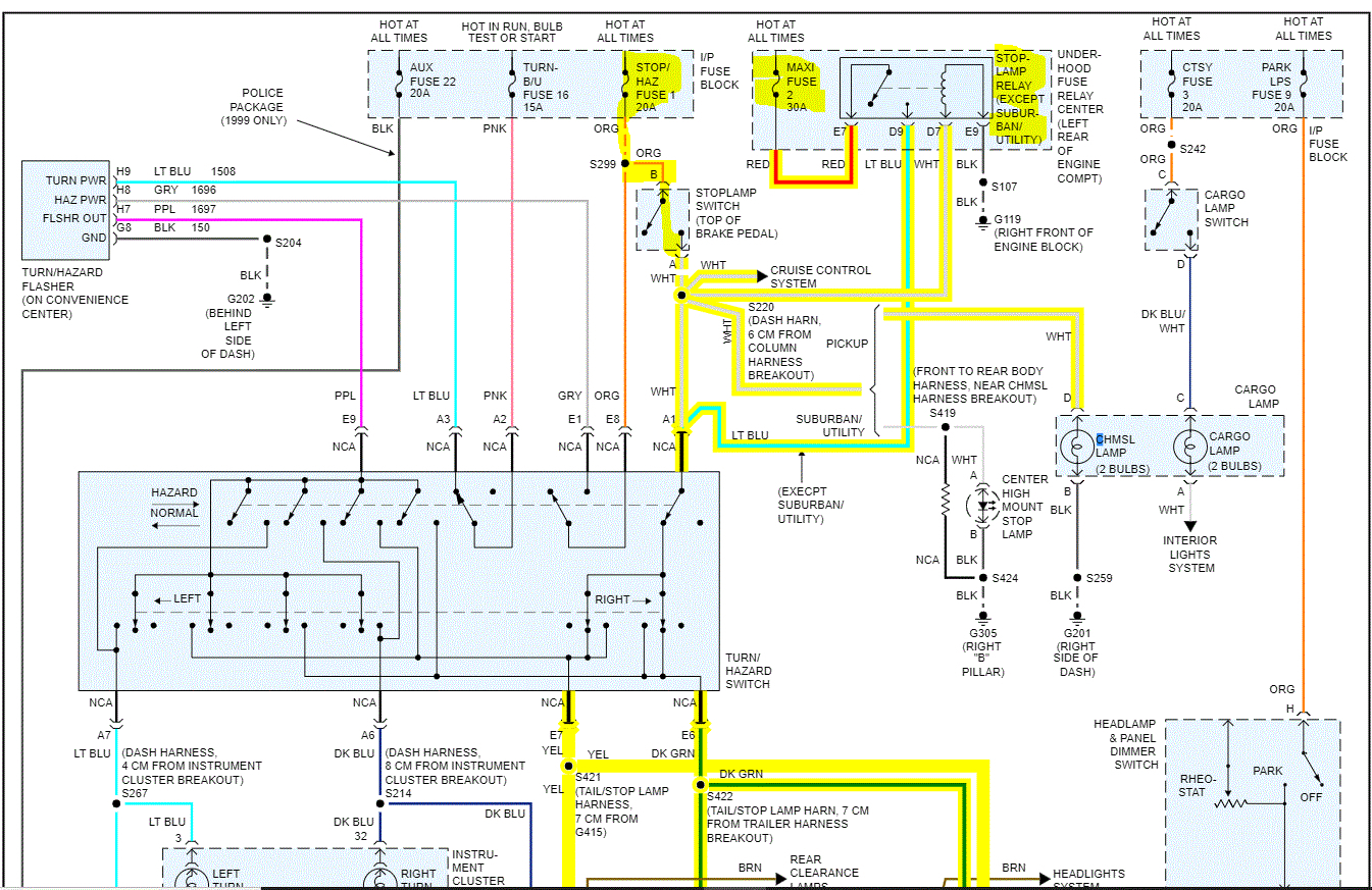
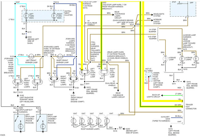
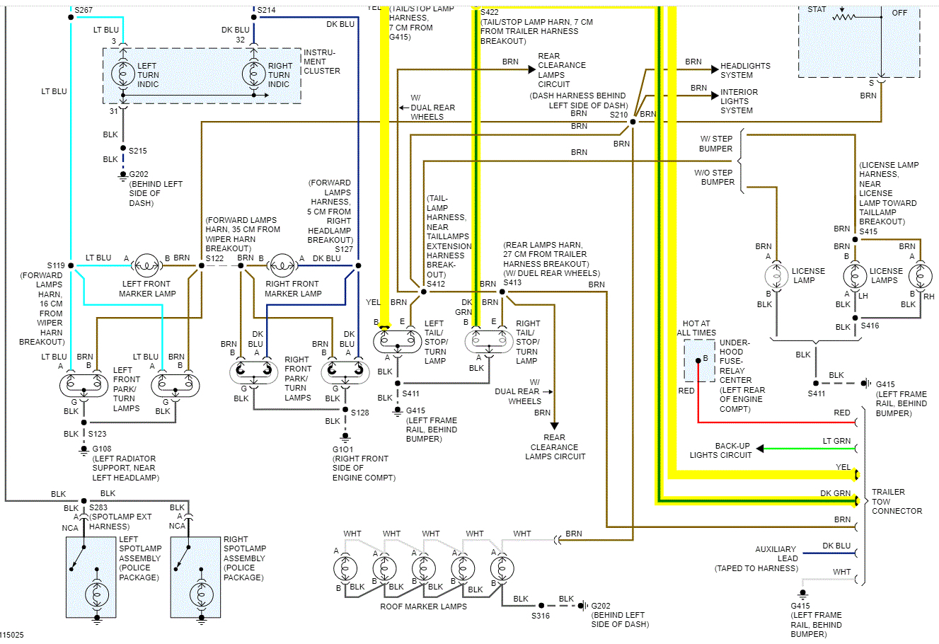
I attached two pics below containing the brake light wiring schematic. I highlighted the wiring. If there was a problem with a fuse, switch, or relay, the CHMSL wouldn't work. Since it does, that leaves the two things I mentioned.
We need to start by testing if there is power to the light sockets on both sides. On the left side lamp assembly will be a yellow wire that powers the brake lights. On the right the wire is dark green. Test for power at those two wires.
Here is a link you may find helpful:
Let me know what you find or if you have other questions.
Take care,
Joe
See pics below.
Images (Click to enlarge)
May 5, 2022 at 8:50 PM