Brake lights not working?

1987 CHEVROLET CORVETTE
100,000 MILES
Avatar
EGOLDER
  • MEMBER
  • 2 POSTS
I have the car listed above that’s having brake light problems. The turn signals work and so do the hazards. But cruise control doesn’t work. I tried changing the brake lights and the brake light switch along with all the fuses and still nothing. I’m not quite sure what could be causing the issue.
Jul 11, 2023 at 6:52 AM
Advertisement
Avatar
STRAILER
  • CERTIFIED EXPERT
  • 53,855 POSTS
I would check for power at the brake/hazard fuse in the fuse panel, this guide can help:

https://www.2carpros.com/articles/how-to-check-a-car-fuse

and here is a guide that can help as well:

https://www.2carpros.com/articles/brake-lights-not-working

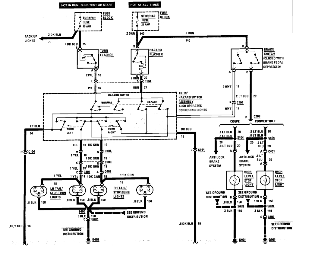
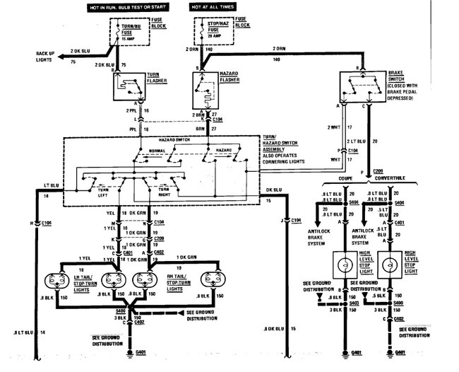
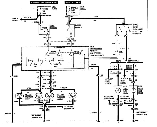
here is the brake light wiring diagram so you can see how it works and where to check for power and to see where the system losses power. Check out the images (below). Please let us know what happens.


Jul 11, 2023 at 5:43 PM