Hi,
I need you to try something. Since the lights go off when you remove the fuse, I suspect the switch is actuated and allowing power to pass.
Install the fuse and disconnect the brake lamp switch and let me know if the light turns off. If it does, remove the switch. Reconnect the switch to power. See if the lights turn off with the switch removed from its mount. By hand actuate the switch on and off to see if the lights respond.
It could be an adjustment issue with the switch.
Let me know what you find. Keep in mind, power comes from fuse 14 in the interior fuse box. It goes directly to the switch and then is distributed to the lights. So, make sure the connector at the switch isn't damaged allowing a short to power.
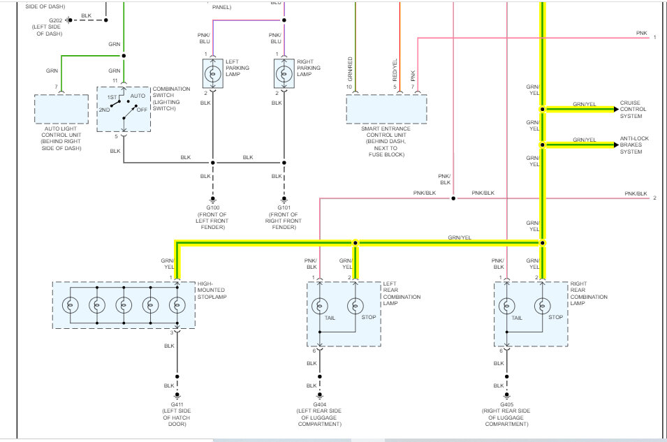
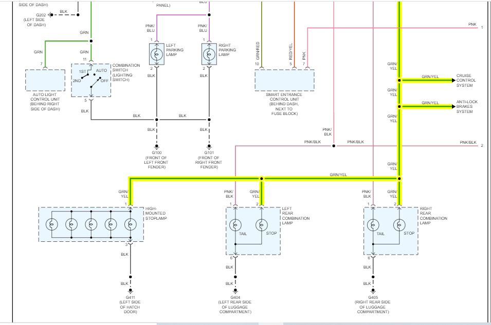
I attached the wiring schematic below, so you have a reference. I had to cut the page in half to make it readable for you. I did overlap the two so you can follow from one to the next.
Take care,
Joe
See pics below.
Images (Click to enlarge)
Nov 8, 2022 at 9:15 PM