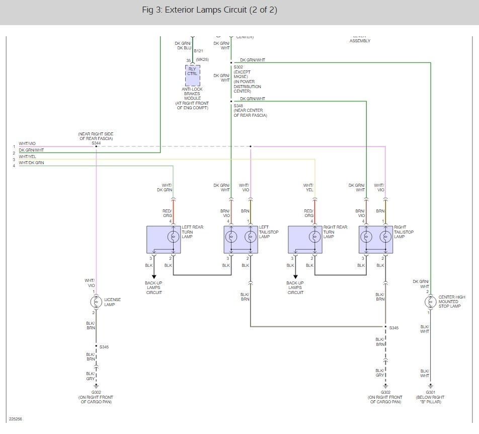
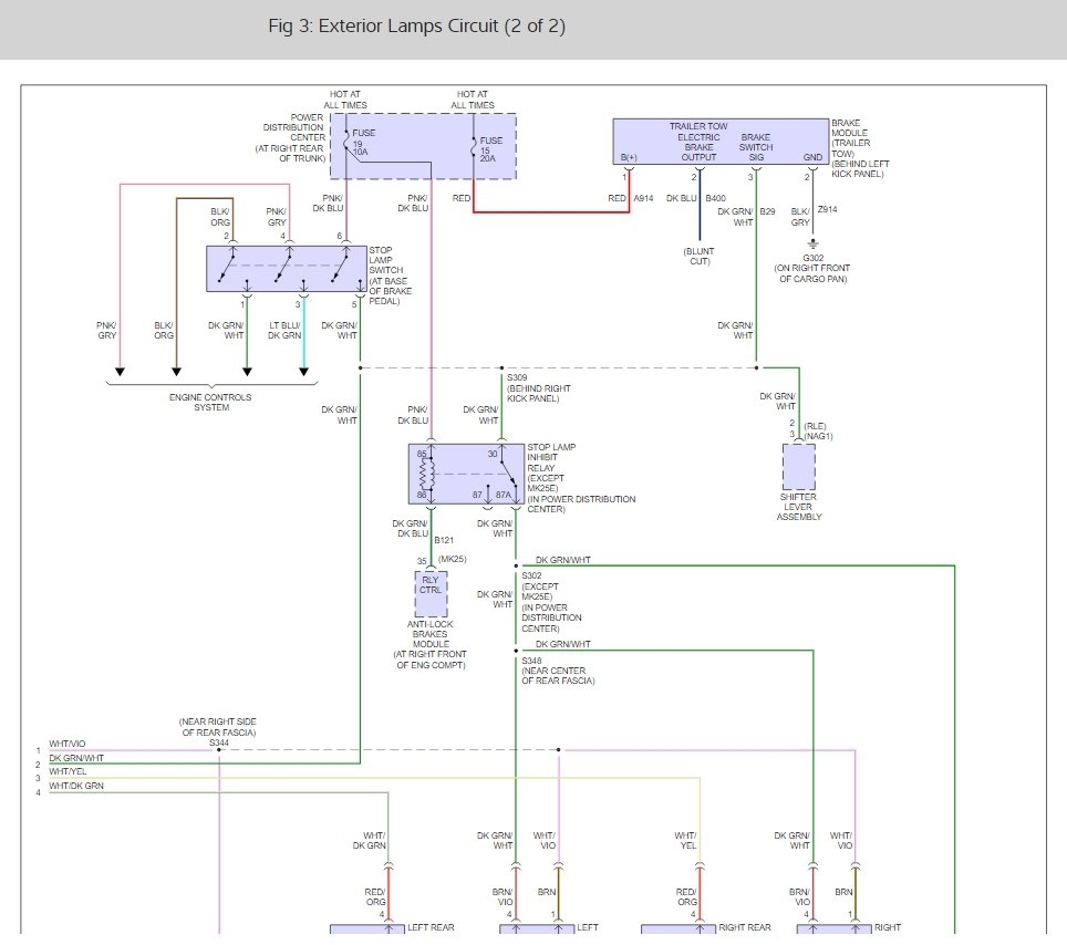
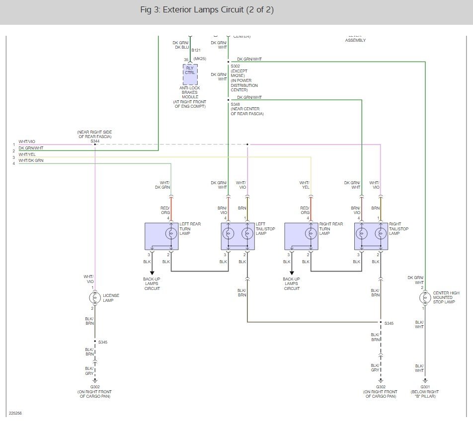
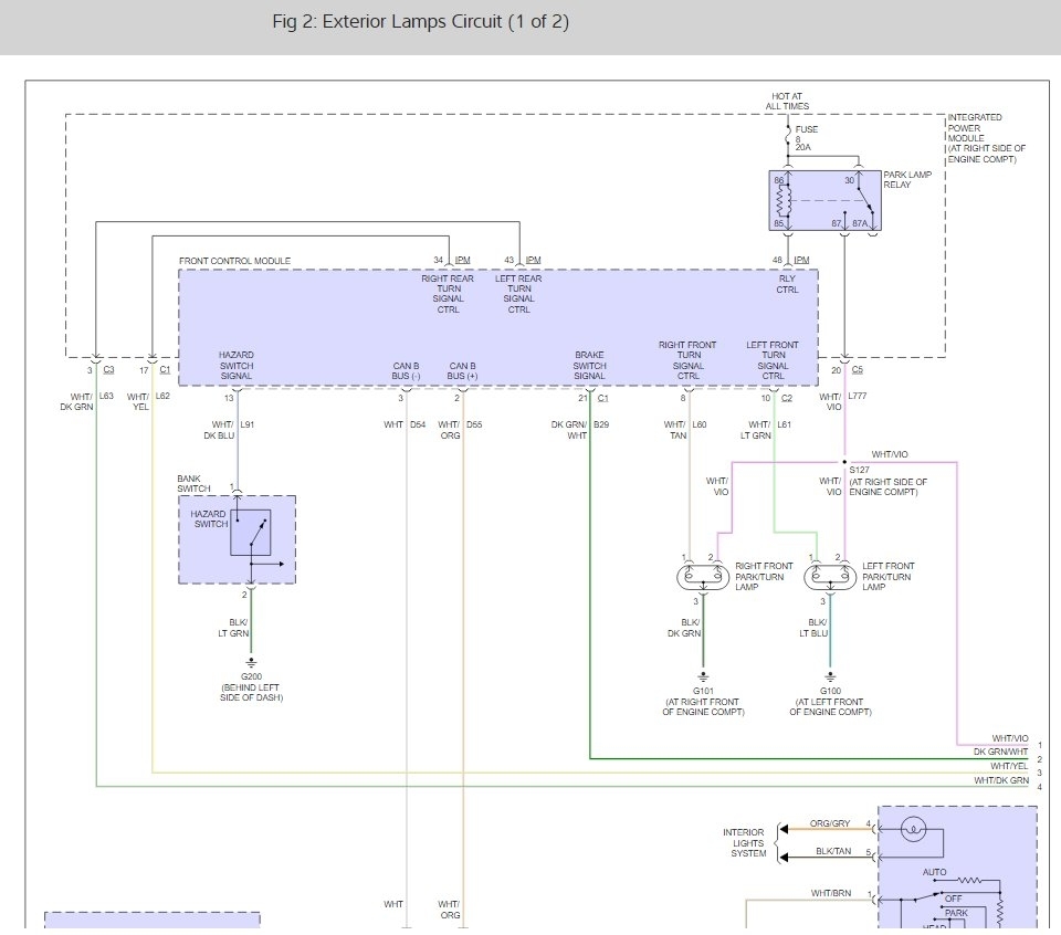
Brake lights

2006 DODGE CALIBER
82,000 MILES • 1.8L • 2WD • MANUAL
Avatar
GRUMPY67
  • MEMBER
  • 4 POSTS
I have side lights but no brake lights except the one in the rear window and everything else seems to work.
Jul 11, 2017 at 2:15 PM
Advertisement
Avatar
CARADIODOC
  • CERTIFIED EXPERT
  • 34,306 POSTS
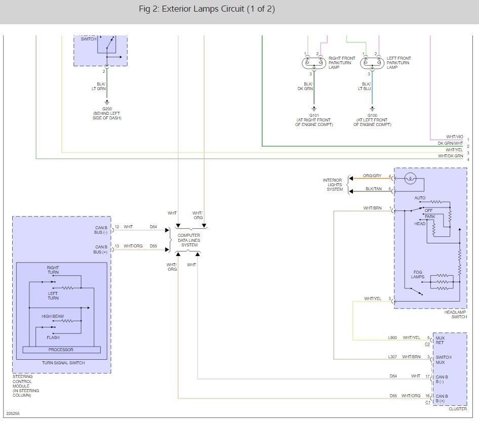
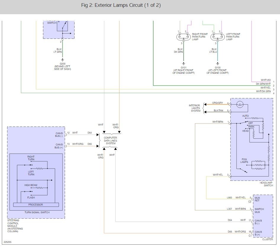
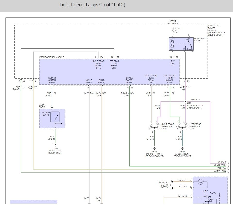
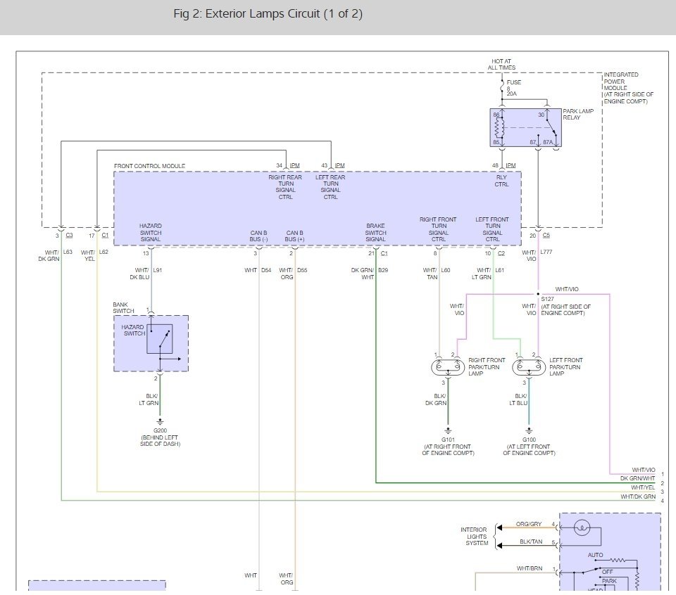
Since the center high-mount brake light works, we know the brake light switch is okay. That only leaves a break in a wire, which is not real likely, or a problem with the "TIPM", (Totally Integrated Power Module). This is another case of the insane engineers hanging an unnecessary, unreliable, expensive computer where it is not needed. The two rear brake lights are switched on and off by that computer. Common sense would have connected all three lights together and have them switched by the brake light switch. That seemed to work pretty well for almost one hundred years!
Jul 11, 2017 at 11:08 PM
Avatar
GRUMPY67
  • MEMBER
  • 4 POSTS
Thank you very much. How much is the module?
Jul 12, 2017 at 1:30 AM
Advertisement
Avatar
STRAILER
  • CERTIFIED EXPERT
  • 53,854 POSTS
Hello,

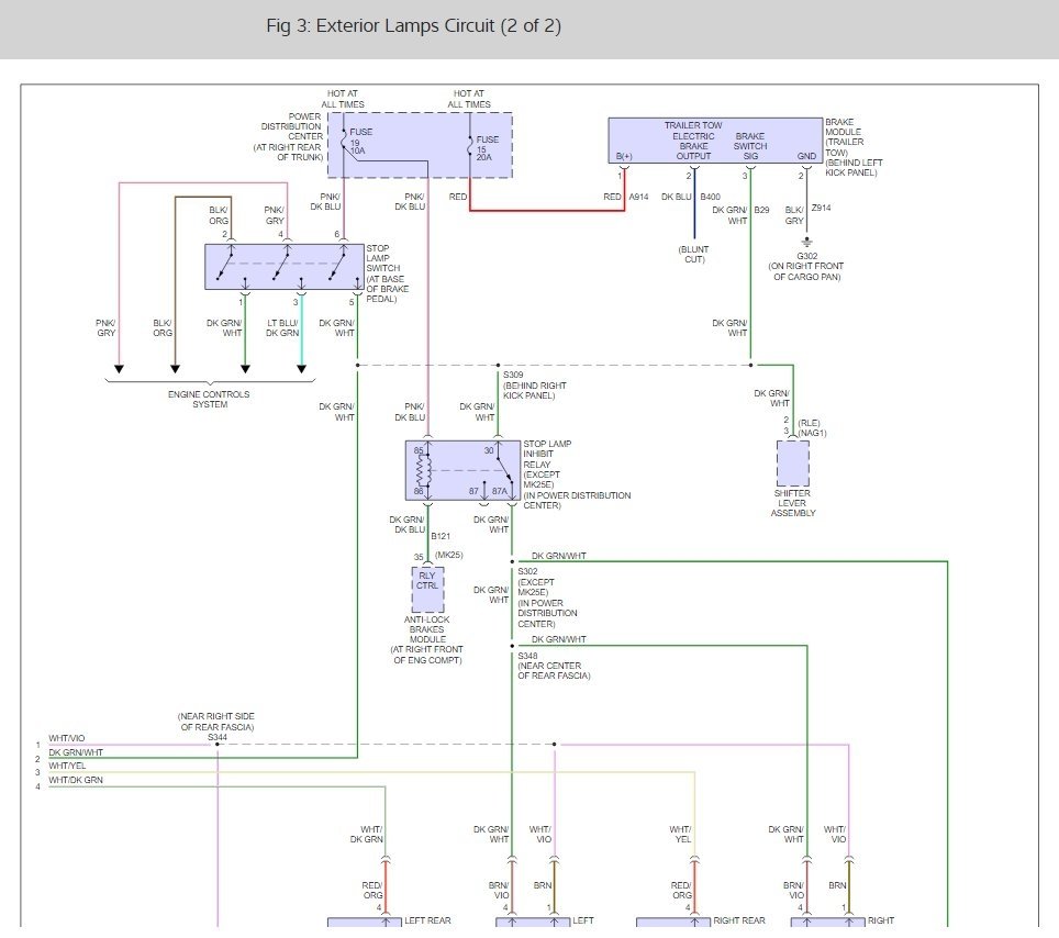
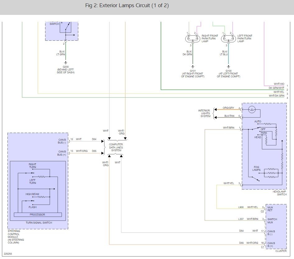
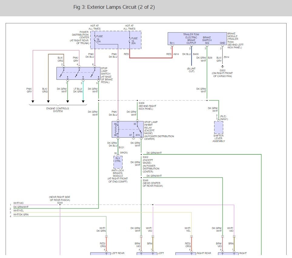
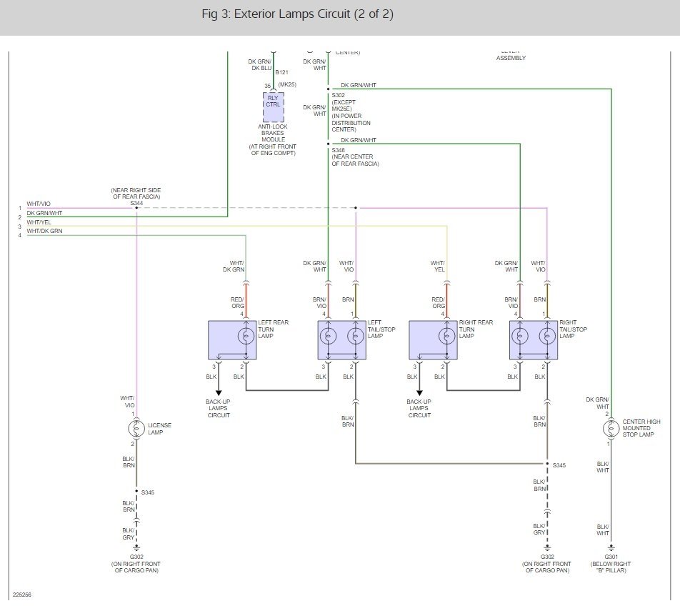
Don't rule out the brake light bulbs are out on both. Here are some guides and wiring diagrams to help you get the problem fixed.

https://www.2carpros.com/articles/brake-lights-not-working

and

https://www.2carpros.com/articles/how-to-use-a-test-light-circuit-tester

and

https://www.2carpros.com/articles/how-to-check-a-car-fuse

and

https://www.2carpros.com/articles/how-to-check-an-electrical-relay-and-wiring-control-circuit

Please run some tests and get back to us we are interested to see what it is.

Cheers, Ken

Jul 12, 2017 at 11:37 AM
Avatar
GRUMPY67
  • MEMBER
  • 4 POSTS
Hi Ken, I am not very technical when it comes to diagrams and stuff but I have put two new bulbs in I am right in saying the side lights are connected to the brake
light when they are one in the same bulb?
Jul 12, 2017 at 3:12 PM
Avatar
STRAILER
  • CERTIFIED EXPERT
  • 53,854 POSTS
Yes they look like they are the same bulb.
Jul 12, 2017 at 3:51 PM
Avatar
GRUMPY67
  • MEMBER
  • 4 POSTS
Thank you will let you know how it goes.
Jul 12, 2017 at 11:25 PM
Avatar
STRAILER
  • CERTIFIED EXPERT
  • 53,854 POSTS
Please let us know what happens.

Cheers, Ken
Jul 13, 2017 at 12:03 PM