brake lights not working properly

2002 CHEVROLET ASTRO
165,000 MILES • 4.6L • V6 • 2WD • AUTOMATIC
Avatar
BIGBEN1203
  • MEMBER
  • 1 POST
Okay, turn signals work hazards don't work, fuses are good. does the top brake light that works with it the side left and right brake lights do not what could be the problem.
Apr 24, 2021 at 11:07 AM
Advertisement
Avatar
HARRY P
  • CERTIFIED EXPERT
  • 2,292 POSTS
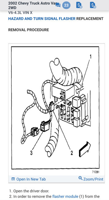
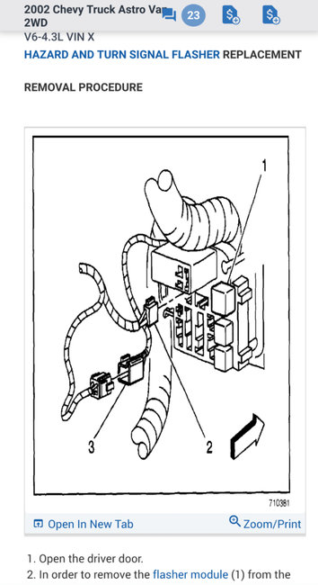
Hello there. Do the brake lights work when the hazards aren't turned on? If so, then your problem is most likely going to be in the multifunction flasher module. I'm including instructions on how to replace the flasher in the images.

If you use your hazards often or do a fair amount of towing trailers, then I suggest the one in the link below. I run my hazards about 5 his a day and haven't needed a new flasher in 3 years because if how this thing is made. Before that I was replacing them at least yearly.

https://www.amazon.com/dp/B000IYBJMQ/ref=cm_sw_r_cp_apa_glt_fabc_P8Y2RJZSW5PBEMQR6WSJ

Hope this helps. Let us know how it goes.
Apr 24, 2021 at 1:10 PM