My brake lights not working?

2004 CHEVROLET SILVERADO
114,000 MILES
Avatar
TERRI AND NICK
  • MEMBER
  • 1 POST
Tail brake lights not working but flashers turn signals and third light do work.
Apr 25, 2018 at 4:01 PM
Advertisement
Avatar
ASEMASTER6371
  • CERTIFIED EXPERT
  • 52,796 POSTS
Good morning.

There is a brake light switch on top of the brake pedal under the dash. this is the most likely cause. This guide can help us fix it

https://www.2carpros.com/articles/brake-lights-not-working

Check your fuses as well to be sure there is not a bad one for the brake lights. Check out the diagrams (Below). Please let us know what happens.
Apr 26, 2018 at 5:00 AM
Avatar
CLONE
  • MEMBER
  • 1 POST
Electrical problem
2004 Chevy Silverado Two Wheel Drive

my two rear brake lights do not work. the third light up on the cab comes on fine but not the two in the back. i have replaced both the lamps and attemped to see if possibly they might have their own fuses but have not found any thing wrong with any "brake" fuses. thanks in advance for any help.
Feb 26, 2021 at 10:06 AM (Merged)
Advertisement
Avatar
JDL
  • CERTIFIED EXPERT
  • 16,098 POSTS
Welcome, check the stop lamp fuse for voltage, use a testlite on the circuit, if you haven't already. Left instrument panel fuse block, 15 amp. Did you check voltage and ground at the rear?
Feb 26, 2021 at 10:06 AM (Merged)
Avatar
BENMAN
  • MEMBER
  • 1 POST
both rear brake lights inop center brake light works fine i have installed new brake light switch and new bulbs still not working
Feb 26, 2021 at 10:07 AM (Merged)
Avatar
MERLIN2021
  • CERTIFIED EXPERT
  • 17,250 POSTS
Check fuse on the left side fuse block fuse #4, use only GM approved fuses, some aftermarket fuses can cause issues! also check your email for a pdf if the fuse isn't the problem.


https://www.2carpros.com/forum/automotive_pictures/62217_fuse_panel_int_1.jpg

Feb 26, 2021 at 10:07 AM (Merged)
Avatar
DBUTTROSS
  • MEMBER
  • 1 POST
Both sides brake lights are not working at all. The light above the back window works, however. All of the brake bulbs look good. The LP LIght fuse under the dash and under the hood are both good. Parking/Running lights and blinking lights work.
Feb 26, 2021 at 10:07 AM (Merged)
Avatar
RASMATAZ
  • CERTIFIED EXPERT
  • 75,992 POSTS
Did you check the stop fuse see below


https://www.2carpros.com/forum/automotive_pictures/12900_stop_1.jpg

Feb 26, 2021 at 10:07 AM (Merged)
Avatar
NILSSON6
  • MEMBER
  • 1 POST
All the brake lights have gone out on our Chevy Silverado. We have replaced the fuses and the brake lights and they still are not working. Is there a switch that was flipped to turn off the brake lights or is this something more serious?
Feb 26, 2021 at 10:07 AM (Merged)
Avatar
JDL
  • CERTIFIED EXPERT
  • 16,098 POSTS
Hi, any fuses you check, use a testlite on the fuse circuit, to see if circuit is hot? Check the feed to and from the brake lamp switch. Should be close to brake pedal arm. Orange wire is voltage to the brake switch. When the switch is activated by stepping on the brake, the white wire goes hot and carries voltage to brake lites.
Feb 26, 2021 at 10:07 AM (Merged)
Avatar
RTILEBEINSR
  • MEMBER
  • 1 POST
My brake lights on my 03 chevy silverado does'nt work.but the cab light does. I have checked all bulbs and fuses. I am going to check the brake light switch next but figure out how to get the clip off. please any information or opinions would be greatly appreciated. Thank You, Rich
Feb 26, 2021 at 10:07 AM (Merged)
Avatar
JACOBANDNICKOLAS
  • CERTIFIED EXPERT
  • 110,175 POSTS
If the 3rd light works on the cab, the brake light switch is fine so save your time and trouble. There has to be a break in the wiring. Start at the light socket and follow the wiring until you find power. There are a couple plugs that attach to the wiring harness for the lights. Make sure they are not corroded or damaged.

If the cab light works, the brake light switch is fine. Check for power to the rear sockets as well as the wiring. Check for disconnected or broken grounds. Check for plugs for corrosion and make sure they are tight.

Let me know what you find.

Joe
Feb 26, 2021 at 10:07 AM (Merged)
Avatar
JMALONE
  • MEMBER
  • 1 POST
I have been experiencing problems with my rear brake lights. The one on top of the cab works and all the other lights work with the exception of the two rear brake lights. Have checked all bulbs and fuses. Is there a fusable link or something I'm missing?
Feb 26, 2021 at 10:08 AM (Merged)
Avatar
MASTERTECHTIM
  • CERTIFIED EXPERT
  • 4,750 POSTS
there are 2 outputs for brake lights from brake light switch. one lights the third brake light. the other feed goes to the turn signal switch then to the rear lights. if your rear turn signals work then your problem is most likely the brake light switch. if not its your turn signal switch.
Feb 26, 2021 at 10:08 AM (Merged)
Avatar
SERVICE WRITER
  • CERTIFIED EXPERT
  • 9,123 POSTS
The center high mount (3rd) is powered differently and why it is working.


https://www.2carpros.com/forum/automotive_pictures/30961_sil_1.jpg

You can see where the power goes the the 3rd. So appearantly the white has power to the splice at the orange arrow. The blue arrow points to the t/s module.


https://www.2carpros.com/forum/automotive_pictures/30961_sil2_1.jpg

The brake light switch may be bad? I'm a little weak in the electrical dept. but the module, switch or a wire break would be my thoughts.
Feb 26, 2021 at 10:08 AM (Merged)
Avatar
DODGER32
  • MEMBER
  • 1 POST
my brake lights are not lighting up, when i apply brake they wont light up, but they still work when i turn on the blinker
Feb 26, 2021 at 10:09 AM (Merged)
Avatar
QUAGMIRE86
  • CERTIFIED EXPERT
  • 98 POSTS
I believe that the brake and T/S bulbs are on two different circuits. It is hard to consider that both your brake bulbs would go at the same time along with your center high mount lamp too. So, start simple and check the fuse. Then check the brake light switch that is attached to the brake pedal. Look it over to make sure the plastic switch body is still intact and properly affixed to the brake pedal. The last thing (and most frustrating) could be a short circuit in the wiring. All you can do is test the wiring from source to end to try to locate the short or bad ground. Good luck.
Feb 26, 2021 at 10:09 AM (Merged)
Avatar
PLUMBING
  • MEMBER
  • 1 POST
I have changed the bulbs and brake light switch and brake lights not working.
Feb 26, 2021 at 10:09 AM (Merged)
Avatar
JACOBANDNICKOLAS
  • CERTIFIED EXPERT
  • 110,175 POSTS
Hi and thanks for using 2CarPros.com.

Based on what you replaced, I have to ask, did you check for a blown fuse? If not, check fuse 14 in the under hood fuse block. I have attached a picture of the fuse block which includes a legend of what each fuse is used for.

Also, here are a few links which discuss fuses, how to replace, how to use a test light, and how to check wiring. I included them because if the fuse is good, I need you to confirm there is power to and from the fuse.

https://www.2carpros.com/articles/how-to-check-a-car-fuse

https://www.2carpros.com/articles/how-to-use-a-test-light-circuit-tester

I hope this helps. Let me know if you have questions or need more information.

Take care,
Joe

Feb 26, 2021 at 10:09 AM (Merged)
Avatar
PGARCIA661
  • MEMBER
  • 2 POSTS
The brake light on the bed of the truck are not working. the brake light on the cab does. I've changed the bulbs check the wires bulbs didn't work not sure what to do now. also fuses are good.
Feb 26, 2021 at 10:09 AM (Merged)
Avatar
RASMATAZ
  • CERTIFIED EXPERT
  • 75,992 POSTS
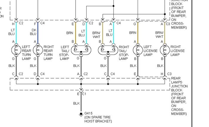
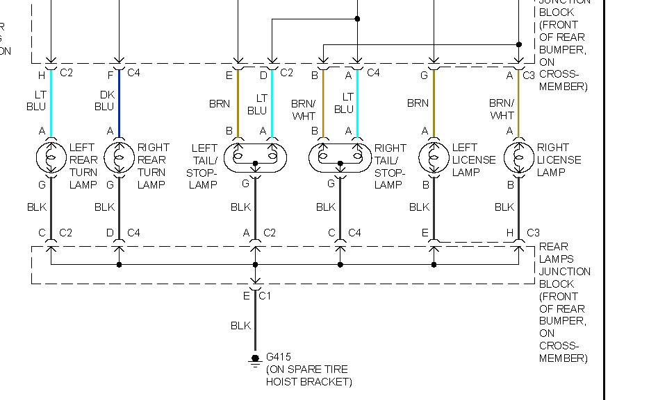
Check and test the rear lamps junction block front of rear bumper on crossmember light blue wire for power if its not there you have an open wire between this point and the vehicle stop fuse 10amp

this guide will help you

https://www.2carpros.com/articles/brake-lights-not-working

Feb 26, 2021 at 10:09 AM (Merged)
Avatar
JBIGELOW007
  • MEMBER
  • 5 POSTS
trouble with no brake light power at 7 pin connector turn signals work fine as does truck (no bad fuses) 2001 chevy silverado hd 2500 8.1 ltr
Feb 26, 2021 at 10:10 AM (Merged)
Avatar
DRCRANKNWRENCH
  • CERTIFIED EXPERT
  • 3,380 POSTS
Does your truck have a pushrod that actuates the b rake switch at the pedal?

Check it to make sure the retaining clip is not loose or missing. Also check to see if the electrical connectrions have not come loose and that the switch is getting actuated with th epedal being pressed.

Let me know if that helps.
Feb 26, 2021 at 10:10 AM (Merged)
Avatar
JBIGELOW007
  • MEMBER
  • 5 POSTS
truck does have a pushrod, tested brake light switch does function when peddle is pushed "Thanks Jeff"
Feb 26, 2021 at 10:10 AM (Merged)
Avatar
KHLOW2008
  • CERTIFIED EXPERT
  • 41,814 POSTS
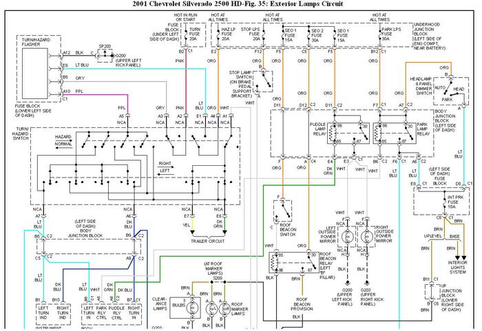
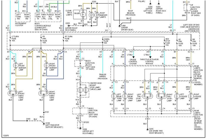
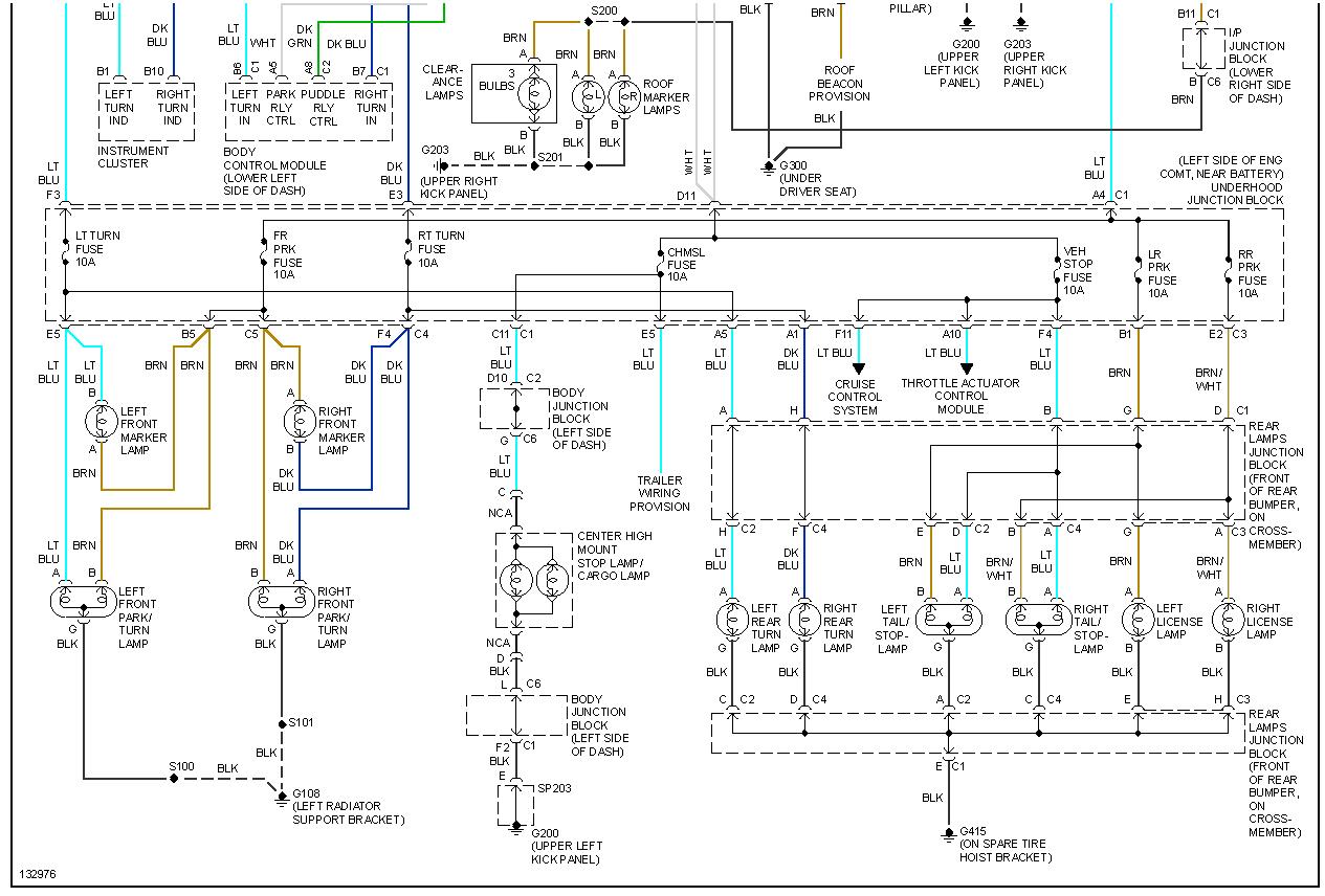
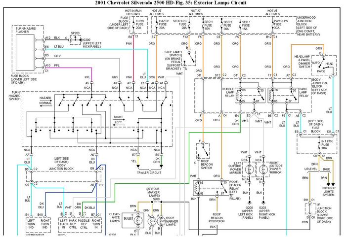
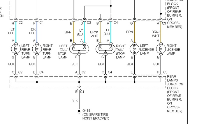
Here is a schematic of the exterior lights.

Check the Orange wire at brake switch, on top of brake pedal for battery voltage. If voltage is available, use a jumper wire to bridge the Orange and White wire. If brake lights come on, the switch is bad or out of adjustment.
Feb 26, 2021 at 10:11 AM (Merged)
Avatar
JBIGELOW007
  • MEMBER
  • 5 POSTS
The truck has functioning lights, when i plug in 7pin harness to my trailer i have running lights, turning signals, backup lights, power to my electric brakes but no stop lights on trailer> Please help Jeff
Feb 26, 2021 at 10:11 AM (Merged)
Avatar
KHLOW2008
  • CERTIFIED EXPERT
  • 41,814 POSTS
Do you mean only the trailer stop lights are not working?
Are the brake lights on vehicle body working correctly?

The CHMSL fuse (10A) is for the brake lights. If battery voltage is not available athe trailer connector, check the CHMSL fuse. Use a test lamp to test both ends of the fuse. If voltage is available and none found at trailer connector (Light Blue wire), you have an open circuit between the fuse and trailer connector.
Feb 26, 2021 at 10:11 AM (Merged)
Avatar
JBIGELOW007
  • MEMBER
  • 5 POSTS
Thank you KHLow2008 will try to test that circuit (fuse is good)will advise thanks again. Jeff
Feb 26, 2021 at 10:11 AM (Merged)
Avatar
KHLOW2008
  • CERTIFIED EXPERT
  • 41,814 POSTS
You're welcome.

Sorry it took me so long as I misunderstood your question.

Have a nice day.
Feb 26, 2021 at 10:11 AM (Merged)
Avatar
2CP-ARCHIVES
  • MEMBER
  • 4,540 POSTS
Why does my back right break light work but my passenger side does not? I all ready replaced the bulb.
Feb 26, 2021 at 10:11 AM (Merged)
Avatar
JDL
  • CERTIFIED EXPERT
  • 16,098 POSTS
The lite blue wire is voltage for brake lamps. Black wire is ground.
Feb 26, 2021 at 10:11 AM (Merged)
Avatar
JMHAWK2
  • MEMBER
  • 1 POST
I have a 2000 silverado 2500 4x4 & the 3rd brake light is not working. I've checked with a meter, no power gets to the bulbs also have checked at the plug connection/wires & no power. Have swapped with a known good assy from same model that works & that one did not work however my when my light was put on the other truck it worked OK. So that eliminates the light assy.
Any suggestions and advice Is greatly appreciated.
Feb 26, 2021 at 10:11 AM (Merged)
Avatar
RASMATAZ
  • CERTIFIED EXPERT
  • 75,992 POSTS
Did you checked the CHMSL fuse 10amp it powers the 3rd light-if okay-inspect and test the light blue wire at the body junction box left side of dash


https://www.2carpros.com/forum/automotive_pictures/12900_brake_light_3.jpg

Feb 26, 2021 at 10:11 AM (Merged)
Avatar
JESS BARKER
  • MEMBER
  • 1 POST
My brake lights work after 8:00 am and stay on at night, the four wheel drive does not work if the brake lights will not turn off. I am thinking it may be the sensor for the automatic lights on/off function. Any ideas?
Feb 26, 2021 at 10:11 AM (Merged)
Avatar
JACOBANDNICKOLAS
  • CERTIFIED EXPERT
  • 110,175 POSTS
Hi and thanks for using 2CarPros.com.

It sounds like you have a bad brake light switch. Have you checked it? It is located at the top of the brake pedal. Here are the directions for removal and replacement if you find it is bad. The attached picture shows the switch and correlates with these directions.


CAUTION: Refer to Battery Disconnect Caution in Service Precautions.

1. Disconnect the negative battery cable.
2. Disable the SIR.
3. Remove the pushrod retainer from the brake pedal pin. Use snap ring pliers.
4. Unsnap the stoplamp switch from the pushrod.
5. Disconnect the electrical connector from the stoplamp switch.

INSTALLATION PROCEDURE

1. Connect the electrical connector to the stoplamp switch.
2. Snap the stoplamp switch onto the pushrod.
3. Install a new pushrod retainer on the brake pedal pin. Use an 11 mm (7/16 inch) socket in order to push a new clip onto the pin.
4. Connect the negative battery cable.
5. Enable the SIR.

Let me know if this helps.

Take care,
Joe

Feb 26, 2021 at 10:11 AM (Merged)
Avatar
GTEDWARDS
  • MEMBER
  • 1 POST
On my pickup, I have no Brake lights or taillights, they seem to work sometimes but are very dim. i was told to try a new circut boards at the tail light assembly, ive tried new bulbs, checked connection under truck and checked ground but cannot figure it out????
Feb 26, 2021 at 10:12 AM (Merged)
Avatar
JDL
  • CERTIFIED EXPERT
  • 16,098 POSTS
Check the fuses in the diagram, check the actual voltage readings. This is for brake lites. The stop lamp fuse and center high-mount fuse, underhood fuse block. With the brake switch activated, the voltage should be close to battery voltage. Yes, it does sound like it could be a grounD problem? this guide will help https://www.2carpros.com/articles/brake-lights-not-working


https://www.2carpros.com/forum/automotive_pictures/170934_silverado_ground_1.jpg


https://www.2carpros.com/forum/automotive_pictures/170934_silverado_brake_lites_1.jpg

Feb 26, 2021 at 10:12 AM (Merged)
Avatar
NEDDERS
  • MEMBER
  • 1 POST
No brake light the third brake light works. everything else works just no brake light.
Feb 26, 2021 at 10:12 AM (Merged)
Avatar
TOUGHDIVER
  • CERTIFIED EXPERT
  • 224 POSTS
It might be the multi-function switch (turn signal switch) has an open circuit. need to check the bulbs, fuses and relay first. I'm attaching links and diagrams below to help you locate them. If your high mount brake lamp is working because it is on a different circuit than then the rear stop lamps and you can eliminate the brake lamp switch. Let us know if this information was helpful and if you need any more help.

https://www.2carpros.com/articles/how-to-check-a-car-fuse

this guide can help as well

https://www.2carpros.com/articles/brake-lights-not-working

https://www.2carpros.com/articles/turn-signal-switch-replacement

Check out the diagrams (Below). Please let us know what happens.
Feb 26, 2021 at 10:12 AM (Merged)
Avatar
JASON04
  • MEMBER
  • 1 POST
No brake lights on 1997 Chevy Silverado. I have changed the brake switch, brake light relay, the bulbs, and the tail light assembly. Also checked the fuses. The turn signals, tail lights, hazards all work but still NO brake lights.
Feb 26, 2021 at 10:16 AM (Merged)
Avatar
JDL
  • CERTIFIED EXPERT
  • 16,098 POSTS
Does the highmount brake lite work? Did you check for voltage going to the brake switch, orange. The lower brake lites are wired through the multifunction switch. At the lower rear, the brake lites and turn signals use the same bulb filament, just not at the same time. Check voltage and ground at the rear.

In the diagram, the brown wire is voltage for tail lamps, the other color wires are for stop/turn. The black wire is ground.
Feb 26, 2021 at 10:16 AM (Merged)