Brake lights intermittently do not work

2011 FORD FUSION
119,000 MILES • 0.5L • 4 CYL • 2WD • AUTOMATIC
Avatar
SANDRA EDWARDS
  • MEMBER
  • 4 POSTS
Third brake light works, but the bottom two work sometimes and sometimes they don't. Had it in shop while there they all worked. As soon as I left they stopped.
Jul 19, 2019 at 10:08 PM
Advertisement
Avatar
RACEFAN966
  • CERTIFIED EXPERT
  • 5,029 POSTS
Okay, so can you give me the last 8 of the VIN I will look it up see what I can find? I work for Ford.
Jul 19, 2019 at 11:02 PM
Avatar
SANDRA EDWARDS
  • MEMBER
  • 4 POSTS
I can't it's in another shop. He said today that every time he tested the brakes they worked. He says can't find problem as long as they work. I'm at my wits end. Hope you can help.
Jul 19, 2019 at 11:22 PM
Advertisement
Avatar
SANDRA EDWARDS
  • MEMBER
  • 4 POSTS
Put in new turn switch signal. Thought that fixed the problem, but the bottom 2 brake lights stopped working.. then they worked for awhile and then they would stop again. Carried it back. While it was the continued to work. Went to get it . Had someone follow me home, worked all the way until got to driveway. Stopped working. Carried it to another shop.
Jul 19, 2019 at 11:46 PM
Avatar
STRAILER
  • CERTIFIED EXPERT
  • 53,854 POSTS
Hello,

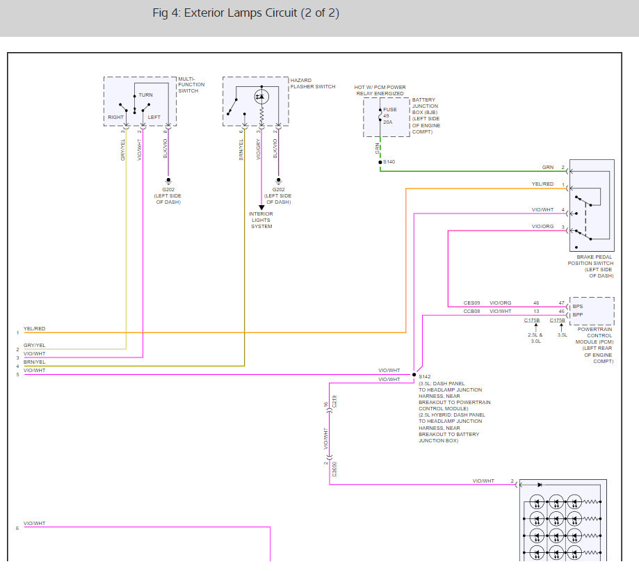
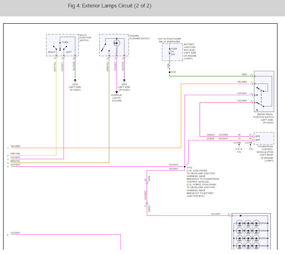
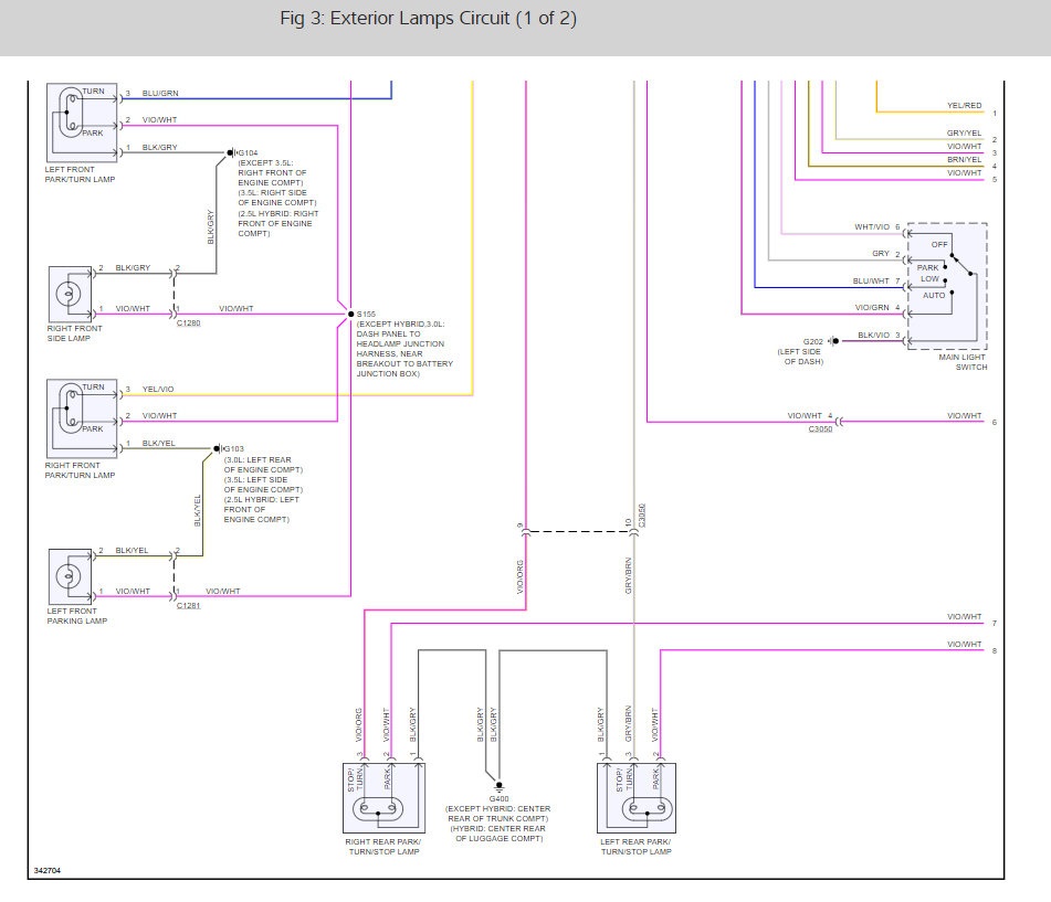
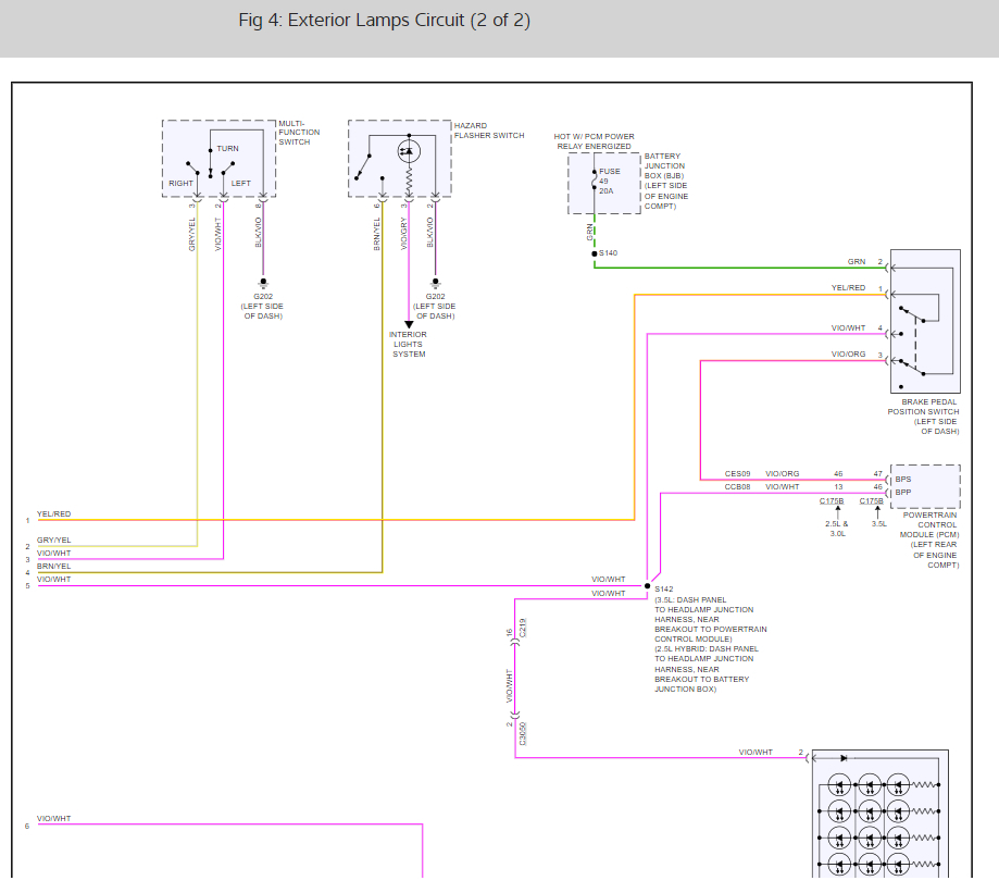
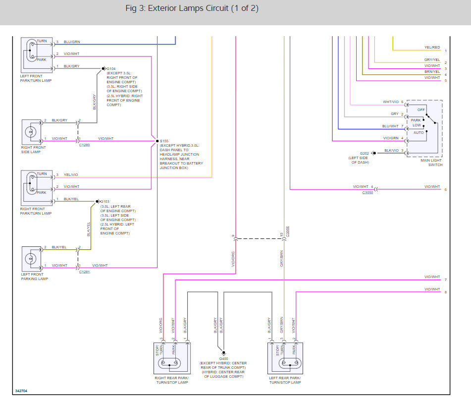
It sounds like the smart junction box is going out which is common but to be sure here is a guide to help you test for power input and outputs with the brake light wiring so you can see how it works along with the smart junction box replacement information below.

https://www.2carpros.com/articles/how-to-use-a-test-light-circuit-tester

Check out the diagrams (below). Please let us know what you find. We are interested to see what it is.
Jul 22, 2019 at 6:31 PM
Avatar
SANDRA EDWARDS
  • MEMBER
  • 4 POSTS
Thanks.
Jul 22, 2019 at 8:25 PM
Avatar
STRAILER
  • CERTIFIED EXPERT
  • 53,854 POSTS
Please use 2CarPros anytime we are here to help.
Jul 23, 2019 at 12:54 PM
Avatar
ZONEINTERNATIONAL
  • MEMBER
  • 1 POST
Brakes problem
2006 Ford Fusion 4 cyl Front Wheel Drive Manual
----------------------------------------------------------------
Hello,

How do I change the rear brake light bulb on a 2005 Ford Fusion. I can't seem to get the panel off - do I have to use a bit of force?
Jul 23, 2019 at 12:54 PM (Merged)
Avatar
MRB783
  • MEMBER
  • 4 POSTS
Well, first of all, I'm going to assume you mean a 2006 Fusion, as there was no 2005 model. Anyway...that being said:

Open your trunk. Where the plastic meets the cloth liner of the trunk by the lights, there is a single plastic button-bolt (I can't think of the actual name). Anyway, if you pull on the plastic cover that the bolt is holding in place, it will pop out. Then just peel back the cloth liner and you have full access to the light assembly. It's just a simple turn and you have it out.

I have an 06 Fusion as well, and had to do that quite a few times due to my being lazy and not getting a new bulb. I recommend getting a bulb that has a plastic fitting on it so that it will lock into the assembly.
Jul 23, 2019 at 12:54 PM (Merged)
Avatar
ALANMOULTRIE
  • MEMBER
  • 1 POST
2004 Ford Fusion 4 cyl Two Wheel Drive 79000 miles

How do you replace rear brake light
Jul 23, 2019 at 12:55 PM (Merged)
Avatar
JACOBANDNICKOLAS
  • CERTIFIED EXPERT
  • 110,175 POSTS
You need to access it from the trunk area. Open it and you will see the carpet covering the area where the light assembly is located. Carefully remove the carpet from that area to access the lens. Your year will (if I remember correctly) require that you unscrew the lens and the assembly will come out so you can access the bulb.

Let me know if you get it.
Jul 23, 2019 at 12:55 PM (Merged)
Avatar
GENOMI
  • MEMBER
  • 1 POST
Replace passenger side.
Jul 23, 2019 at 12:55 PM (Merged)
Avatar
HMAC300
  • CERTIFIED EXPERT
  • 48,601 POSTS
where electrical connectors are pointed with single arrow see if they turn if they do the bulb is attached then pull bulb out and replace. if not double arrows show nuts to remove to remove taillight assembly to get to bulbs. you will also have to disconnect electrical
Jul 23, 2019 at 12:55 PM (Merged)
Avatar
SANDRA EDWARDS
  • MEMBER
  • 4 POSTS
I have a question ...could it be a ground wire going to the brake lights?
Jul 23, 2019 at 12:56 PM