Brake lights are not working?

1996 CHEVROLET LUMINA
290,000 MILES • 3.1L • V6 • 2WD • AUTOMATIC
Avatar
SAMGREW
  • MEMBER
  • 54 POSTS
Brake light in rear window works fine. No brake lights on rear of vehicle. Running lights and turn signals all work fine.
Mar 18, 2025 at 9:20 AM
Advertisement
Avatar
STRAILER
  • CERTIFIED EXPERT
  • 53,854 POSTS
I would check the bulbs first; one can go out and then the other down the road. Here is a guide to help with the problem so you can go over it:

https://www.2carpros.com/articles/brake-lights-not-working

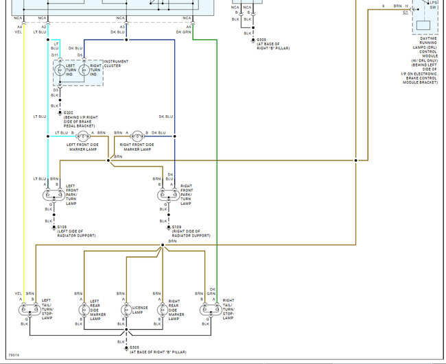
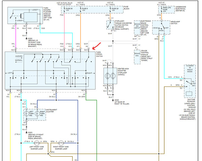
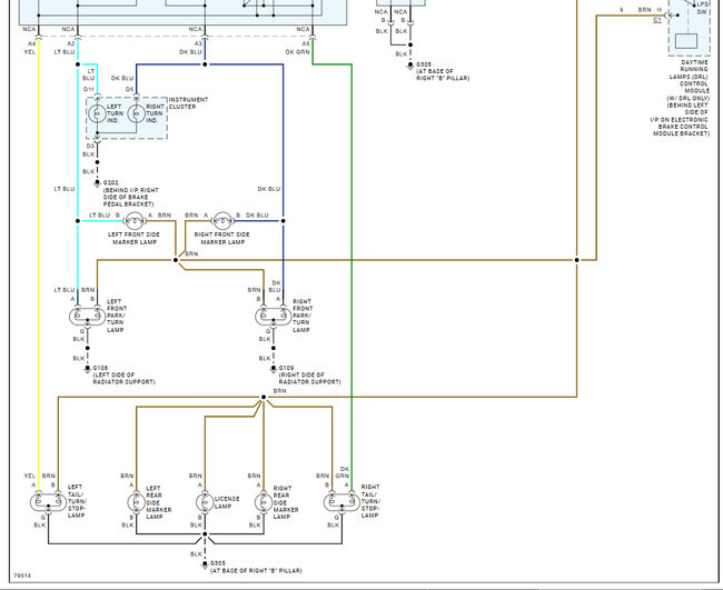
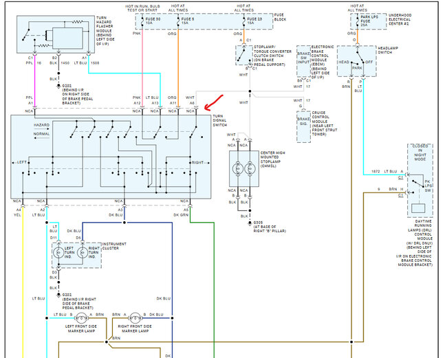
If the center brake light works, then the only other item that can fail is the turn signal switch. Here is a wiring diagram for the system so you can see how it works. Also, I have included how to change the switch out. Check out the images (below). Let us know how it goes.


Mar 18, 2025 at 11:58 AM
Avatar
SAMGREW
  • MEMBER
  • 54 POSTS
Changed multi-function switch, brake lights work fine. New problem. Drove car to get gas. When I started to accelerate, I heard a sound like fan blades hitting something. Car slowly picked up speed and will not shift unless you let off the gas. Changed filter and fluid with no change.
Apr 7, 2025 at 10:22 AM
Advertisement
Avatar
STRAILER
  • CERTIFIED EXPERT
  • 53,854 POSTS
Good job getting the brake lights fixed. Sorry, we only handle one problem per thread, please post your new question here, you must be logged in.

https://www.2carpros.com/questions/new

Cheers, Ken
Apr 7, 2025 at 11:23 AM