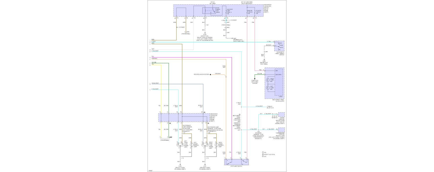
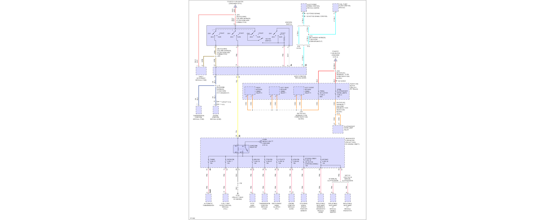
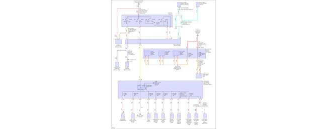
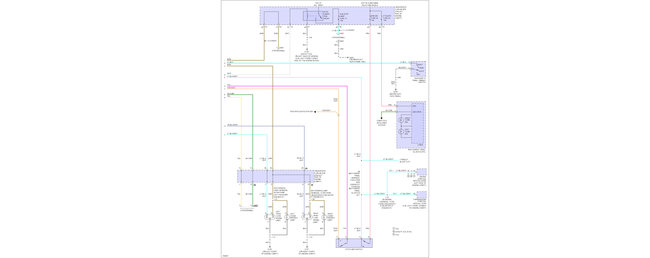
My brakes lights do not work if the key is not on the on position.
Dec 16, 2017 at 6:47 AM
Advertisement
PATENTED_REPAIR_PRO
CERTIFIED EXPERT
1,853 POSTS
I do not think they are supposed to work without the key on run, because the "BRK SW" fuse is not hot unless the run/crank relay is energized.
The run/crank relay gets its power from the ignition switch when the key is on only run and start.