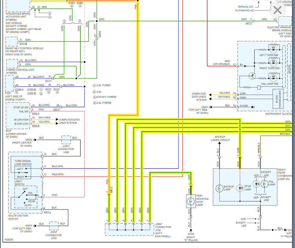
Left and right bake lights not working

2014 KIA OPTIMA
70,000 MILES • 2.4L • 4 CYL • 2WD • AUTOMATIC
Avatar
NATEP
  • MEMBER
  • 1 POST
Center brake light works.
Apr 20, 2019 at 12:06 PM
Advertisement
Avatar
KASEKENNY
  • CERTIFIED EXPERT
  • 18,907 POSTS
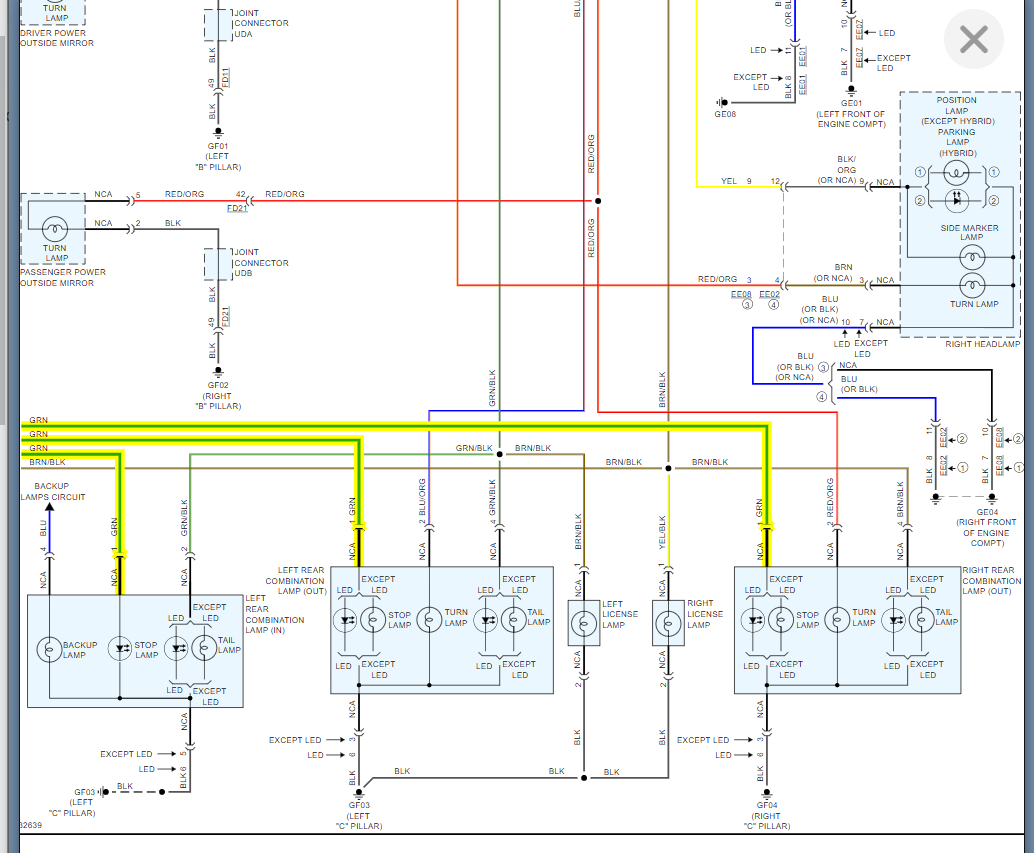
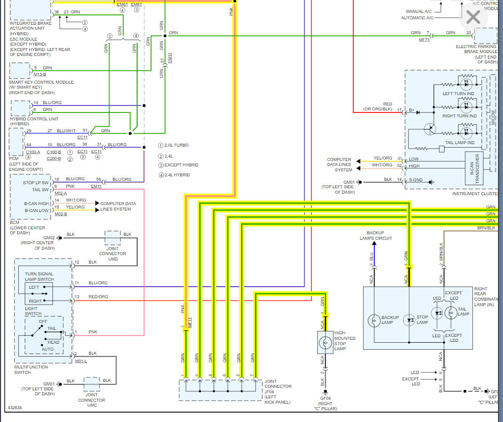
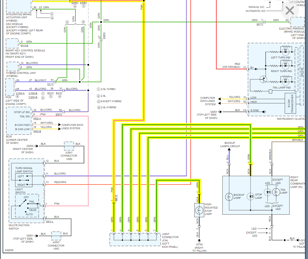
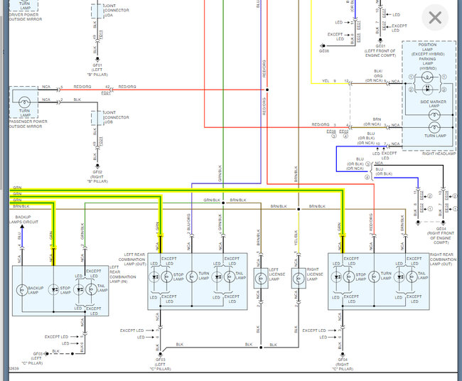
More than likely we have a wiring issue or socket issues. The issue with this is that the center high mount light is on the same circuit as the lower lights.

This means we need to start with checking voltage at the bulbs to confirm it is not there. If it is then we have a bulb issue.

https://www.2carpros.com/articles/how-to-check-wiring

Any chance you just changed any bulbs to LEDs? If so that can cause issues with these lights.

Below is the wiring diagrams that will help with this. When we are checking for voltage, we need inspect the sockets for any damage.

If the sockets need to be replaced, here is a video that will show how to do this:

https://www.youtube.com/watch?v=PxA5wczsCVo

Please run through all this info and let me know if you have questions.

Thanks
Aug 11, 2021 at 8:02 PM