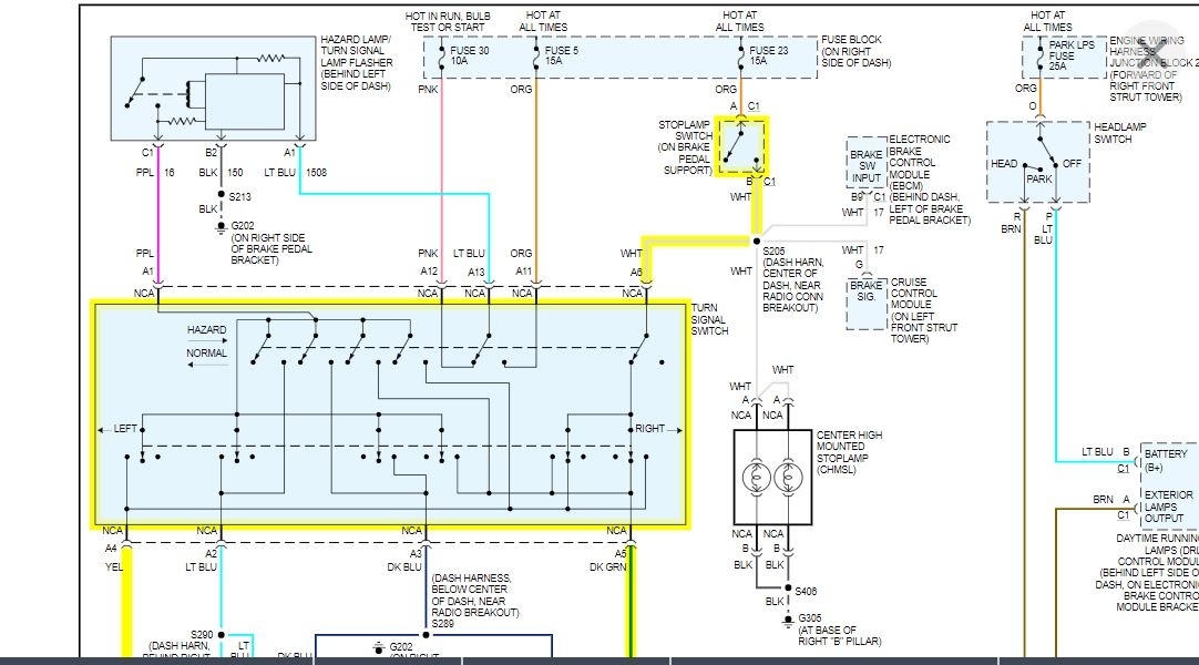
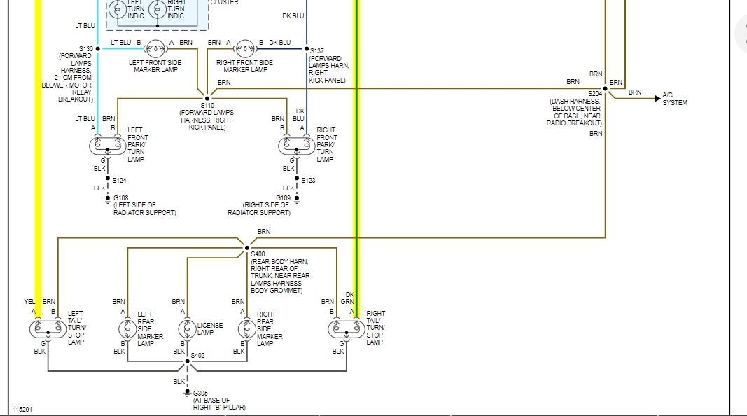
Third brake light works. Sockets when pressed come out to .314. Turn signals, and running lights work. Now, the headlights stay on except when ignition if off. I checked all bulbs, and pedal switch. Fuses all test great. I'm at a loss.
Feb 2, 2020 at 10:02 PM

