Brake light works intermittently

2009 HYUNDAI SANTA FE
150,000 MILES • 6 CYL • 2WD • AUTOMATIC
Avatar
HECTOR1434
  • MEMBER
  • 1 POST
My wife recently got stopped for not having a brake light working , rear passenger side. I replaced the bulb and still have the same problem. sometimes it turns on and sometimes it doesn't. swapped bulbs and still doing the same thing. Any suggestions what it could be? Thanks in advance.
Apr 20, 2018 at 1:42 PM
Advertisement
Avatar
DANNY L
  • CERTIFIED EXPERT
  • 5,648 POSTS
Hello, I'm Danny.

It sounds like you are having either an issue with the bulb socket or a ground issue on that circuit. Here are tutorials showing how to test wiring and how to use a test light:

https://www.2carpros.com/articles/how-to-check-wiring

https://www.2carpros.com/articles/how-to-use-a-test-light-circuit-tester

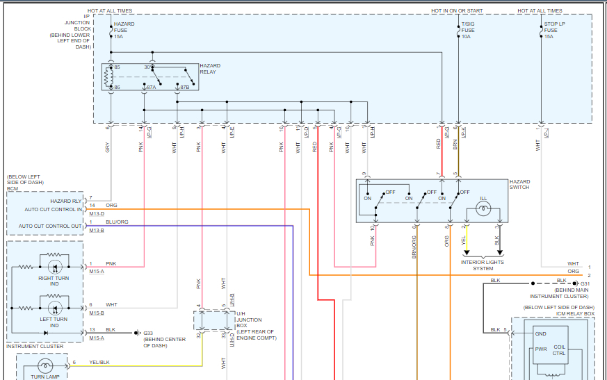
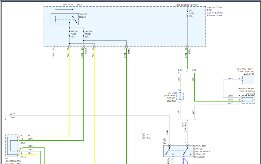
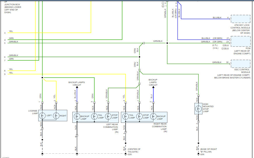
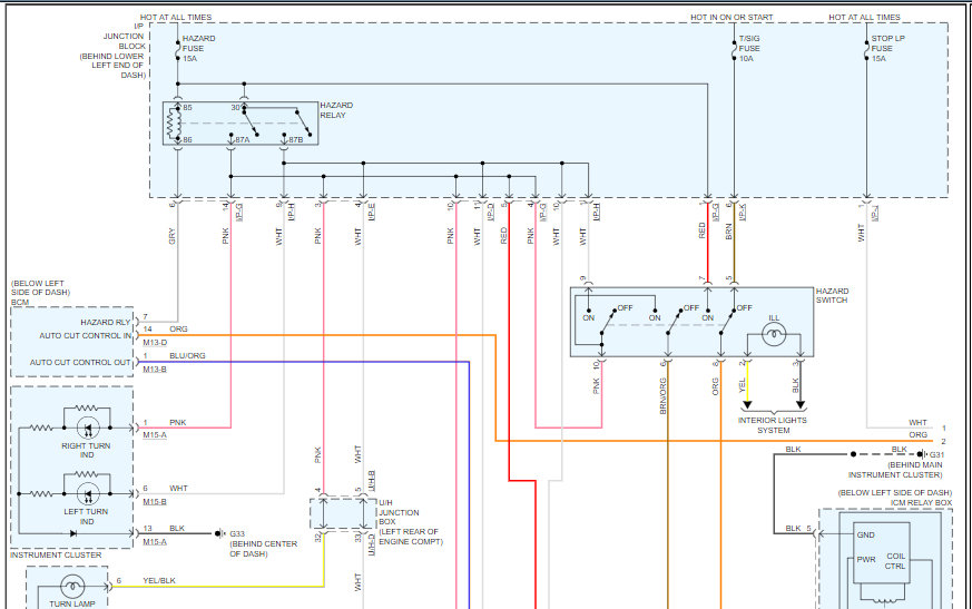
I've attached a wiring diagram of the exterior lights for your vehicle below. I've cut the pictures in half so you can view larger. Hope this helps and thanks for using 2CarPros.
Dec 7, 2020 at 12:47 AM