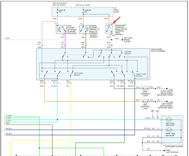
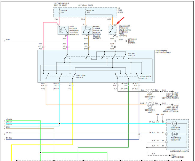
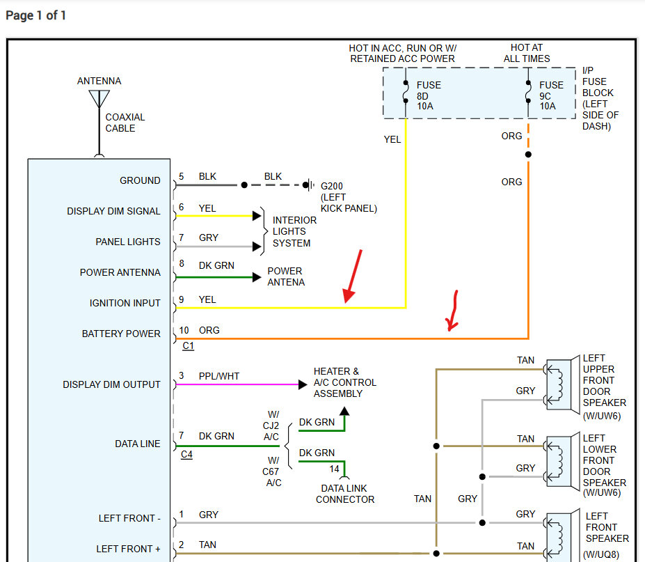
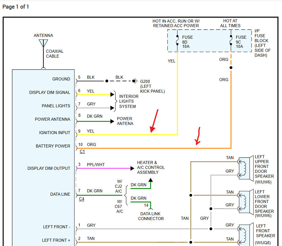
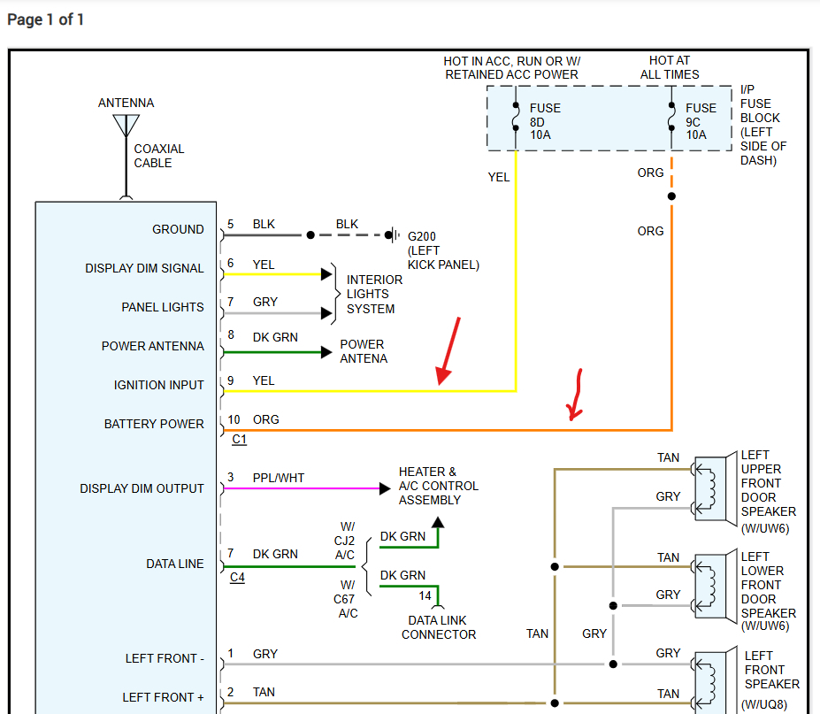
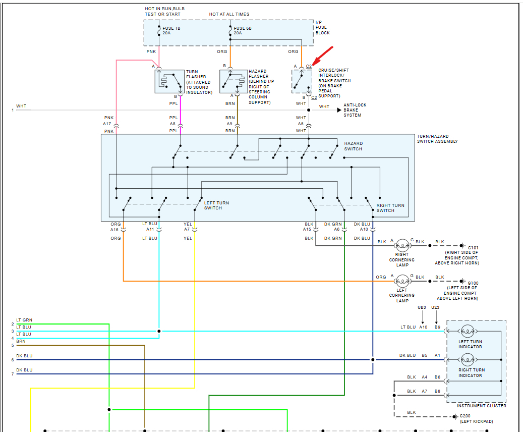
When my key is off and I press the brake light, or the brake pedal, I mean my stereo comes on. I don't know how to fix it. any help would be appreciated.
May 5, 2025 at 2:25 PM




