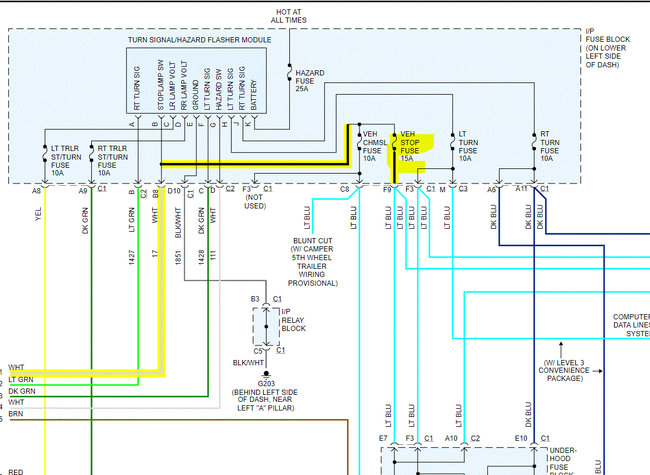
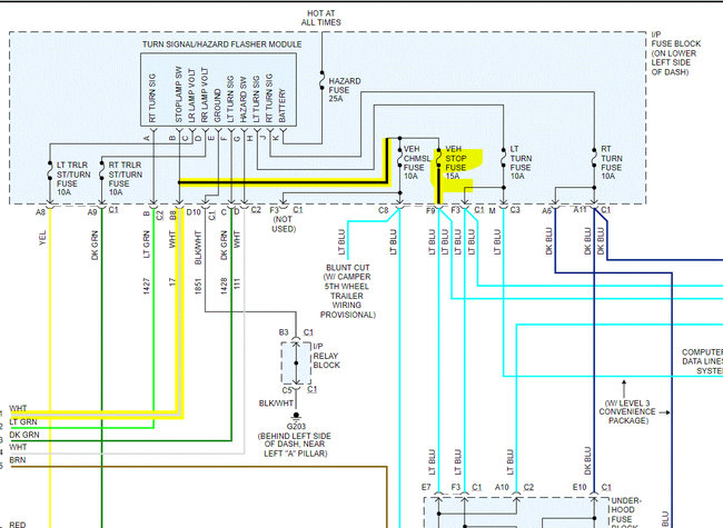
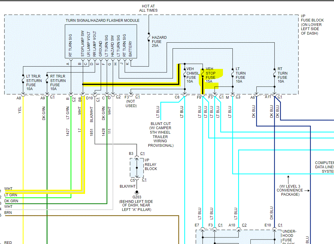
Recently I replaced my hydro booster. i forgot to plug my brake light switch back up and fixed the problem, but every time I plug my switch back up it locks my shifter and wont come out of park. i have replaced my brake light switch and checked my cruse, and brake fuses but all look good. i don't have any lights coming up on the dash. i don't know what else could be causing the shifter to lock up when I plug the switch up.
Dec 21, 2020 at 3:02 PM




