Brake light switch location

1998 GMC C1500
202,000 MILES • 5.0L • V8 • 2WD • AUTOMATIC
Avatar
JJ4808
  • MEMBER
  • 1 POST
No brake lights
Aug 3, 2025 at 4:53 AM
Advertisement
Avatar
STRAILER
  • CERTIFIED EXPERT
  • 53,854 POSTS
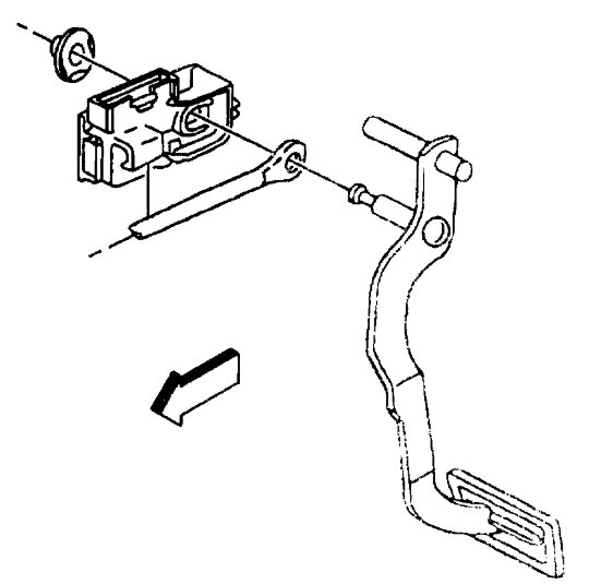
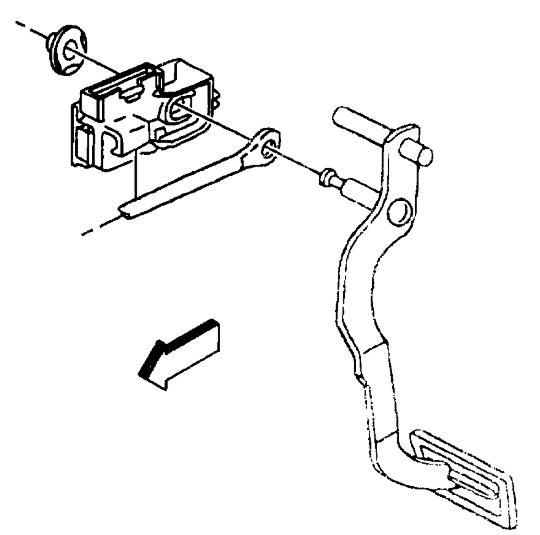
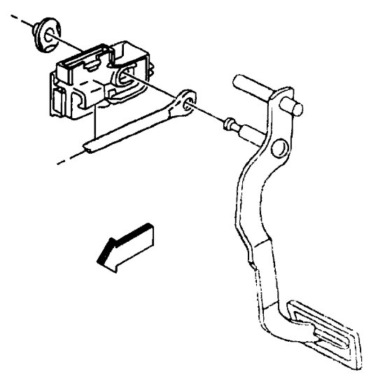
The brake light switch is located near the top of the brake pedal arm. Here is an image of the switch. I would check the MAXI fuse#2 30 amp in the fuse panel under the hood. Also, there is a stop lamp control relay in the same fuse panel I would swap out.

This guide can help as well

https://www.2carpros.com/articles/brake-lights-not-working

Check out the images (below). Please let us know what happens.
Aug 3, 2025 at 12:39 PM