Code P0504
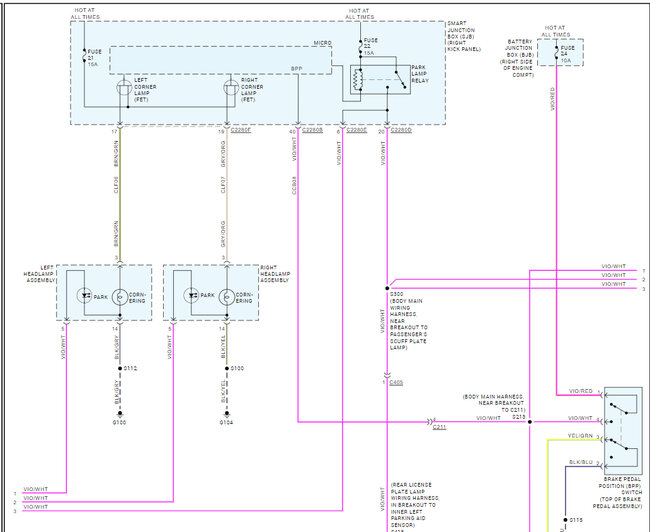
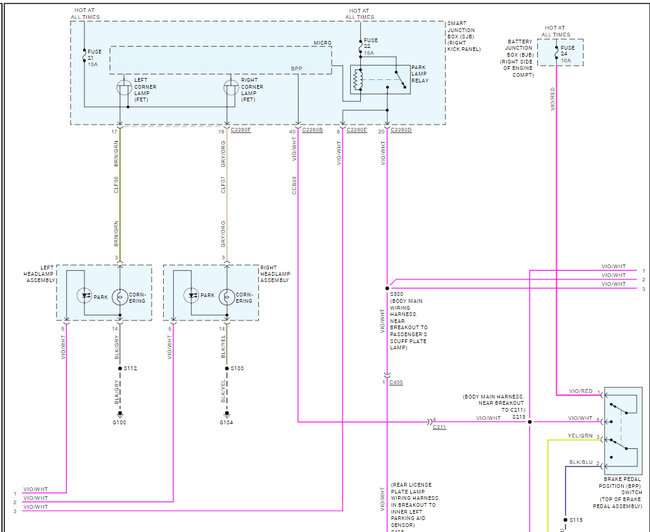
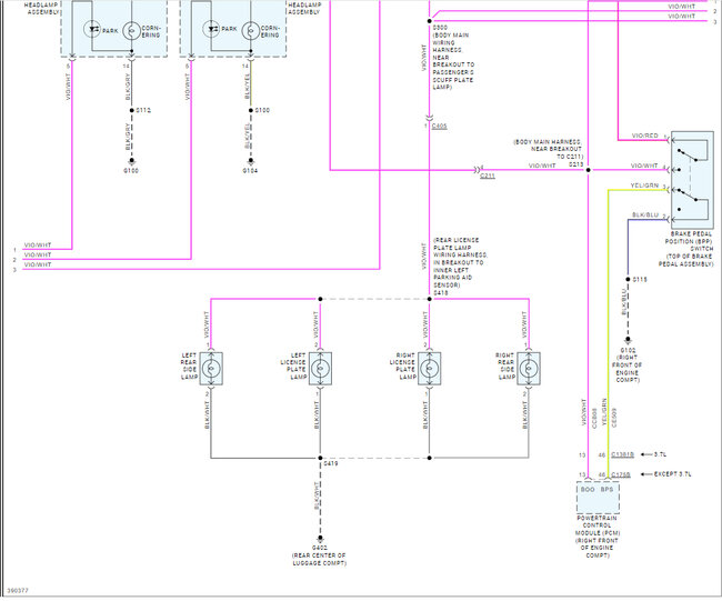
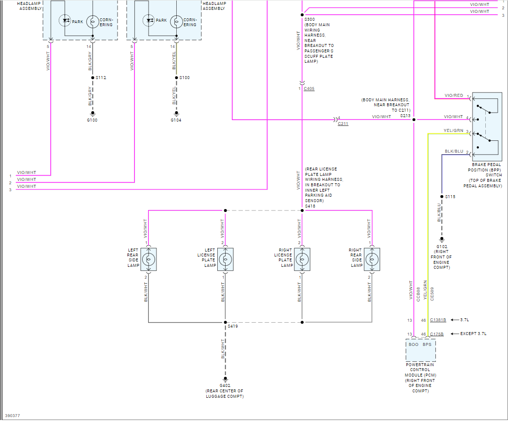
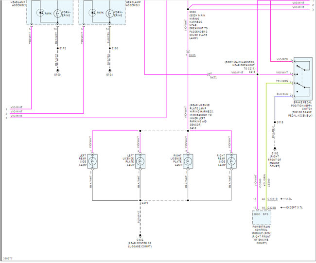
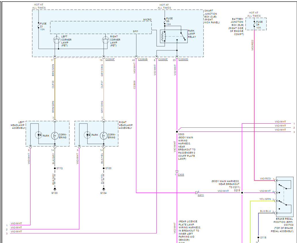
I am looking to track down the problem...I have swapped out the 2006 Mustang 4.0 with a 2013 5.0...I have successfully installed with 2013 PCM and new wiring harness and all is working well and drives great...in the information window it will read a Engine fail safe mode when I go over 3000 RPM’s but does not affect the performance...after checking the codes found the P0504 code...I am wondering if the brake light switch for the 2006 mustang which has two terminal’s is confusing the 2013 PCM...looking up the 2013 switch it shows four terminals...hence my inquiry...I’m wondering if this could be a Tuner fix or is it possible to track down in the wiring diagram where the circuits perform the On and Off tasks to fix it...
I am looking to track down the problem...I have swapped out the 2006 Mustang 4.0 with a 2013 5.0...I have successfully installed with 2013 PCM and new wiring harness and all is working well and drives great...in the information window it will read a Engine fail safe mode when I go over 3000 RPM’s but does not affect the performance...after checking the codes found the P0504 code...I am wondering if the brake light switch for the 2006 mustang which has two terminal’s is confusing the 2013 PCM...looking up the 2013 switch it shows four terminals...hence my inquiry...I’m wondering if this could be a Tuner fix or is it possible to track down in the wiring diagram where the circuits perform the On and Off tasks to fix it...
Jul 5, 2024 at 8:27 AM

