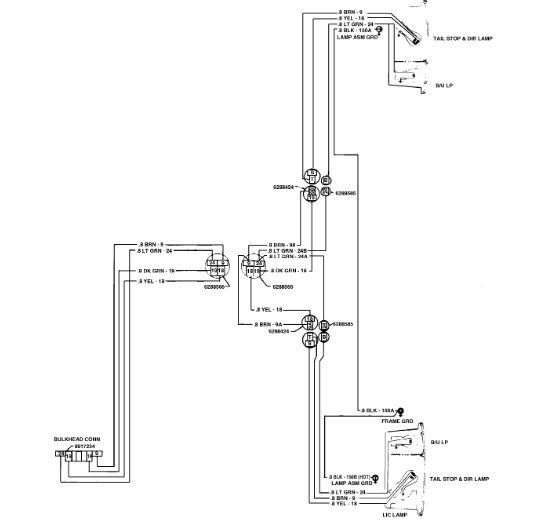
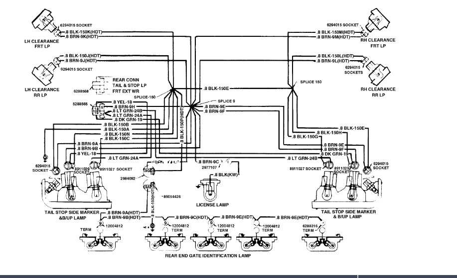
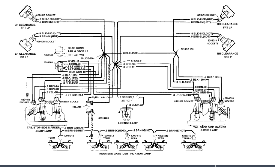
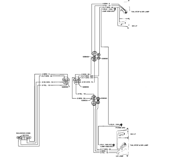
I recently purchased the truck, and the brake lights haven't worked.
I've purchased several new switches that can't seem to get the light to work.
- Power is going to the brake switch.
- Fuse is good and tested both sides of the fuse so it's not the circuit board.
- Replaced bulbs in both outlets.
- I am receiving power to the back end as hazards and parking lights come on.
- No power to socket when brake is applied.
I've purchased several new switches that can't seem to get the light to work.
- Power is going to the brake switch.
- Fuse is good and tested both sides of the fuse so it's not the circuit board.
- Replaced bulbs in both outlets.
- I am receiving power to the back end as hazards and parking lights come on.
- No power to socket when brake is applied.
Sep 28, 2023 at 1:24 PM








