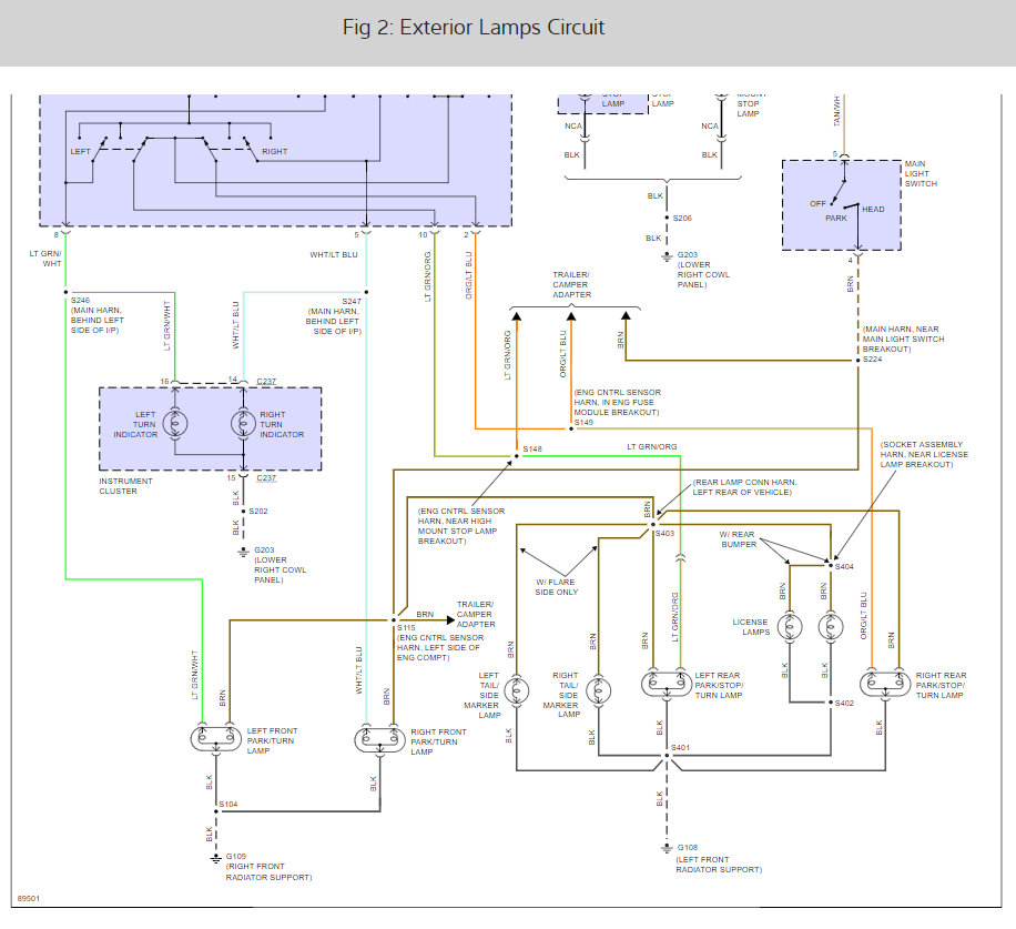
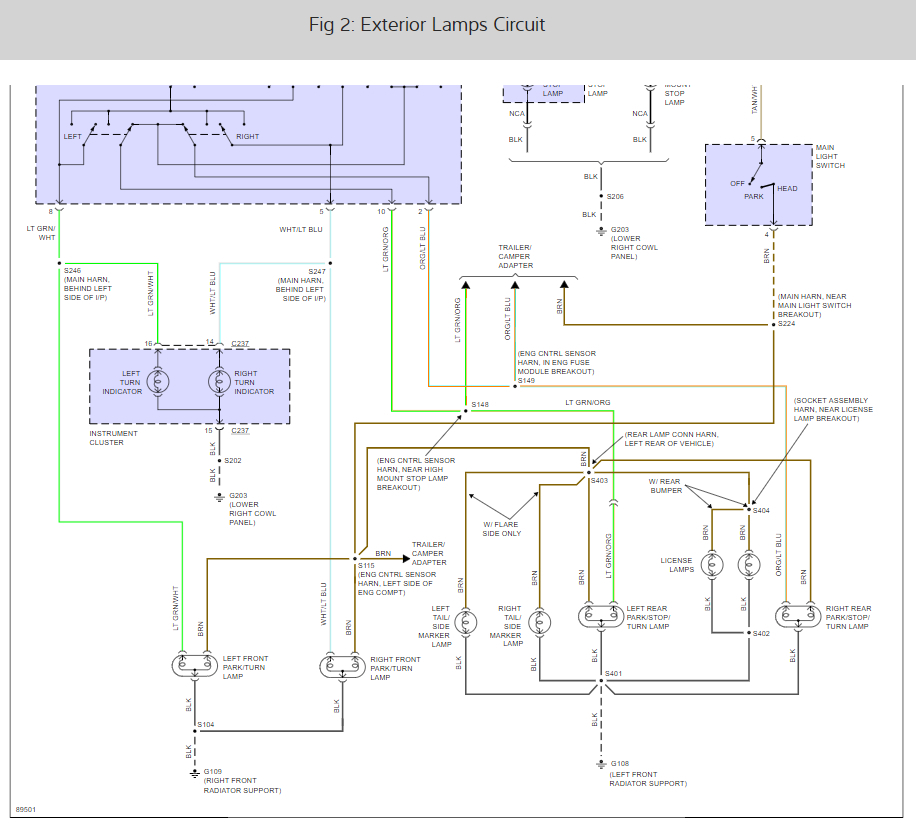
My brake light switch was wired all together. But then it came apart and it has one green wire coming from the switch. And it looks like it was wired into a trailer light brake system. But I have a green wire with a red stripe and a red wire coming from what looks like a trailer light box and when I hook these wires together my brake light stay on and I can shift out of park and if I hook them any other way it does not work at all. I need some help.
Mar 18, 2018 at 11:15 AM



