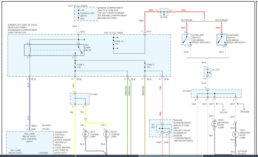
I saw your post on another question relating to relays and you posted wiring diagrams. This was very helpful as this is the best diagram I can easily find. I replaced my brake pedal switch and there is still a problem up the line. I am totally new to electrical wiring diagrams but I am sure the taillight relay is open. I have no idea where to locate and change though as all the other informational videos are only about the switch. Any more information you can give a newbie would be helpful.
Sep 13, 2020 at 10:21 AM

