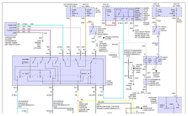
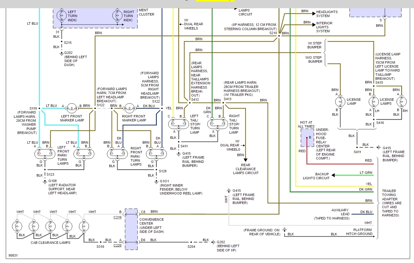
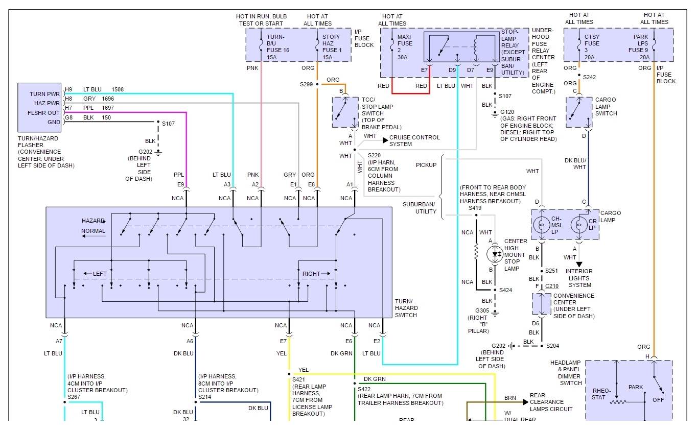
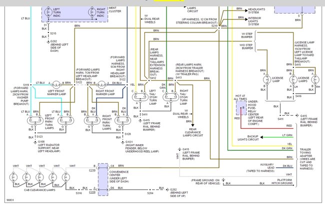
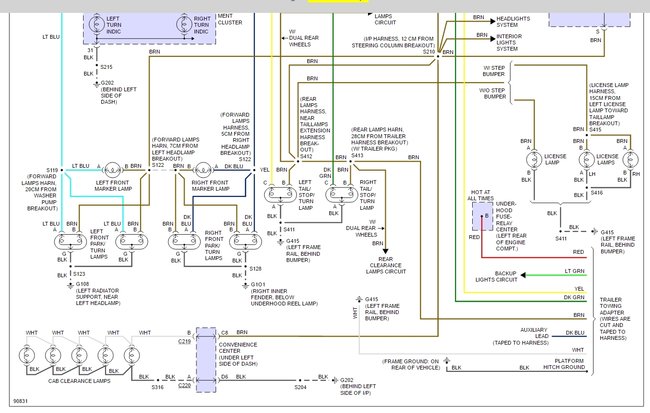
there are three brake lights, the one on top of the truck works, but the other two on the sides do not. I have no power coming from the wires. How can I have power to the top brake light but not the others?
Oct 3, 2016 at 4:07 PM

