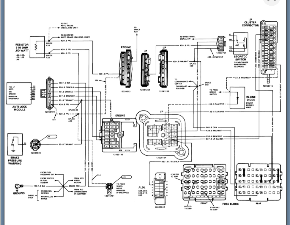
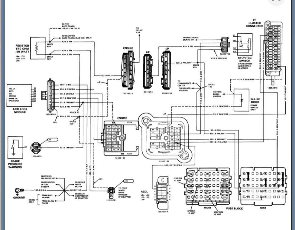
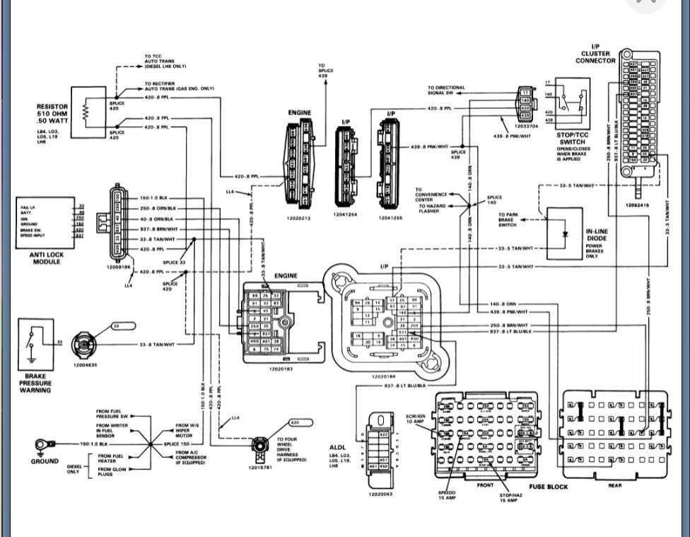
My SUV is the basic model with no power windows or anything not even air conditioning. My brake lights currently went out so I checked the fuse, it was blown, so I replaced it. Checked my brake lights afterwards, pumped them about ten times, used my turn signals, and my headlights on and off a couple time to see if there was a short somewhere in there. Everything worked fine! So I drive to work and almost get rear ended, the guy tells me my brake lights are not working. Ah! So I change the fuse again. Brakes work fine again. Get home that night after work and I see my brake lights are not working again. Next day I change the fuse, take my taillights off to inspect the bulbs, and see the rear passenger light is not really blown but the inside of it looks like it is melting on the inside of the bulb, so I change the bulb and put everything back together. Everything works fine! I even checked the wiring as much as I could from the fuse box to the tail lights, and did not see anything exposed. Fuse still blew again. I am at a loss. Any help would be greatly appreciated. Shop said it would be $95.00 just to look at it.
Jul 18, 2016 at 10:07 AM

