Dandy. Am I correct in assuming you're pressing the brake pedal when the bulb is bright?
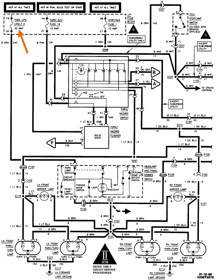
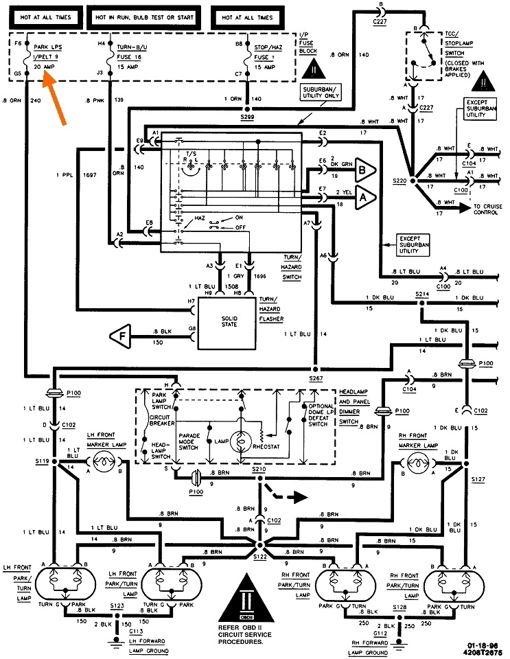
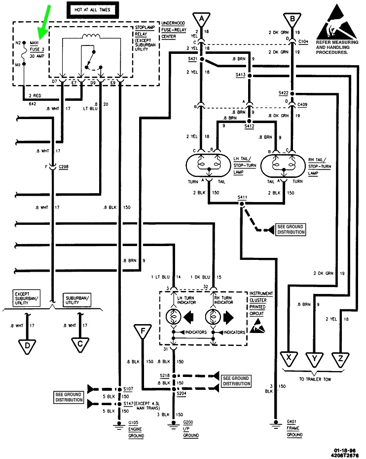
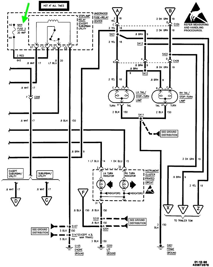
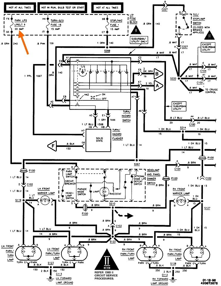
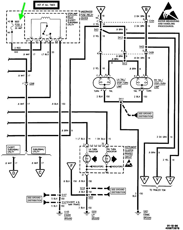
Now we have to know which fuse you have the bulb in place of. Earlier you were in the 30-amp maxi-fuse for the brake lights. The rear signals and the rear brake lights are the same bulb and filament. When the turn signals are released, current from the brake light switch passes through the signal switch on its way to the rear brake lights. One side has a short, so the fuse blows, or, in this case, the test bulb is full brightness when you press the brake pedal.
When you turn the signal switch to the left, that brake light circuit is disconnected from the brake light switch, then it gets connected to the flasher circuit with its different fuse. The right brake light circuit is untouched and stays connected to the brake light switch circuit. This is when the test bulb stays bright. That tells us the short is on the right side.
When you move the signal switch to the right, the right brake light circuit is disconnected from the brake light switch circuit. That disconnects the circuit with the short, so the test bulbs dims, but it connects the shorted circuit to the signal flasher circuit. To verify my diagnosis, you should find the signal fuse blows if the ignition switch is on when you move the signal switch to the right. If you move the test bulb to the signals fuse socket, you should find it is off when the signal switch is released. It will be less than full brightness when you move it to the left, (and you'll see the left rear brake light is glowing dimmer than normal. When you move the signal switch to the right, the test bulb will be full brightness, and the right brake light will not be glowing at all.
At this point this just tells us the right wire is shorted to ground somewhere between the signal switch and the right rear bulb. Two common causes are chewed-up trailer wiring harnesses, and a shorted trailer plug when you have the four-pin plugs from U-Haul that had three red LEDs on them to help identify the circuits. I ran into about a half dozen of those at the dealership in the '90s.
You can also place a stick between the seat and brake pedal to keep the brake switch on, and hang the bulb where you can see it, then crawl underneath and move the wiring harnesses around. The test bulb will dim when you do something that momentarily removes the short.
Mar 9, 2020 at 4:31 PM