Brake light not working

2006 SATURN ION
120,000 MILES • 2.2L • 4 CYL • 2WD • AUTOMATIC
Avatar
ALTAIR626
  • MEMBER
  • 1 POST
I had replaced the passenger side brake light bulb and it is still not working. I was looking to find a fuse for it, couldn't locate one. It might be a bad wire?
Aug 22, 2019 at 9:26 PM
Advertisement
Avatar
JACOBANDNICKOLAS
  • CERTIFIED EXPERT
  • 110,175 POSTS
Welcome to 2CarPros.

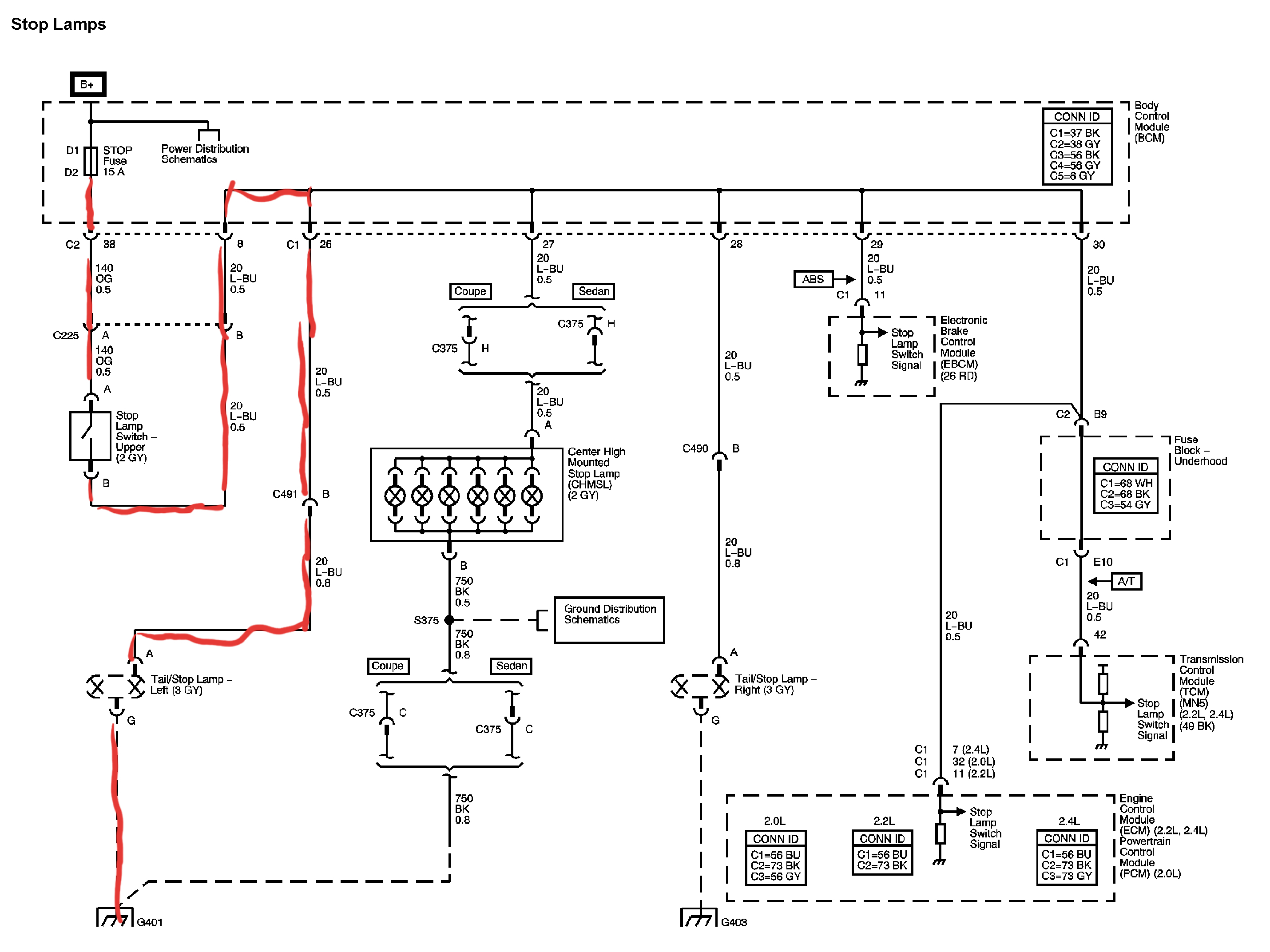
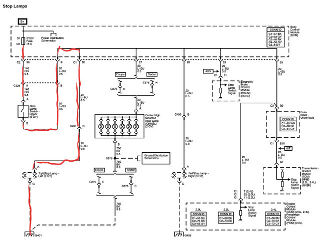
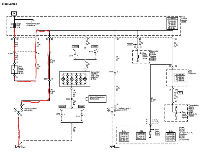
If the left brake light and center high mounted lights are working, the fuse is good. They get power from the same fuse. Don't laugh, but are you using the correct bulb?

So, here is what I need you to do. We need to see if there is power at that light socket. You will need to use a test light to check. If you look at the attached pics, you will see the two wires I want you to check. Specifically the light blue wire to the socket. Also, there will be a black wire. I need you to check continuity to ground on that wire. You will need a multi meter for that to be tested.

Here are links you may find helpful when checking the wiring:

https://www.2carpros.com/articles/how-to-use-a-test-light-circuit-tester

https://www.2carpros.com/articles/how-to-use-a-voltmeter

https://www.2carpros.com/articles/how-to-check-wiring

If there is power and ground, you will most likely need a new socket. If you find no power, we will need to trace the blue wire back to the logic module.

Let me know what you find or if you have questions.

Take care,
Joe
Aug 23, 2019 at 9:39 PM
Avatar
JIS001
  • CERTIFIED EXPERT
  • 3,412 POSTS
Hello and welcome to 2CarPros. First thing is did you install the correct bulb. If it is correct and still does not light up then at the light connector check for battery voltage at the light blue wire while an assistant steps on the brake pedal. You can use a simple test light. Here is link on using a test light:

https://www.2carpros.com/articles/how-to-use-a-test-light-circuit-tester

For me a voltmeter is better if you have one since you can actually measure the voltage. Here is a link on using a voltmeter if you can get one:

https://www.2carpros.com/articles/how-to-use-a-voltmeter

Whatever method you use please let us know what you find on the light blue wire. It is not a fuse issue since that fuse feeds all your brake lights. See diagram below. Hope to hear from you soon.
Aug 23, 2019 at 9:43 PM
Advertisement