Drivers side only brake light not working when headlights/parking lights are on

2000 JEEP GRAND CHEROKEE
175,000 MILES • 4.0L • 6 CYL • 4WD • AUTOMATIC
Avatar
HINCHY
  • MEMBER
  • 4 POSTS
When I press the brake pedal the tail light goes out and the brake light does come on.
Brake light works when headlights/parking light are off.
I have replaced the bulb and socket.
Jun 10, 2019 at 4:40 PM
Advertisement
Avatar
CARADIODOC
  • CERTIFIED EXPERT
  • 34,306 POSTS
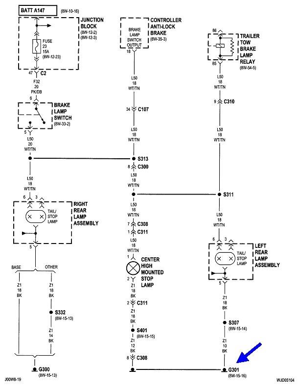
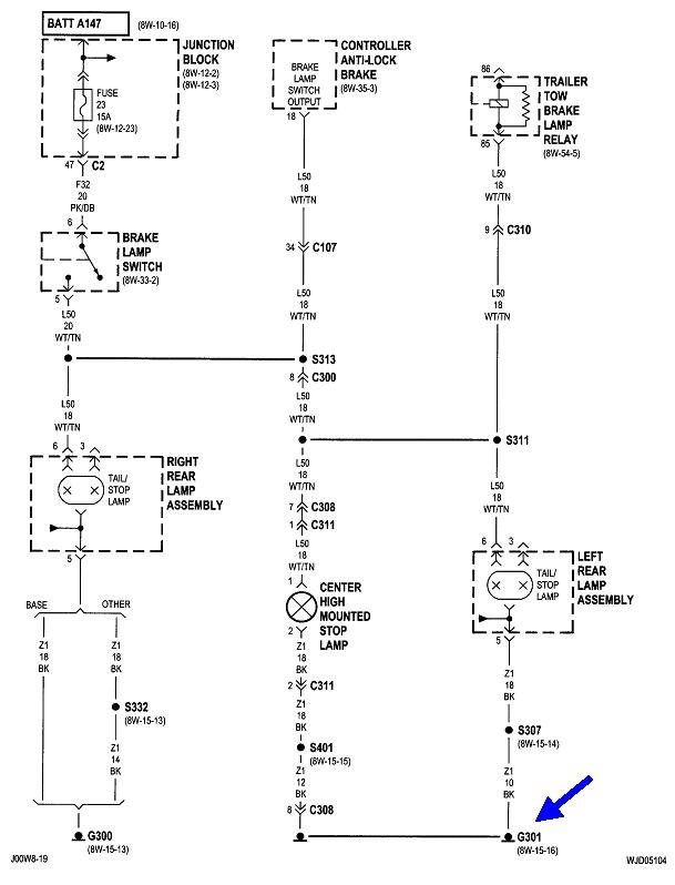
This is the classic symptom of a bad ground on the left light assembly. You'll find the left tail light is not as bright as the right one. The biggest clue is when the tail lights are turned on, you'll find the left one goes out when the right bulb is removed from its socket. Current through the left bulb can't find its path to ground, but it doubles back through its interconnected brake light filament, then over to the right brake light, through it, then to ground at the right side. Removing the right bulb removes that alternate ground path the left bulb is using.

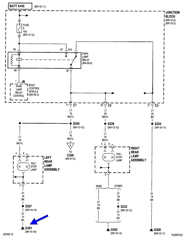
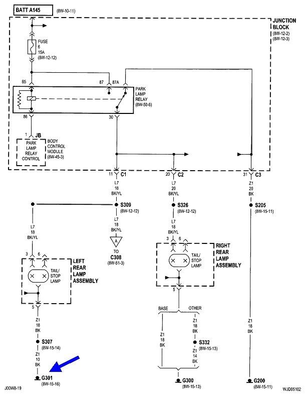
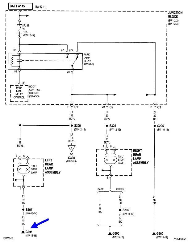
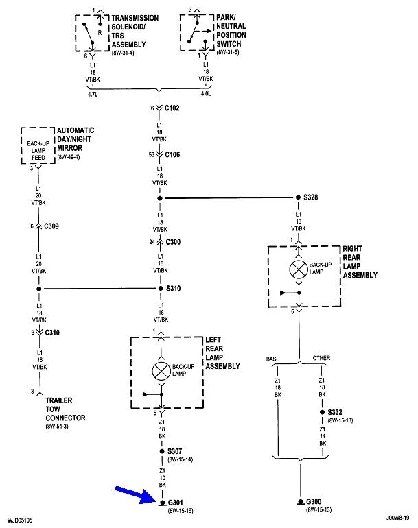
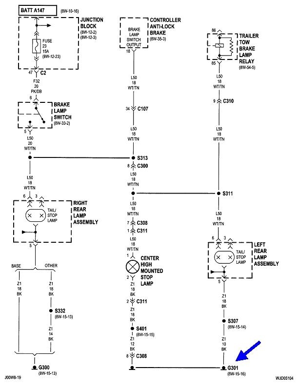
The additional clue is to observe which other lights don't work. From the diagrams, you'll see ground # G301 is shared by the left brake light, back-up light, tail light, and both license lamps. If all of those lights don't work properly, the best suspect is ground # G301, under the driver's seat. All those circuits come together at splice # S307. If some of those lights work, ground # G301 has to be okay, then the problem lies between splice # S307 and the inoperative light socket.
Jun 10, 2019 at 6:18 PM
Avatar
HINCHY
  • MEMBER
  • 4 POSTS
All other lights you mentioned are working. Both tail lights are the same brightness. When removing the build from the right socket the left tail light stays on.
Although when the headlights are off and both brake lights are working. The left brake light is dimmer.
Like I said before. The left brake light doesn't work only when the headlights are on and when applying the brake the tail light goes out also.
Jun 11, 2019 at 8:26 AM
Advertisement
Avatar
CARADIODOC
  • CERTIFIED EXPERT
  • 34,306 POSTS
There has to be a bad ground. You'll find the head lights don't have to be on; only the running / tail lights need to be on for the symptom to occur.

Since the license lamps work, that rules out a broken or rusted ground terminal under the driver's seat. That would have been the hardest thing to repair. The better suspect now is a broken ground wire where it goes from the lift gate to the body. There will be a rubber boot to pull back so you can inspect the wires. Tug gently on each one. If a wire is broken, you'll easily pull it out of the harness. The wire in question is black, but check all of them. If you find one is broken, I'll describe the best way to repair it, and the easiest way.
Jun 11, 2019 at 11:38 AM
Avatar
HINCHY
  • MEMBER
  • 4 POSTS
The Jeep has an after market remote start. The lights come on when it starts. Could there be something wrong there?
Jun 11, 2019 at 2:00 PM
Avatar
CARADIODOC
  • CERTIFIED EXPERT
  • 34,306 POSTS
That's a custom modification that I have no way of knowing how it was wired in, but if the tail and brake lights were working properly right after it was installed, how it was connected can't be the problem. If the installer made any splices with Scotch-Lok connectors, those are quick but they don't seal out moisture. A corroded wire could be the result, but again, for it to cause the symptoms you described, it would have to be that ground wire, and I doubt they had to splice into that one.

Did you check the wires where they flex repeatedly between the body and lift gate?
Jun 11, 2019 at 2:47 PM