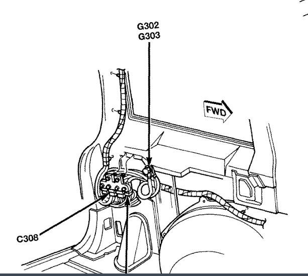
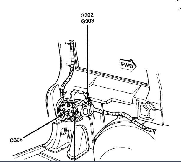
My brake light in the rear in the driver's side will only come on if my headlights are off. When I turn my headlights on only the driver's brake light goes out. What could be the problem? Thank you all in advance.
Nov 13, 2018 at 9:43 PM

