Brake lamps only operational during daytime?

2005 CHEVROLET COLORADO
110,500 MILES • 3.5L • 5 CYL • 4WD • MANUAL
Avatar
RAYMOND BELL
  • MEMBER
  • 2 POSTS
Just a random fault. No reason for it that I know. But the brake lamps stopped working a couple of months ago. Tail lamps operational. Turn signals work. Parking lights work. All others work. But no brake lights. But this only happens when the headlights and all other nighttime driving lights are on and operational. When in daytime driving mode with all lighting off, brake lights work. Why?
Jan 31, 2023 at 11:32 AM
Advertisement
Avatar
STRAILER
  • CERTIFIED EXPERT
  • 53,855 POSTS
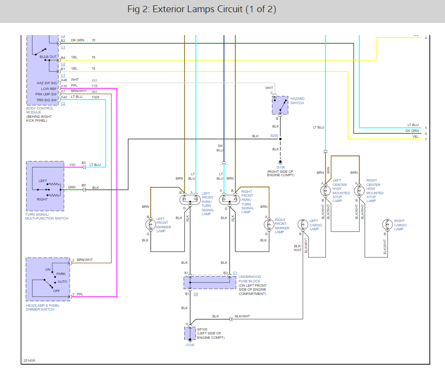
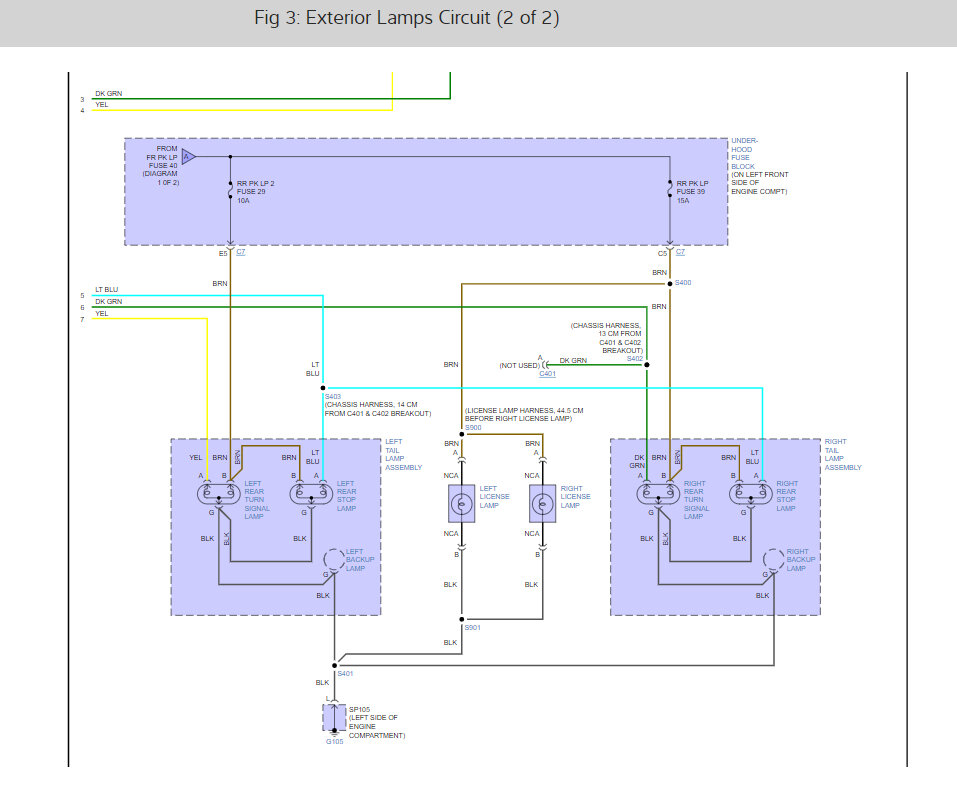
The first thing we should do is check the STOP fuse1 in the under-hood fuse panel. This guide can help will the fuse location in the diagrams below. Next, we need to check the ground for the lights on the left side of the engine which are in the images as well.

https://www.2carpros.com/articles/how-to-check-a-car-fuse

Check out the images (below). Please let us know what happens.
Jan 31, 2023 at 4:33 PM
Avatar
RAYMOND BELL
  • MEMBER
  • 2 POSTS
It cannot be the fuse or anything related to power period. I initially explained that the brake lights do work. But only when in daylight hours when the auto on circuit engages all lighting as necessary in darkness. It’s something else.
Feb 1, 2023 at 10:33 AM
Advertisement
Avatar
STRAILER
  • CERTIFIED EXPERT
  • 53,855 POSTS
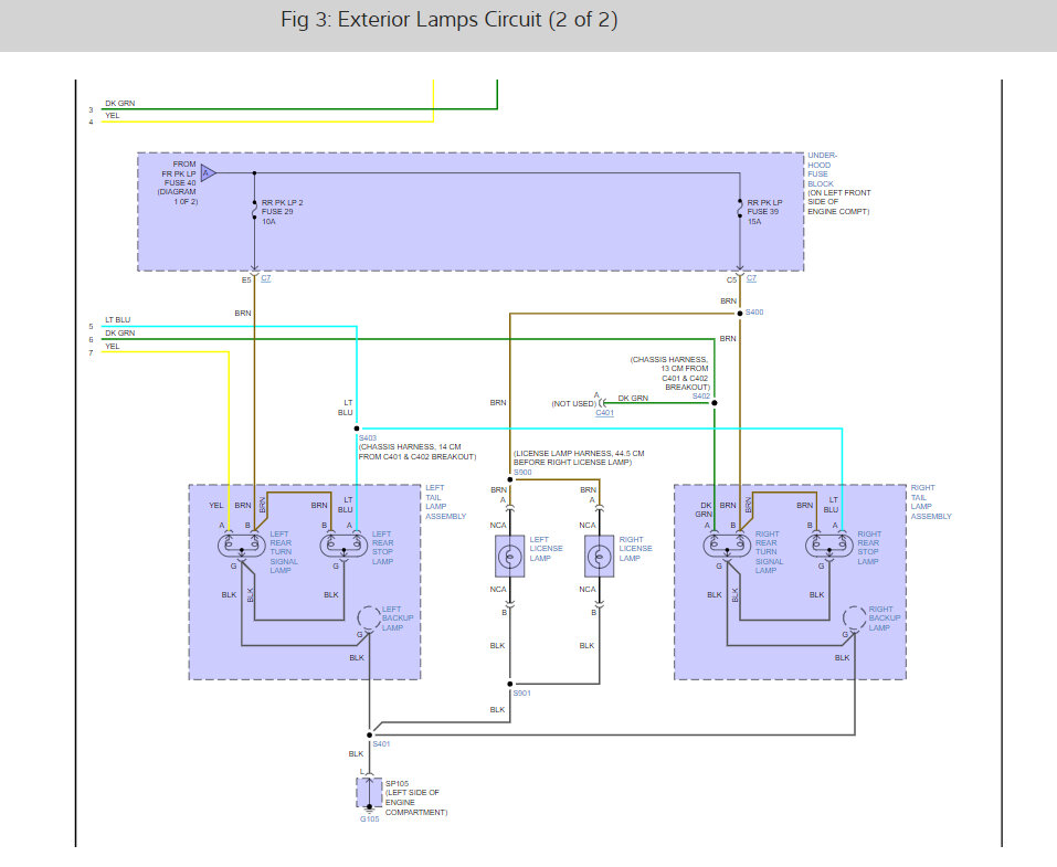
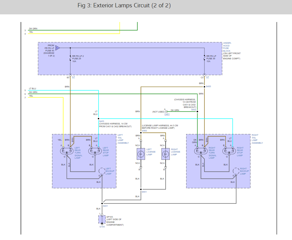
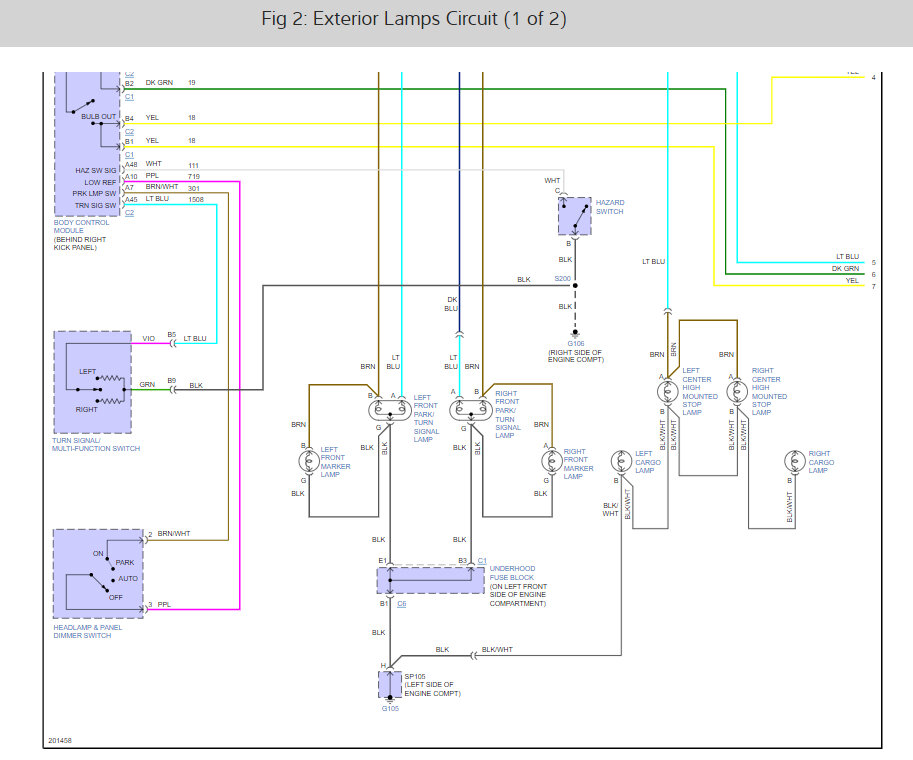
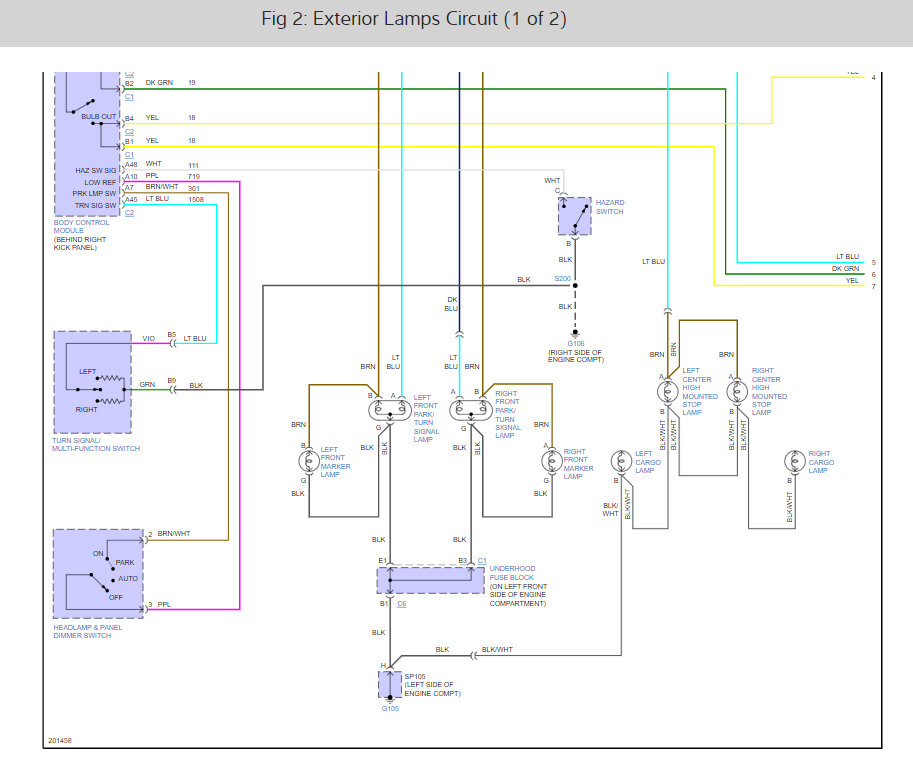
The only other thing that can cause this is the instrument cluster, here is the complete brake light wiring diagrams so you can see how the system works. Check out the images (below). Please let us know what happens.
Feb 2, 2023 at 1:50 PM