Brake fuse keeps blowing after applying brakes

2008 CHRYSLER ASPEN
227,000 MILES • 5.7L • V8 • 4WD • AUTOMATIC
Avatar
SALVADOR7780
  • MEMBER
  • 2 POSTS
#25 brake fuse keeps blowing after pushing brakes. They light on for a split second then off. Fuse is blown. Took taillight off, wires look good. Does have trailer lights hook up.
Oct 16, 2019 at 5:53 PM
Advertisement
Avatar
SCGRANTURISMO
  • CERTIFIED EXPERT
  • 4,897 POSTS
Hello,

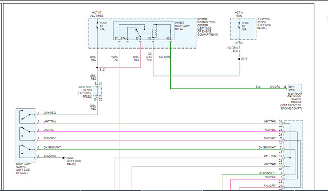
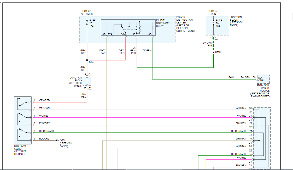
The fuse for the brake lights keeps blowing because you have a short to ground somewhere in the circuit that the fuse is protecting. In the diagrams down below I have included the wiring diagram for the brake circuit which includes fuse 25 and a guide on how to track down a short to ground in an automotive electrical circuit. You will need to use a Digital Multi-meter [DMM] to do this so I have also included a link to a guide on how to use one, if you are unfamiliar with the tool down below:

https://www.2carpros.com/articles/how-to-use-a-voltmeter

Please go through these guides and get back to us with what you are able to find out.

Thanks,
Alex
2carPros
Oct 16, 2019 at 6:33 PM
Avatar
SALVADOR7780
  • MEMBER
  • 2 POSTS
Thank you Granturismo. I'll work on it this weekend. Great information.
Oct 17, 2019 at 10:43 AM
Advertisement