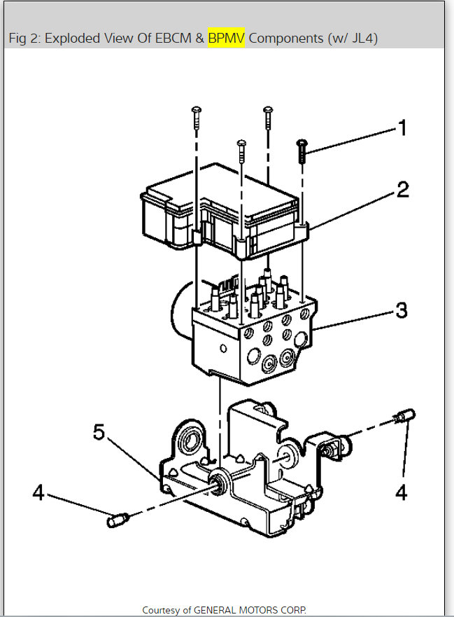
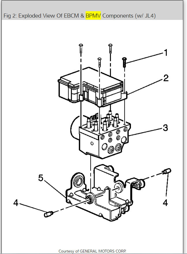
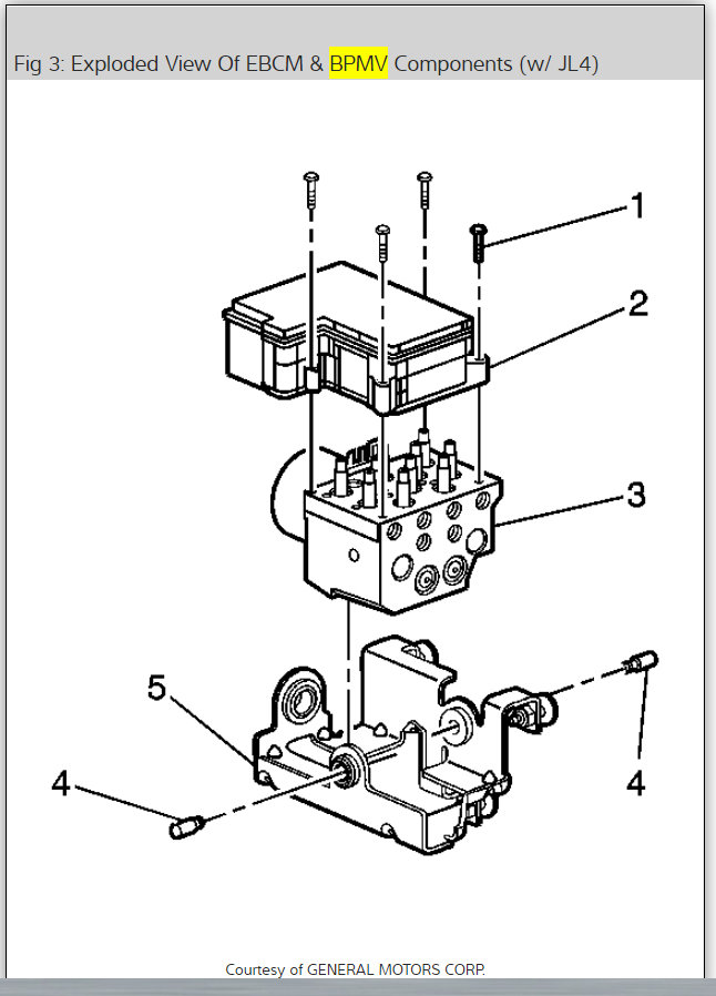
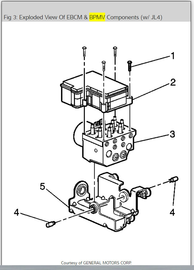
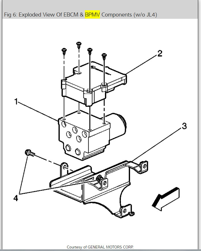
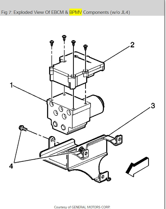
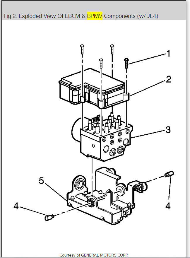
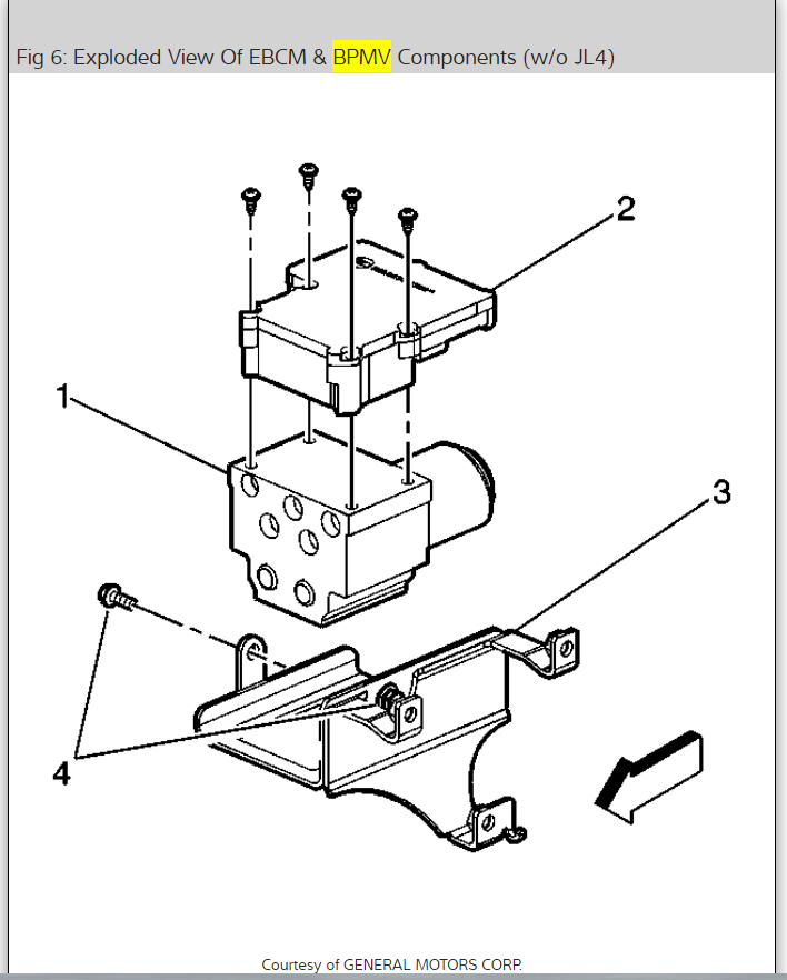
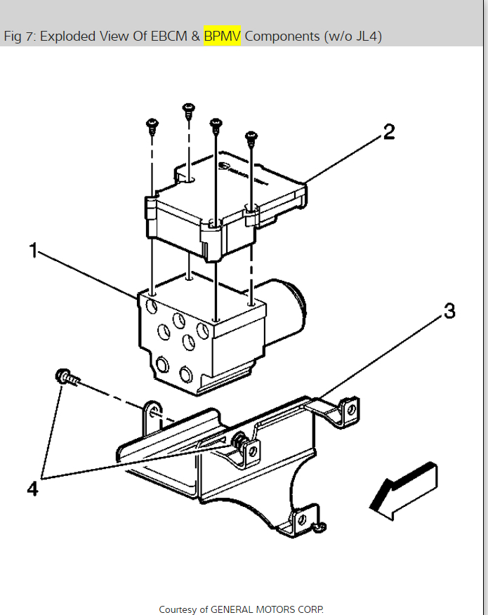
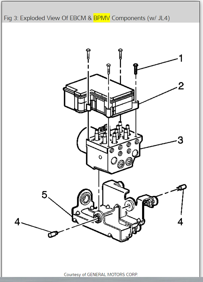
Fluid is leaking from ABS computer module under drivers side. Will changing the module fix leak? I watched YouTube video on how to change it. But it only shows top of module being replaced. Can entire fixture be replaced or do i need to keep looking for leak from elsewhere else?
Feb 27, 2019 at 4:49 PM


























