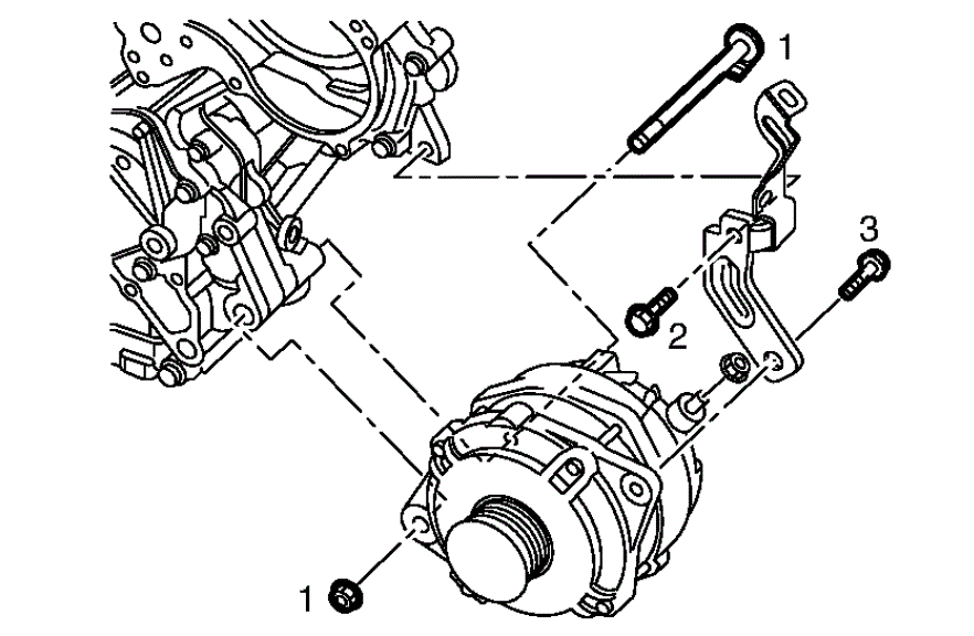
It completely shut off on me a couple weeks ago. Since then we have replaced the alternator 2 times (the first one was bad), installed a brand new battery, also put a brand new serpentine belt on while we were at it. The car starts and runs fine, we ran tests on the battery and alternator and they're both showing high output, but the brake and battery lights are illuminated on the dash. They burn solid, they don't flicker when you give it gas or turn on more loads. We have also replaced the alternator plug in since that's the only other thing we could think to replace but the lights are still on. We also checked all the fuses and none are blown. It is showing absolutely no other lights or service engine codes... What could it be? How do we get these lights to go off?
Aug 24, 2020 at 12:15 PM


