turn signals not working

2000 CHEVROLET BLAZER
189,321 MILES • 6 CYL • 2WD
Avatar
EDPO
  • MEMBER
  • 1 POST
My vehicle's right rear brake light and turn signal does not work. the running light does. all other lights work.
Feb 19, 2020 at 12:31 PM
Advertisement
Avatar
ASEMASTER6371
  • CERTIFIED EXPERT
  • 52,796 POSTS
Good afternoon,

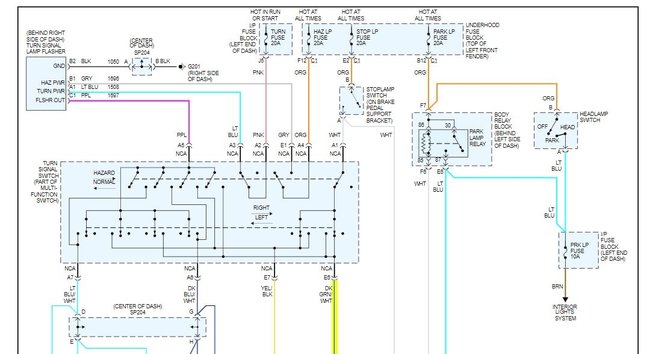
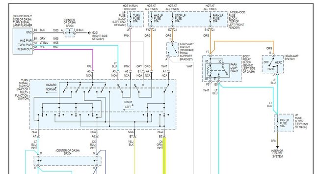
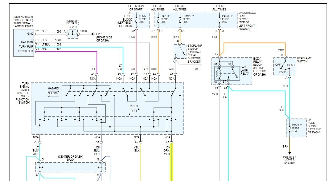
I attached a diagram for you to follow.

The power comes from the turn signal switch to the fuse block and then off to the right rear light.

Test for power to the fuse and make sure the fuse has not failed.

Roy
Feb 19, 2020 at 12:54 PM
Avatar
CINNIMINCHIK
  • MEMBER
  • 1 POST
Today the turn signals at instrument panel stopped working. I checked exterior turn signals, also not working. Looked at interior lighting and found the ashtray lamp and glove box lamp not working either. Simultaneously, when I parked car, I turned engine off, but the ignition would not go into the "B" lock position so now I cannot remove my key. All this happened at same time. What could cause this? where do I start?
Jul 28, 2021 at 1:39 PM (Merged)
Advertisement
Avatar
PATENTED_REPAIR_PRO
  • CERTIFIED EXPERT
  • 1,853 POSTS
Test if the turn b/u fuse #16 in the i/p fuse block is getting voltage on both sides of it with the key on run/engine off.
Also, check the ctsy fuse #2 in the I/p fuse block.
Jul 28, 2021 at 1:39 PM (Merged)
Avatar
RONELAKE
  • MEMBER
  • 3 POSTS
my turn signals stopped blinking by themselves so i manually operated the turn/signal switch to make the lights blink......then suddenly around two the three months later the turn lights are altogether inoperable..tried checking the fuses and all seem ok...no breaks in any of the fuses. also this seemed to happen after replacing one of my front headlights. additionally after replacing that headlight my DRL is not working also.
Jul 28, 2021 at 1:39 PM (Merged)
Avatar
RACEFAN966
  • CERTIFIED EXPERT
  • 5,029 POSTS
I would first check the turn hazard flasher module behind the left side of the instrument panel. Check the purple wire for power. Let me know what you find.
Jul 28, 2021 at 1:39 PM (Merged)
Avatar
RONELAKE
  • MEMBER
  • 3 POSTS
the hazard lights are working fine, i should have included that in my question, sorry. Where do i go from here. Could a bad turn signal flasher make the turn signals completely inoperable?
Jul 28, 2021 at 1:39 PM (Merged)
Avatar
RACEFAN966
  • CERTIFIED EXPERT
  • 5,029 POSTS
Well I would check the turn signal flasher first. Then check the purple wire as discribed previously. Let me know how it goes.
Jul 28, 2021 at 1:39 PM (Merged)
Avatar
RONELAKE
  • MEMBER
  • 3 POSTS
Yes the flasher was the problem. It was located under the dash behind the cigarette lighter so a lot of disassembly of the lower dash panels was necessary. I have to give it to those guys at General Motors because first they didn't list where the flashers were in the owners manual or that it could even be the problem, and second every screw, bolt nut was a different type than the other making it no so easy for me to replace. And I have worked in the automotive service industry for about 15 years. So it came down to just a three dollar flasher. But i am back on the road now and am a happy camper.
Jul 28, 2021 at 1:39 PM (Merged)
Avatar
RACEFAN966
  • CERTIFIED EXPERT
  • 5,029 POSTS
Great glad to hear it. Sorry I didn't give you the location forgot to do that. Anyway thanks and have a great New Year.
Jul 28, 2021 at 1:39 PM (Merged)